rekisteriseloste

Tiedote rekisteröitymisestä

Jos et ole saanut vahvistusviestiä rekisteröitymisestä si, tarkista roskapostikansiosi. Tämä erityisesti hotmail ja gmail sähköpostin käyttäjille.

Kirjoittaja Aihe: Dethleffs a5881 ei lataa 230V:lla ajoakkua  (Luettu 7155 kertaa)

*****
  • Matkailija
  • Aiheen aloittaja
  • Viimeksi paikalla:25.04.2017 kello on 21:29
Dethleffs a5881 ei lataa 230V:lla ajoakkua
« : 19.03.2017 kello on 10:41 »
Ensimmäinen viesini foorumille lähtee tässä eikä varmasti jää viimeiseksi   Thumb Olen noviisi ja aloitteleva karavaanari, viime kesänä vuokrasimme perheellemme  naapurin autoa pari kertaa ja innostuille hommasta. Nyt sitten eilen ostimme vaimon kanssa Helsingistä tuollaisen A5881 auton ja ajoimme sen Ouluun. Ja heti tietysti ongelmia edessä.

Elikkäs myyjän mukaan tieto että ajotilan akku ei lataudu kun kytkee 230V seinään. Tutkittu jopa sähkömiehen toimesta ja siellä on kuuulemma 2A sulake ehjänä. Onko siellä oma ylläpitolaturi tuolle vai minkälainen systeemi? Huomasin myös että paneeliin ei syty se töpselin valo kun 230V kytkettiin. Sähköpisteisiin kyllä tuli jännite, mutta nekin sain mykäksi illalla kun aloin imuroida autoa. Sulakkeet löydän kyllä kun kaikki orggis ohjekirjat tuntui olevan tallessa.

Alkavat karanaavarit kiittää jo etukäteen  Thumb

*****
  • Matkailija
  • Aiheen aloittaja
  • Viimeksi paikalla:25.04.2017 kello on 21:29
Vs: Dethleffs a5881 ei lataa 230V:lla ajoakkua
« Vastaus #1 : 19.03.2017 kello on 14:50 »
Lisätäämpäs infoa. Eli Latausyksikkö EBL-20 ja 2A lasiputki oli palanut. Ihan kokeilu mielessä tarjosin 5A sulaketta kun ei muuta ollut tähän hätään, no nalli lensi siitäkin ja jopa tallin 16A sulake automaatti laukesi. EBL-20 Pyöreä sininen komponentti sulakeen vieressä näyttää hiukan kärsineeltä. Onko kukaan korjannut näitä ja onko nämä särkyvää sorttia jotta se vika voisi olla juurikin tämä latausyksikkö?

*****
  • LämmitinGuru
  • Aluevalvoja
  • Kalustoon kuuluva
  • Viimeksi paikalla:30.01.2026 kello on 22:09
Vs: Dethleffs a5881 ei lataa 230V:lla ajoakkua
« Vastaus #2 : 19.03.2017 kello on 18:15 »
Lisätäämpäs infoa. Eli Latausyksikkö EBL-20 ja 2A lasiputki oli palanut. Ihan kokeilu mielessä tarjosin 5A sulaketta kun ei muuta ollut tähän hätään, no nalli lensi siitäkin ja jopa tallin 16A sulake automaatti laukesi. EBL-20 Pyöreä sininen komponentti sulakeen vieressä näyttää hiukan kärsineeltä. Onko kukaan korjannut näitä ja onko nämä särkyvää sorttia jotta se vika voisi olla juurikin tämä latausyksikkö?

Älä vaihda sulaketta enään, ettei se hajoa lopullisesti. Kysyppä jos tuo Viitalar korjaisi kun minä en nyt kerkiä.



*****
  • Matkailija
  • Aiheen aloittaja
  • Viimeksi paikalla:25.04.2017 kello on 21:29
Vs: Dethleffs a5881 ei lataa 230V:lla ajoakkua
« Vastaus #3 : 19.03.2017 kello on 20:50 »
Älä vaihda sulaketta enään, ettei se hajoa lopullisesti. Kysyppä jos tuo Viitalar korjaisi kun minä en nyt kerkiä.

Kiitos infosta. Tutkin tuota boxia appi-ukon kanssa ja ainakin varistori (ylijännitesuoja) siitä sulakkeen vierestä taitaa olla sökö (36 ohm). Taitaa vetää oikosulkuun tuon. Pitää huomenna katkaista siitä toinen jalka ja mittoa lisää Thumb

*****
  • LämmitinGuru
  • Aluevalvoja
  • Kalustoon kuuluva
  • Viimeksi paikalla:30.01.2026 kello on 22:09
Vs: Dethleffs a5881 ei lataa 230V:lla ajoakkua
« Vastaus #4 : 19.03.2017 kello on 21:04 »
Kiitos infosta. Tutkin tuota boxia appi-ukon kanssa ja ainakin varistori (ylijännitesuoja) siitä sulakkeen vierestä taitaa olla sökö (36 ohm). Taitaa vetää oikosulkuun tuon. Pitää huomenna katkaista siitä toinen jalka ja mittoa lisää Thumb

Eipä taida olla 36 ohmia, paremminkin 6-15 ohmia. Fetti varmaan rikki ja silta kannattaa tarkistaa jos itse korjaa. Kannattaa ottaa huomionn, että jos itse alkaa korjaamaan, mutta ei saa kuntoon, voi olla ettei muut korjaajat enään huoli sitä korjattavaksi.

*****
  • Matkailija
  • Aiheen aloittaja
  • Viimeksi paikalla:25.04.2017 kello on 21:29
Vs: Dethleffs a5881 ei lataa 230V:lla ajoakkua
« Vastaus #5 : 19.03.2017 kello on 21:28 »
Eipä taida olla 36 ohmia, paremminkin 6-15 ohmia. Fetti varmaan rikki ja silta kannattaa tarkistaa jos itse korjaa. Kannattaa ottaa huomionn, että jos itse alkaa korjaamaan, mutta ei saa kuntoon, voi olla ettei muut korjaajat enään huoli sitä korjattavaksi.

Kiitos edelleen. Oma yleismittari antaa tuon 36 ohmia. Paljonko näiden korjaus kustantaa täällä? Yhdeltä kysyin ja korjatun saisi 150€ ja oma pitäisi myös antaa vaihtolaitteena.. Onkohan noista piirilevyistä kaaviot jossain jaossa? En kyllä löytänyt vaikka yritin..

*****
  • LämmitinGuru
  • Aluevalvoja
  • Kalustoon kuuluva
  • Viimeksi paikalla:30.01.2026 kello on 22:09
Vs: Dethleffs a5881 ei lataa 230V:lla ajoakkua
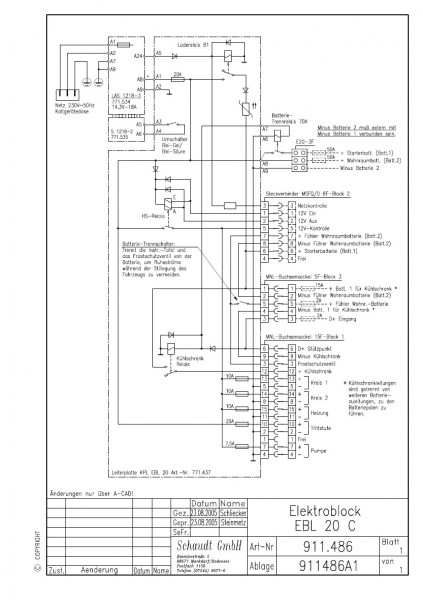
« Vastaus #6 : 19.03.2017 kello on 22:07 »
Tässä jonkunlainen kuva, mutta ei auta hakkurin korjauksessa.



*****
  • Matkailija
  • Aiheen aloittaja
  • Viimeksi paikalla:25.04.2017 kello on 21:29
Vs: Dethleffs a5881 ei lataa 230V:lla ajoakkua
« Vastaus #7 : 21.03.2017 kello on 21:19 »
Elikkäs vaihdoin ylijännite suojan niin alkoi pelata ainakin jokseenkin. Sulake kestää, valo syttyi paneeliin että sähkökytketty ja lataa ainakin hupiakkua. Ajoakusta en ole vielä varma, pitää tarkistaa huomenna akun varaus. Mittari näyttää hupiakulle 14.5V mutta ajoakulle vain 13.2V..

*****
  • LämmitinGuru
  • Aluevalvoja
  • Kalustoon kuuluva
  • Viimeksi paikalla:30.01.2026 kello on 22:09
Vs: Dethleffs a5881 ei lataa 230V:lla ajoakkua
« Vastaus #8 : 21.03.2017 kello on 22:20 »
Se ajoakun lataus on ihan oikein, pitää vain yllä.

*****
  • Matkailija
  • Aiheen aloittaja
  • Viimeksi paikalla:25.04.2017 kello on 21:29
Vs: Dethleffs a5881 ei lataa 230V:lla ajoakkua
« Vastaus #9 : 22.03.2017 kello on 14:25 »
Se ajoakun lataus on ihan oikein, pitää vain yllä.

Kiitos tiedosta. EBL 20 siis kunnostettu pelkällä ylijännitesuojan / Sulakkeen vaihdolla  Thumb

*****
  • LämmitinGuru
  • Aluevalvoja
  • Kalustoon kuuluva
  • Viimeksi paikalla:30.01.2026 kello on 22:09
Vs: Dethleffs a5881 ei lataa 230V:lla ajoakkua
« Vastaus #10 : 22.03.2017 kello on 15:50 »
Minkä osan vaihdoit kun sanoit "ylijännitesuoja"? Ai niin, tarkoitat sitä NTC-vastusta. ;)

*****
  • Matkailija
  • Viimeksi paikalla:27.05.2020 kello on 12:11
Vs: Dethleffs a5881 ei lataa 230V:lla ajoakkua
« Vastaus #11 : 24.03.2017 kello on 17:30 »
Moi simppa.  Mukavaa että joku kertoo mitä komponentteja
Korttiin on vaihdellut, helpottaa vian etsinnässä. Piirilevykuvia ei tunnu löytyvän mistään. Itsellä juuri samanlainen ebl. Omasta laturikortista oli kärähtänyt yksi zener diodi. Eipä kestänyt monta vuotta niin taas savut nousi jostain. Täytyy alkaa tutkimaan. Onneksi komponentit on halpoja.tieto vain tuntuu olevan kovin salaista näiden laitteiden osalta :) Aika heikkoatekoa tuntuu olevan. Siksipä pidän mukana erillistä laturiakin. Joku brittiläinen firma joka näitä korjaa kertoi että laturin ikään voi vaikuttaa vaihtamalla heikko akku ajoissa uuteen, sähköpiikit myös rikkovat, ja verkkovirta kannattaisi ottaa pois kun käynnistää auton.

*****
  • LämmitinGuru
  • Aluevalvoja
  • Kalustoon kuuluva
  • Viimeksi paikalla:30.01.2026 kello on 22:09
Vs: Dethleffs a5881 ei lataa 230V:lla ajoakkua
« Vastaus #12 : 24.03.2017 kello on 19:04 »
Ihan vain tiedoksi, että kun NTC-vastus on pamahtanut niin silloin kyllä kannattaa tarkistaa myös diodisilta ja se fetti. Myös suurjännite konkan kunto on hyvä tarkistaa. Kytkentä kuvia ei tehtaalta saa, mutta ne löytyy minulta ja niiden piirtäjältä, mutta minulla ei ole julkaisuoikeutta kuviin. Eri EBL-latureissa on hieman eroja hakkuri puolella, mutta kytkennällisesti ne on hyvinkin saman moisia.

*****
  • Matkailija
  • Aiheen aloittaja
  • Viimeksi paikalla:25.04.2017 kello on 21:29
Vs: Dethleffs a5881 ei lataa 230V:lla ajoakkua
« Vastaus #13 : 3.04.2017 kello on 20:41 »
Ihan vain tiedoksi, että kun NTC-vastus on pamahtanut niin silloin kyllä kannattaa tarkistaa myös diodisilta ja se fetti. Myös suurjännite konkan kunto on hyvä tarkistaa. Kytkentä kuvia ei tehtaalta saa, mutta ne löytyy minulta ja niiden piirtäjältä, mutta minulla ei ole julkaisuoikeutta kuviin. Eri EBL-latureissa on hieman eroja hakkuri puolella, mutta kytkennällisesti ne on hyvinkin saman moisia.

Rikkoontunut komponentti minulla oli varistori S10 k275 heti sulakkeen vieressä sininen komponentti. ( http://www.vekoy.com/product_info.php?products_id=7806 ) Eli toimii tässä käsittääkseni ylijännitesuojana 275VAC. Tuohan aiheutti minulla ainakin oikosulun heti sulakkeen jälkeen n. 36 ohm. Kun katkaisi toisen jalan vain siltä niin alkoi jo sillä toimia tuo koko masiina. Laitoin kuitenkin tilalle S7 K275 komponentin joka on vain 7mm halkaisijaltaan kun tuo alkuperäinen tais olla 10mm, purkausvirta oli hiukan matalampi mutta en usko sen merkitsevän.. On toiminut toistaiseksi niinkuin pitääkin. Tuossa pihalla ollaan yövyttykkin / harjoiteltu ja kokoajan on roikassa auto ollut. Ei ongelmia. Joskus voi päästä vähällälläkin  Thumb

*****
  • LämmitinGuru
  • Aluevalvoja
  • Kalustoon kuuluva
  • Viimeksi paikalla:30.01.2026 kello on 22:09
Vs: Dethleffs a5881 ei lataa 230V:lla ajoakkua
« Vastaus #14 : 3.04.2017 kello on 21:23 »
Rikkoontunut komponentti minulla oli varistori S10 k275 heti sulakkeen vieressä sininen komponentti. ( http://www.vekoy.com/product_info.php?products_id=7806 ) Eli toimii tässä käsittääkseni ylijännitesuojana 275VAC. Tuohan aiheutti minulla ainakin oikosulun heti sulakkeen jälkeen n. 36 ohm. Kun katkaisi toisen jalan vain siltä niin alkoi jo sillä toimia tuo koko masiina. Laitoin kuitenkin tilalle S7 K275 komponentin joka on vain 7mm halkaisijaltaan kun tuo alkuperäinen tais olla 10mm, purkausvirta oli hiukan matalampi mutta en usko sen merkitsevän.. On toiminut toistaiseksi niinkuin pitääkin. Tuossa pihalla ollaan yövyttykkin / harjoiteltu ja kokoajan on roikassa auto ollut. Ei ongelmia. Joskus voi päästä vähällälläkin  Thumb

Verkkojännitteessä on ollut ilmeisesti piikki ( salama ) ta käynnistetty agregaatti kun johto on jo seinässä.