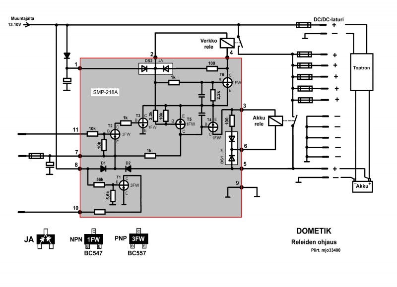
Kysyjä sanoi, että valot toimi reissussa, näin varmaan olikin kunnes akku oli niin tyhjä, ettei mikään toiminut enään. Jos reissussa on oltu verkkovirrassa ja kaikki on toiminut, mutta kun verkkovirta on irti ei mikään toimi, joko DC/DC-laturi ei lataa tai Dometik muuntajan releen kosketin palanut verkkoasentoon kiinni ja ei palaudu lepoasentoon. Onko Dometikin muuntaja kuvan mukainen. Jos saisi valokuvan niin ei tarvitsisi heitellä vääriä kuvia näkyviin.

Uuden mallinen Dometic


Toptron laturi