rekisteriseloste

Tiedote rekisteröitymisestä

Jos et ole saanut vahvistusviestiä rekisteröitymisestä si, tarkista roskapostikansiosi. Tämä erityisesti hotmail ja gmail sähköpostin käyttäjille.

Kirjoittaja Aihe: Primus 2480 syttyy ja sammuu  (Luettu 1910 kertaa)

*****
  • Matkailija
  • Aiheen aloittaja
  • Viimeksi paikalla:12.10.2025 kello on 10:51
Primus 2480 syttyy ja sammuu
« : 4.09.2025 kello on 11:49 »
Primus 2480 on toiminut hyvin monta vuotta,mutta ensin alkoi öisin mennä häiriövalolle ja käynnistyi kun laittoi uudestaan päälle.Mutta tää uudelleen käynnistämisen toiminta-aika lyheni koko ajan kunnes lopulta toimi vain muutaman sekunnin kun häiriövalo syttyi.
Oletin vian olevan poksissa ja kun oli toinen samanlainen pannu mikä muistini mukaan piti olla kunnossa.No tää pannu teki ihan samaa syttyi ja sammui muutaman sekunnin jälkeen,että missähän vika voisi olla kun ilmeisesti ei ole pannussa?

*****
  • LämmitinGuru
  • Aluevalvoja
  • Kalustoon kuuluva
  • Viimeksi paikalla:30.01.2026 kello on 22:09
Vs: Primus 2480 syttyy ja sammuu
« Vastaus #1 : 5.09.2025 kello on 11:49 »
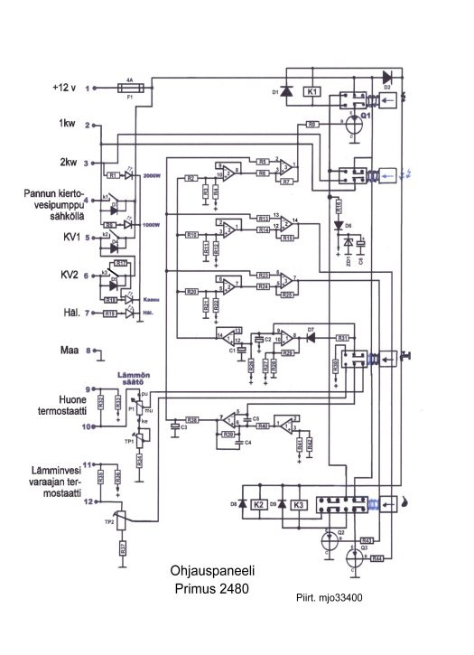
Oletko mitannut jännitteen ohjauspaneelin nastasta 1 ja 5 käynnistyshetkellä?



*****
  • Matkailija
  • Aiheen aloittaja
  • Viimeksi paikalla:12.10.2025 kello on 10:51
Vs: Primus 2480 syttyy ja sammuu
« Vastaus #2 : 5.09.2025 kello on 12:01 »
Kiitos vastauksesta,olen juuri tekemässä mittauksia tutkimassa liitoksia.Sähköllä toimii ok.

*****
  • LämmitinGuru
  • Aluevalvoja
  • Kalustoon kuuluva
  • Viimeksi paikalla:30.01.2026 kello on 22:09
Vs: Primus 2480 syttyy ja sammuu
« Vastaus #3 : 5.09.2025 kello on 12:04 »
Sähkö ja kaasu on kaksi täysin eri asiaa. Keskity ohjauspaneelin jännitteisiin ja lämmittimen vesitermostaatin mittaamiseen. Mikä vaunun tyyppi?

*****
  • Matkailija
  • Aiheen aloittaja
  • Viimeksi paikalla:12.10.2025 kello on 10:51
Vs: Primus 2480 syttyy ja sammuu
« Vastaus #4 : 5.09.2025 kello on 12:47 »
Jos ymmärsin oikein mittarin miinuspiuha maajohtoon plussalla mitataan 1 ja 5 liittimet niin 1 oli 12v ennen käynnistystä ja myös jälkeen ,5 oli n3v ennen ja jälkeen,on viisari mattari ettei saa tarkkoja lukuja.Vaunu on -86 mallia oleva Kafi.
« Viimeksi muokattu: 5.09.2025 kello on 12:58 »

*****
  • LämmitinGuru
  • Aluevalvoja
  • Kalustoon kuuluva
  • Viimeksi paikalla:30.01.2026 kello on 22:09
Vs: Primus 2480 syttyy ja sammuu
« Vastaus #5 : 5.09.2025 kello on 13:38 »
Ota 5:tos nastasta johto irti ja kytke se käsin ykköseen, lämmittimen pitäisi käynnistyä. Jos näin käy niin ohjauspaneeli rele pitää vaihtaa. Rele k2. Voit myös kokeilla siten, että otat nastan 6 johdon irti ja kytket nastan viis johdon siihen





« Viimeksi muokattu: 5.09.2025 kello on 13:53 »

*****
  • Matkailija
  • Aiheen aloittaja
  • Viimeksi paikalla:12.10.2025 kello on 10:51
Vs: Primus 2480 syttyy ja sammuu
« Vastaus #6 : 5.09.2025 kello on 13:54 »
Kyllä lähti pannu päälle kun laitoin 5 johdon ykköseen. Eikä vaikutusta laittamalla 5  6 pakkaan Ilmeisesti tuhosin jotain kun ei mene sähkökään enää päälle.
« Viimeksi muokattu: 5.09.2025 kello on 16:09 »

*****
  • LämmitinGuru
  • Aluevalvoja
  • Kalustoon kuuluva
  • Viimeksi paikalla:30.01.2026 kello on 22:09
Vs: Primus 2480 syttyy ja sammuu
« Vastaus #7 : 6.09.2025 kello on 08:59 »
Kyllä lähti pannu päälle kun laitoin 5 johdon ykköseen. Eikä vaikutusta laittamalla 5  6 pakkaan Ilmeisesti tuhosin jotain kun ei mene sähkökään enää päälle.

Tarkistitko paneelin sulakkeen? Syttyykö ledit paneelissa? Paneelivika kuitenkin on.

*****
  • Matkailija
  • Aiheen aloittaja
  • Viimeksi paikalla:12.10.2025 kello on 10:51
Vs: Primus 2480 syttyy ja sammuu
« Vastaus #8 : 8.09.2025 kello on 12:19 »
Tuli hätäinen lähtö viikonlopuksi reissuun enkä ole päässyt koneelle.Eilen iltayöstä kokeilin kun on varapannu ja ohj.paneeli niin löyty toimiva pari eli nyt lämmitys toimii.Nyt on viallinen pannu ja paneeli mitkä pitäisi saada kuntoon jos tulee tarvette joskus.

*****
  • LämmitinGuru
  • Aluevalvoja
  • Kalustoon kuuluva
  • Viimeksi paikalla:30.01.2026 kello on 22:09
Vs: Primus 2480 syttyy ja sammuu
« Vastaus #9 : 8.09.2025 kello on 12:42 »
Tuli hätäinen lähtö viikonlopuksi reissuun enkä ole päässyt koneelle.Eilen iltayöstä kokeilin kun on varapannu ja ohj.paneeli niin löyty toimiva pari eli nyt lämmitys toimii.Nyt on viallinen pannu ja paneeli mitkä pitäisi saada kuntoon jos tulee tarvette joskus.

Eli sinulla on vain risa paneeli kun aiemmin sanoit, että pannu lähti päälle kun kytkit nastan 5 johdon nastaan 1.

*****
  • Matkailija
  • Aiheen aloittaja
  • Viimeksi paikalla:12.10.2025 kello on 10:51
Vs: Primus 2480 syttyy ja sammuu
« Vastaus #10 : 8.09.2025 kello on 14:59 »
Ei kun nyt toimii lämmitys.Minulla oli ylimääräinen pannu ja paneeli.Mutta haluaisin korjata nämä nyt ylimääräisenä olevat vialliset varalle jos taas hajoaa jotakin jatkossa.

*****
  • LämmitinGuru
  • Aluevalvoja
  • Kalustoon kuuluva
  • Viimeksi paikalla:30.01.2026 kello on 22:09
Vs: Primus 2480 syttyy ja sammuu
« Vastaus #11 : 8.09.2025 kello on 18:03 »
Ei kun nyt toimii lämmitys.Minulla oli ylimääräinen pannu ja paneeli.Mutta haluaisin korjata nämä nyt ylimääräisenä olevat vialliset varalle jos taas hajoaa jotakin jatkossa.

Onko se pannu nyt pois käytöstä mikä lähti käyntiin kun kytkit paneelin nastan 5 nastaan 1?

*****
  • Matkailija
  • Aiheen aloittaja
  • Viimeksi paikalla:12.10.2025 kello on 10:51
Vs: Primus 2480 syttyy ja sammuu
« Vastaus #12 : 8.09.2025 kello on 20:31 »
On käytössä minä putsailin ja maalasin sen se toimii nyt sillä paneelilla mikä mulla oli varalla jä mikä on ehjä.Kokeilin niitä niin,että toimiva pannu ie toiminut sillä paneelilla mikä oli vaunussa kiinni vaan sillä mikä oli varalla.ja viallinen pannu ei toiminut kummallakaan paneelilla.Mutta kun en ollut varma näiden varalla olleiden pannun ja paneelin kunnosta kun olin ostanut ne monta vuotta sitten siksi kyselin ongelmista.Nyt olisi hyvä saada nää vialliset kuntoon,että olisi käytettävissä tarvittaessa.Eikä auta vaikka tietäisin mikä niissä on vialla koska en itse niitä voi korjata huonon näön takia tulisi piirilevystä iso tinamöykky.