rekisteriseloste

Tiedote rekisteröitymisestä

Jos et ole saanut vahvistusviestiä rekisteröitymisestä si, tarkista roskapostikansiosi. Tämä erityisesti hotmail ja gmail sähköpostin käyttäjille.

Kirjoittaja Aihe: Primus 2470 lämmitys paneelin kytkentä  (Luettu 3913 kertaa)

  • Vieras
  • Primus 2470 lämmitys paneelin kytkentä
    « : 12.06.2025 kello on 21:43 »
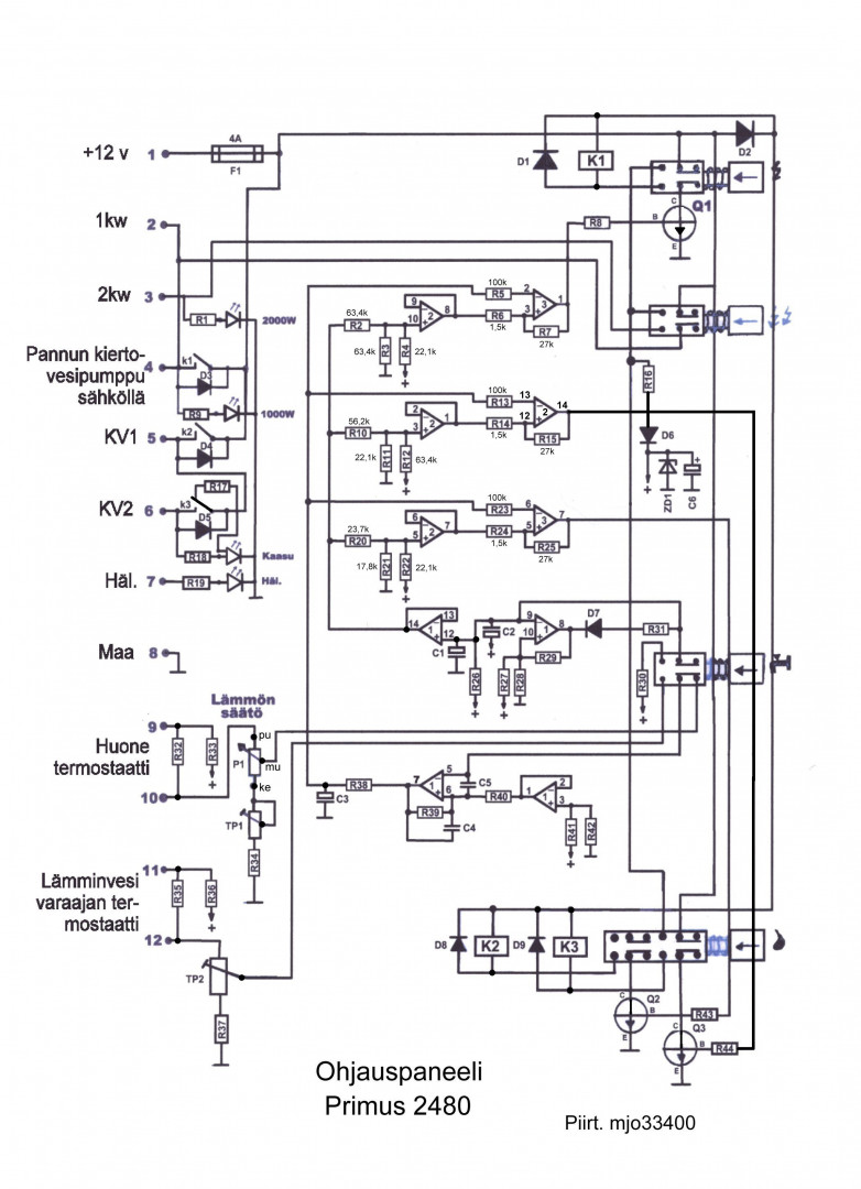
    Matkaaja 7000 kyseessä.
    Tarvitseeko pinnejä 11 ja 12 kytkeä jos ei lämminvesivaraajaa ole käytössä, en ainakaan löytänyt mistään ja WC tilat on muutenkin poistettu ?
    Lisäksi onko paneeleilla mitään merkittävää eroa keskenään, kun tilasin käytetyn paneelin mikä ollut asunto autossa ja itselläni matkaaja 7000 vaunu -88 ?
    Tilattu paneeli ei vielä tullut, mutta kuvasta katsottuna näytti erilaiselta esim.lasisulake näyttäisi puuttuvan...

    *****
    • Matkailija
    • Viimeksi paikalla:10.07.2025 kello on 21:59
    Vs: Primus 2470 lämmitys paneelin kytkentä
    « Vastaus #1 : 13.06.2025 kello on 14:39 »
    Onkin näköjään 2480:sen paneeli minkä tilannut, voiko sitä käyttää 2470 tilalla vai täytyykö tehdä muutoksia?
    Ilmeisesti yksi ylimääräinen rele ?
    Kiitos jo etukäteen 👍

    *****
    • Karavaanari
    • Viimeksi paikalla:eilen kello 17:56
    Vs: Primus 2470 lämmitys paneelin kytkentä
    « Vastaus #2 : 13.06.2025 kello on 17:28 »
    Käy "heittämällä paikaleen ei tarvi muutosta tehdä ,ainoastaan 6 apiko liitin jää tyhjäksi panelissa

    *****
    • Matkailija
    • Viimeksi paikalla:10.07.2025 kello on 21:59
    Vs: Primus 2470 lämmitys paneelin kytkentä
    « Vastaus #3 : 13.06.2025 kello on 21:20 »
    Kiitos tosi paljon vastauksesta, täytyy viikonloppuna kokeilla 👍👍👍

    *****
    • Matkailija
    • Viimeksi paikalla:10.07.2025 kello on 21:59
    Vs: Primus 2470 lämmitys paneelin kytkentä
    « Vastaus #4 : 22.06.2025 kello on 15:59 »
    Nyt on vaihdettu ja juhannuksen testattu ja toimii moitteettomasti  siltä osin👍
    Löysin myös varsinaisen vian, mikä oli  714821:sen rele, mikä jäi silloin tällöin vetämään... vähän kun napautti relettä niin lakkas vetämästä.
    Uudet releet tilauksessa.

    Noita piiri kaavioita 2470:sen kytkentä paneelia ihmetellessä tutkin ja mietin, että voisiko tuollaisen allaolevan digitaalisen termostaatin kytkeä tuohon ?
    Jos voi niin miten johdotukset menee ?
    Miten johdotukset menee, kun alkuperäisellä potikalla kolme johtoa ja miten toi alkuperäinen termostaatti ohitetaan ettei häiritse taustalla ?

    https://kauppa.sintosen.com/product/1188/w3230-termostaatti

    Voi tietysti olla ettei moista tuohon saa, mutta muistan joskus lukeneeni että joku olisi vastaavanlaisen tehnyt?

    *****
    • LämmitinGuru
    • Aluevalvoja
    • Kalustoon kuuluva
    • Viimeksi paikalla:eilen kello 08:32
    Vs: Primus 2470 lämmitys paneelin kytkentä
    « Vastaus #5 : 22.06.2025 kello on 18:44 »
    Nyt on vaihdettu ja juhannuksen testattu ja toimii moitteettomasti  siltä osin👍
    Löysin myös varsinaisen vian, mikä oli  714821:sen rele, mikä jäi silloin tällöin vetämään... vähän kun napautti relettä niin lakkas vetämästä.
    Uudet releet tilauksessa.

    Noita piiri kaavioita 2470:sen kytkentä paneelia ihmetellessä tutkin ja mietin, että voisiko tuollaisen allaolevan digitaalisen termostaatin kytkeä tuohon ?
    Jos voi niin miten johdotukset menee ?
    Miten johdotukset menee, kun alkuperäisellä potikalla kolme johtoa ja miten toi alkuperäinen termostaatti ohitetaan ettei häiritse taustalla ?

    https://kauppa.sintosen.com/product/1188/w3230-termostaatti

    Voi tietysti olla ettei moista tuohon saa, mutta muistan joskus lukeneeni että joku olisi vastaavanlaisen tehnyt?

    En lähtisi virittelemään, mutta voithan kokeilla. Releet noissa yleensä menee, etenkin kaasuohjaus.






    *****
    • Matkailija
    • Viimeksi paikalla:10.07.2025 kello on 21:59
    Vs: Primus 2470 lämmitys paneelin kytkentä
    « Vastaus #6 : 22.06.2025 kello on 20:45 »
    Kiitos neuvoista ja kuvista.
    Tarttis olla 2470:sen kytkentä ja mielellään niin että mihin väliin tuon digitaalisen säädön tuohon laittais ja mitä ottais pois ?

    *****
    • Matkailija
    • Viimeksi paikalla:10.07.2025 kello on 21:59
    Vs: Primus 2470 lämmitys paneelin kytkentä
    « Vastaus #7 : 22.06.2025 kello on 21:19 »
    Jos oikein tulkitsin niin musta ja keltainen kytketään tuohon digitaalisen säätimen  S1:seen ja S2:seen...lisäksi tietysti 12v +ja- digitaaliseen säätimen omiin lähtöihin?
    « Viimeksi muokattu: 22.06.2025 kello on 22:10 »

    *****
    • Matkailija
    • Viimeksi paikalla:10.07.2025 kello on 21:59
    Vs: Primus 2470 lämmitys paneelin kytkentä
    « Vastaus #8 : 27.06.2025 kello on 21:32 »
    Ei tarvinut ottaa kuin musta johto potikasta ja laittaa se digitaali termostaatin S2:seen niin jo toimii.

    *****
    • Matkailija
    • Viimeksi paikalla:10.07.2025 kello on 21:59
    Vs: Primus 2470 lämmitys paneelin kytkentä
    « Vastaus #9 : 27.06.2025 kello on 21:36 »
    Ja tietysti digi termostaatin GND ja S1: nen yhteen ja sitten maadoitus vaikka paneelin nastaan 8 sekä 12 voltin jännitteen Digi termostaatin otin paneelin nastasta 1.

     

    anything