rekisteriseloste

Tiedote rekisteröitymisestä

Jos et ole saanut vahvistusviestiä rekisteröitymisestä si, tarkista roskapostikansiosi. Tämä erityisesti hotmail ja gmail sähköpostin käyttäjille.

Kirjoittaja Aihe: Electrolux 4401  (Luettu 4237 kertaa)

*****
  • Karavaanari
  • Aiheen aloittaja
  • Viimeksi paikalla:12.10.2025 kello on 17:33
Electrolux 4401
« : 21.04.2025 kello on 18:14 »
 Minulla on vaunussa Electrolux RM 4401  joka toimii vain 230:llä. Ohjekirja neuvoo tarkastamaan 12v sulakkeen mutta ei sano missä se on, olisiko tietoo?

*****
  • LämmitinGuru
  • Kalustoon kuuluva
  • Viimeksi paikalla:21.02.2026 kello on 10:33
Vs: Electrolux 4401
« Vastaus #1 : 21.04.2025 kello on 18:57 »
Onko EBL-laturi käytössä?

*****
  • Karavaanari
  • Aiheen aloittaja
  • Viimeksi paikalla:12.10.2025 kello on 17:33
Vs: Electrolux 4401
« Vastaus #2 : 21.04.2025 kello on 19:24 »
 Ei ole, vaunu Solifet S4.

*****
  • LämmitinGuru
  • Kalustoon kuuluva
  • Viimeksi paikalla:21.02.2026 kello on 10:33
Vs: Electrolux 4401
« Vastaus #3 : 22.04.2025 kello on 17:37 »
Onko tämä laturi?






*****
  • LämmitinGuru
  • Kalustoon kuuluva
  • Viimeksi paikalla:21.02.2026 kello on 10:33
Vs: Electrolux 4401
« Vastaus #4 : 22.04.2025 kello on 17:45 »
Minulla on vaunussa Electrolux RM 4401  joka toimii vain 230:llä. Ohjekirja neuvoo tarkastamaan 12v sulakkeen mutta ei sano missä se on, olisiko tietoo?

Tarkoitatko, ettei toimi kaasulla eikä 12 v auton käydessä?

*****
  • Karavaanari
  • Aiheen aloittaja
  • Viimeksi paikalla:12.10.2025 kello on 17:33
Vs: Electrolux 4401
« Vastaus #5 : 24.04.2025 kello on 16:21 »
Tarkoitatko, ettei toimi kaasulla eikä 12 v auton käydessä?
 

   Ei toimi auton käydessäkään 12 voltilla eikä toimi kaasullakaan, 230 v:lla  toimii.
 Vaunu on ollut pitempään kausipaikalla, ja on käytetty vain 230 v:lla.

*****
  • Karavaanari
  • Aiheen aloittaja
  • Viimeksi paikalla:12.10.2025 kello on 17:33
Vs: Electrolux 4401
« Vastaus #6 : 25.04.2025 kello on 11:56 »
 Nyt sain toimimaan kaasulla, mutta hentoinen on liekki, pitää tilata uusi suutin.12 voltilla ei toimi, virtaa ei tule katkaisimelle asti.

*****
  • Kaikkien Kaveri
  • Viimeksi paikalla:eilen kello 22:15
  • RAV 4
Vs: Electrolux 4401
« Vastaus #7 : 25.04.2025 kello on 12:02 »
Tosiaan auton pitää olla käynnissä että 12v toimii!

*****
  • Karavaanari
  • Aiheen aloittaja
  • Viimeksi paikalla:12.10.2025 kello on 17:33
Vs: Electrolux 4401
« Vastaus #8 : 25.04.2025 kello on 13:12 »
Tosiaan auton pitää olla käynnissä että 12v toimii!

 Saisko sen kytkettyä niin että auton ei tarvitse olla käynnissä eikä kytkettynä vaunuun. Katolla on aurinkopaneleita 430 w ja 200 A  livepo4  akkuja jotka jaksaa pitää jääkaapin käynnissä.

*****
  • Kalustoon kuuluva
  • Viimeksi paikalla:eilen kello 22:13
Vs: Electrolux 4401
« Vastaus #9 : 25.04.2025 kello on 14:35 »

 Saisko sen kytkettyä niin että auton ei tarvitse olla käynnissä eikä kytkettynä vaunuun

Saa.
Joku varmaan osaa kertoa, miten se käy helpoiten.

*****
  • LämmitinGuru
  • Kalustoon kuuluva
  • Viimeksi paikalla:21.02.2026 kello on 10:33
Vs: Electrolux 4401
« Vastaus #10 : 25.04.2025 kello on 14:58 »

 Saisko sen kytkettyä niin että auton ei tarvitse olla käynnissä eikä kytkettynä vaunuun. Katolla on aurinkopaneleita 430 w ja 200 A  livepo4  akkuja jotka jaksaa pitää jääkaapin käynnissä.

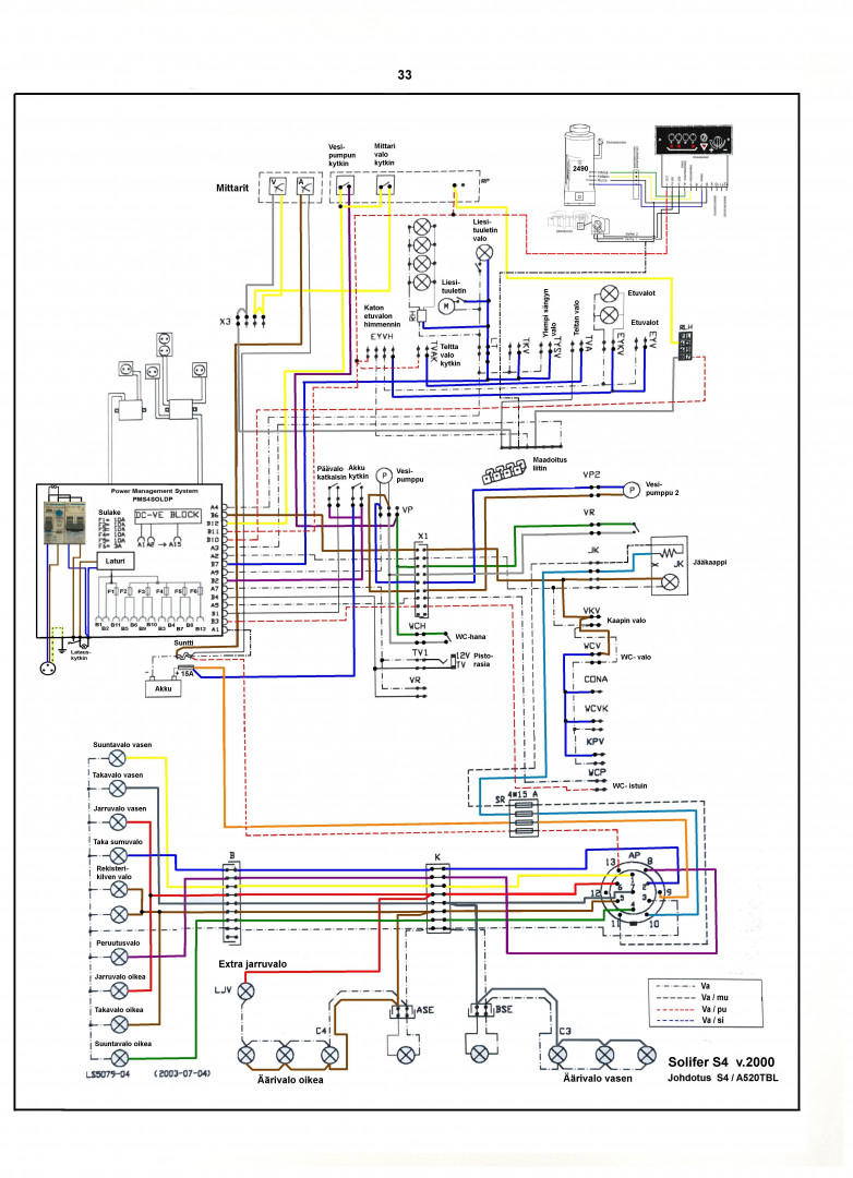
Soliferissa on neljä sulakettä etuosassa vinon vanerin alla, tarkista ne. https://onedrive.live.com/?cid=2B9F6F65CC61240B&id=2B9F6F65CC61240B%21298408&parId=root&o=OneUp



*****
  • LämmitinGuru
  • Kalustoon kuuluva
  • Viimeksi paikalla:21.02.2026 kello on 10:33
Vs: Electrolux 4401
« Vastaus #11 : 25.04.2025 kello on 15:07 »

*****
  • Karavaanari
  • Aiheen aloittaja
  • Viimeksi paikalla:12.10.2025 kello on 17:33
Vs: Electrolux 4401
« Vastaus #12 : 25.04.2025 kello on 17:53 »
Onko se laturi tämä?

  Kyllä siellä on tuollanen laturi, mutta sillä ei ladata, siellä on 12v 20A Livepo4  laturi.

 

anything