rekisteriseloste

Tiedote rekisteröitymisestä

Jos et ole saanut vahvistusviestiä rekisteröitymisestä si, tarkista roskapostikansiosi. Tämä erityisesti hotmail ja gmail sähköpostin käyttäjille.

Kirjoittaja Aihe: Truma boileri ei syty.  (Luettu 14217 kertaa)

*****
  • Matkailija
  • Aiheen aloittaja
  • Viimeksi paikalla:29.04.2024 kello on 20:40
Truma boileri ei syty.
« : 28.04.2024 kello on 21:23 »
Aloitteleva karavaanari täällä kysyy neuvoa boileri asiassa. Vanhempaa mallia oleva trurman lämminvesivaraaja ei siis ota syttyäkseen. Käyttöpaneelista käynnistäessä syttyy ensin vihreä valo ja muutaman sekunnin kuluttua alkaa sytytyskipinät naputtamaan...Noin 10 sekunttia ja syttyy punainen valo.
Irrotin koko varaajan autosta jotta pääsin testaamaan kunnolla. Kipinää tulee polttimelle mutta kaasua ei virtaa polttimelle. Kaasupullo on melko uusi.
Miten tuollaisen boilerin kaasusuuttimen pitäisi oikein toimia ja voiko sitä testata mitenkään?  Voisiko vika olla magneettiventtiilis sä?

Iso kiitos vastauksista jo etukäteen!










« Viimeksi muokattu: 28.04.2024 kello on 21:38 »

*****
  • Kaikkien kaveri Sr.
  • Viimeksi paikalla:11.05.2026 kello on 11:22
  • Escucha el Oi!
Vs: Truma boileri ei syty.
« Vastaus #1 : 28.04.2024 kello on 22:24 »
Ja jakotukin kaasuhana on löytynyt ja avattu? (Kun ei lukenut niin pakko kysyä)

*****
  • Matkailija
  • Aiheen aloittaja
  • Viimeksi paikalla:29.04.2024 kello on 20:40
Vs: Truma boileri ei syty.
« Vastaus #2 : 28.04.2024 kello on 22:29 »
Ja jakotukin kaasuhana on löytynyt ja avattu? (Kun ei lukenut niin pakko kysyä)

Juu jakotukin hana oli auki  Thumb

*****
  • Kaikkien Kaveri
  • Viimeksi paikalla:29.03.2026 kello on 17:08
Vs: Truma boileri ei syty.
« Vastaus #3 : 28.04.2024 kello on 22:43 »
Voisiko vika olla magneettiventtiilis sä?

Ihan mahdollista, jos venttiili ei vedä. Pitäisi kolahtaa sen verran että sen kyllä kuulee. Voi se vika olla liittimessä tai piirilevylläkin.

Osaatko mitata venttiilin käämit yleismittarin vastusmittauksella?
1 ja 2 liittimien väliltä ja
1 ja 3 liittimien väliltä.

Voi sen testata jännitteelläkin, jos ei ole mittaria.

https://karavaanari.org/kuvat/1527326946.jpg

*****
  • Matkailija
  • Aiheen aloittaja
  • Viimeksi paikalla:29.04.2024 kello on 20:40
Vs: Truma boileri ei syty.
« Vastaus #4 : 28.04.2024 kello on 23:03 »
Ihan mahdollista, jos venttiili ei vedä. Pitäisi kolahtaa sen verran että sen kyllä kuulee. Voi se vika olla liittimessä tai piirilevylläkin.

Ei kuulu mitään ääntä itse venttiilistä kun yritän käynnistää boileria. Onko ideasi piipata siis mittarilla liittimien 1-2 ja 1-3 välillä että käämi lanka on ehyt, vai ymmärsinkö oikein?

Kiitos piirikaaviosta!

*****
  • LämmitinGuru
  • Kalustoon kuuluva
  • Viimeksi paikalla:tänään kello 06:55
Vs: Truma boileri ei syty.
« Vastaus #5 : 29.04.2024 kello on 08:46 »
Ota nyt kuva piirilevystä niin nähdään mikä malli on kysymyksessä? Piirilevyvialta vaikuttaa.

*****
  • Matkailija
  • Aiheen aloittaja
  • Viimeksi paikalla:29.04.2024 kello on 20:40
Vs: Truma boileri ei syty.
« Vastaus #6 : 29.04.2024 kello on 10:08 »
Ota nyt kuva piirilevystä niin nähdään mikä malli on kysymyksessä? Piirilevyvialta vaikuttaa.
Huomenta tässä olisi kuva piirilevystä.






*****
  • Matkailija
  • Aiheen aloittaja
  • Viimeksi paikalla:29.04.2024 kello on 20:40
Vs: Truma boileri ei syty.
« Vastaus #7 : 29.04.2024 kello on 10:16 »
[quote
Osaatko mitata venttiilin käämit yleismittarin vastusmittauksella?
1 ja 2 liittimien väliltä ja
1 ja 3 liittimien väliltä.

Voi sen testata jännitteelläkin, jos ei ole mittaria.

https://karavaanari.org/kuvat/1527326946.jpg
[/quote]

Vianhaku jatkuu....mittasin liittimien välisen ohmiarvon.
1-2 pinnit= 316 ohmia
1-3 pinnit = 1633 ohmia
Ainakaan käämi ei ilmeisesti ole rikki?

Käynnistin nyt aamulla  boileria työpöydällä ja mittaisin että liittimien 1-2 välille tulee 12V jänniten noin kolmen sekunnin kuluttua virtanapin kytkemisestä----->käämi saa jännitettä. Voisiko tämä kohdistaa vikaepäilyt sitten itse ventiiliin? 
Voiko kaasuventtiilin toimintaa testata mitenkään esimerkiksi tavallisella magneetilla? Jotenkin tuntuu että se on jumiutunut...

*****
  • Kaikkien Kaveri
  • Viimeksi paikalla:29.03.2026 kello on 17:08
Vs: Truma boileri ei syty.
« Vastaus #8 : 29.04.2024 kello on 11:12 »
Mittaa tuleeko vetokäämille (1-3 liittimet) 12v startissa.

Pelkällä pitokäämillä (1-2) ei jaksa vetää.

*****
  • Matkailija
  • Aiheen aloittaja
  • Viimeksi paikalla:29.04.2024 kello on 20:40
Vs: Truma boileri ei syty.
« Vastaus #9 : 29.04.2024 kello on 12:23 »
Mittaa tuleeko vetokäämille (1-3 liittimet) 12v startissa.

Pelkällä pitokäämillä (1-2) ei jaksa vetää.

Joo taitaa olla tuo virtapiirikuva sittenkin eri piirikortista. Huomasin että käämiltä lähtee kolme johtoa...Vihreä, joka menee liittimeen 1, punainen joka menee liittimeen 2, ja lopuksi musta joka menee liittimeen seitsemän.  Liittimessä kolme on kipinäboksille menevä +plus johto. Liittimessä seitsemän on mustan käämiltä tulevan johdon kanssa myös kipinäboksille menevä -miinus johto.

-Liittimen yksi(vihreä) ja kaksi(punainen) välillä on 12V jännite käynnistyksessä
-Liittimen yksi(vihreä) ja seitsemän (musta) välillä on 12v jännite käynnistyksessä
-Liittimen kaksi(punainen) ja seitsemän(musta) välillä ei ole jännitettä käynnistyksessä

-Liittimen yksi(vihreä) ja kaksi(punainen) välillä on 316ohmia
-Liittimen yksi(vihreä) ja seitsemän (musta) välillä on 307ohmia
-Liittimen kaksi(punainen ja seitsemän (musta) välillä on 11ohmia ja mittari piippaa oikosulkua










*****
  • Kaikkien Kaveri
  • Viimeksi paikalla:29.03.2026 kello on 17:08
Vs: Truma boileri ei syty.
« Vastaus #10 : 29.04.2024 kello on 13:37 »
Vaikuttaisi siltä että molemmat käämit on ehjiä.

Mjo varmaan postaa oikean kortin kytkentäkuvan, jos sellainen löytyy.

*****
  • Matkailija
  • Aiheen aloittaja
  • Viimeksi paikalla:29.04.2024 kello on 20:40
Vs: Truma boileri ei syty.
« Vastaus #11 : 29.04.2024 kello on 14:14 »
Vaikuttaisi siltä että molemmat käämit on ehjiä.

Mjo varmaan postaa oikean kortin kytkentäkuvan, jos sellainen löytyy.

Jep. Kokeilin vielä ruuvimeisselin kärjellä käämin sisään käynnistys vaiheessa. Selvästi käämi magnetisoitui, mutta venttiili ei inahdakkaan, eikä päästä läpi mitään. 

*****
  • LämmitinGuru
  • Kalustoon kuuluva
  • Viimeksi paikalla:tänään kello 06:55
Vs: Truma boileri ei syty.
« Vastaus #12 : 29.04.2024 kello on 22:10 »
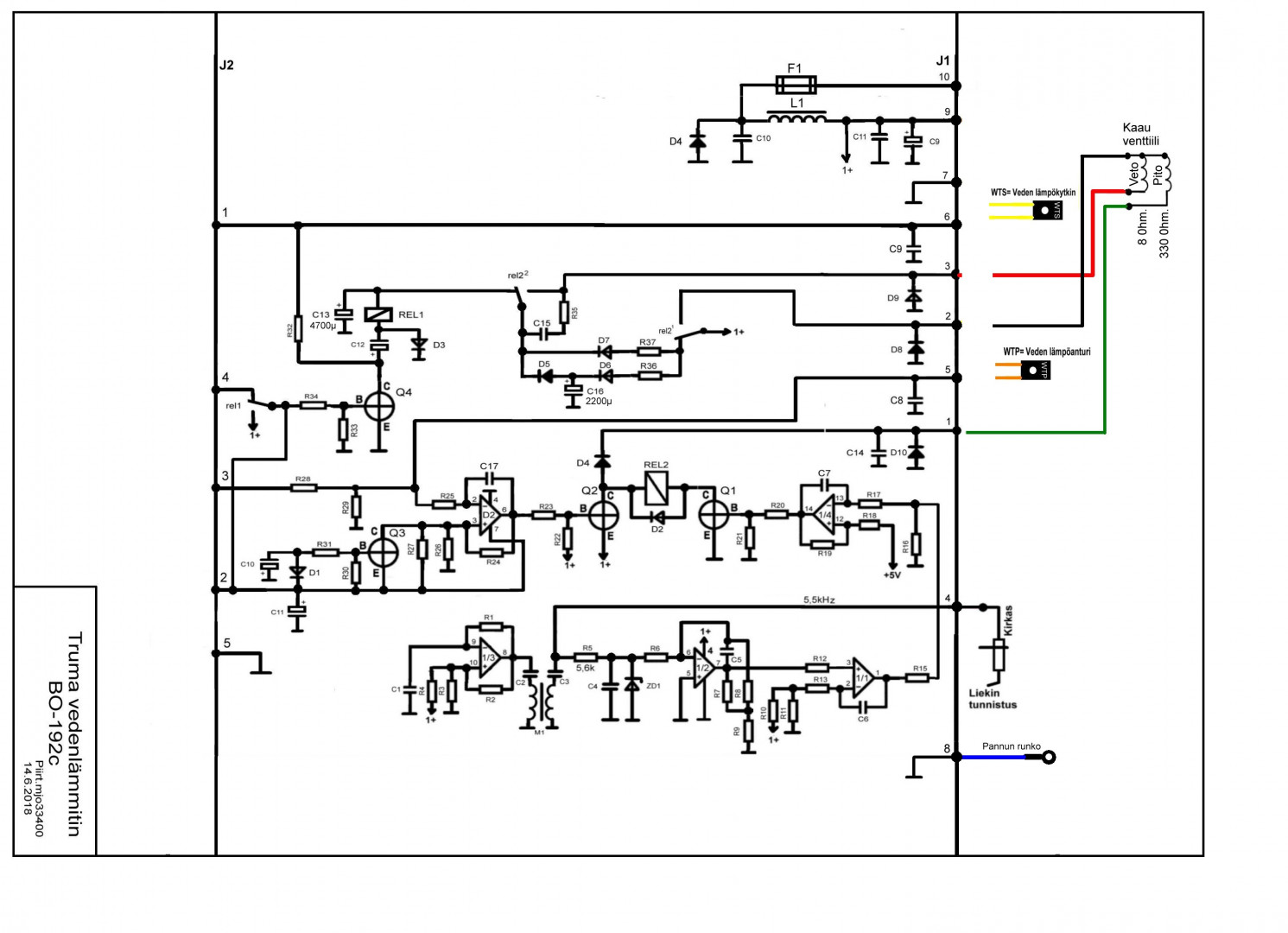
Tosta piirilevystä en ole piirtänyt kytkentäkuvaa. Noi vastusarvot ei ole oikein. Vetokäämi noin 5 ohmia ja pito noin 300 ohmia. Mikä piirilevyn tyyppi on? Lukee juotospuolella.

*****
  • LämmitinGuru
  • Kalustoon kuuluva
  • Viimeksi paikalla:tänään kello 06:55
Vs: Truma boileri ei syty.
« Vastaus #13 : 29.04.2024 kello on 22:13 »
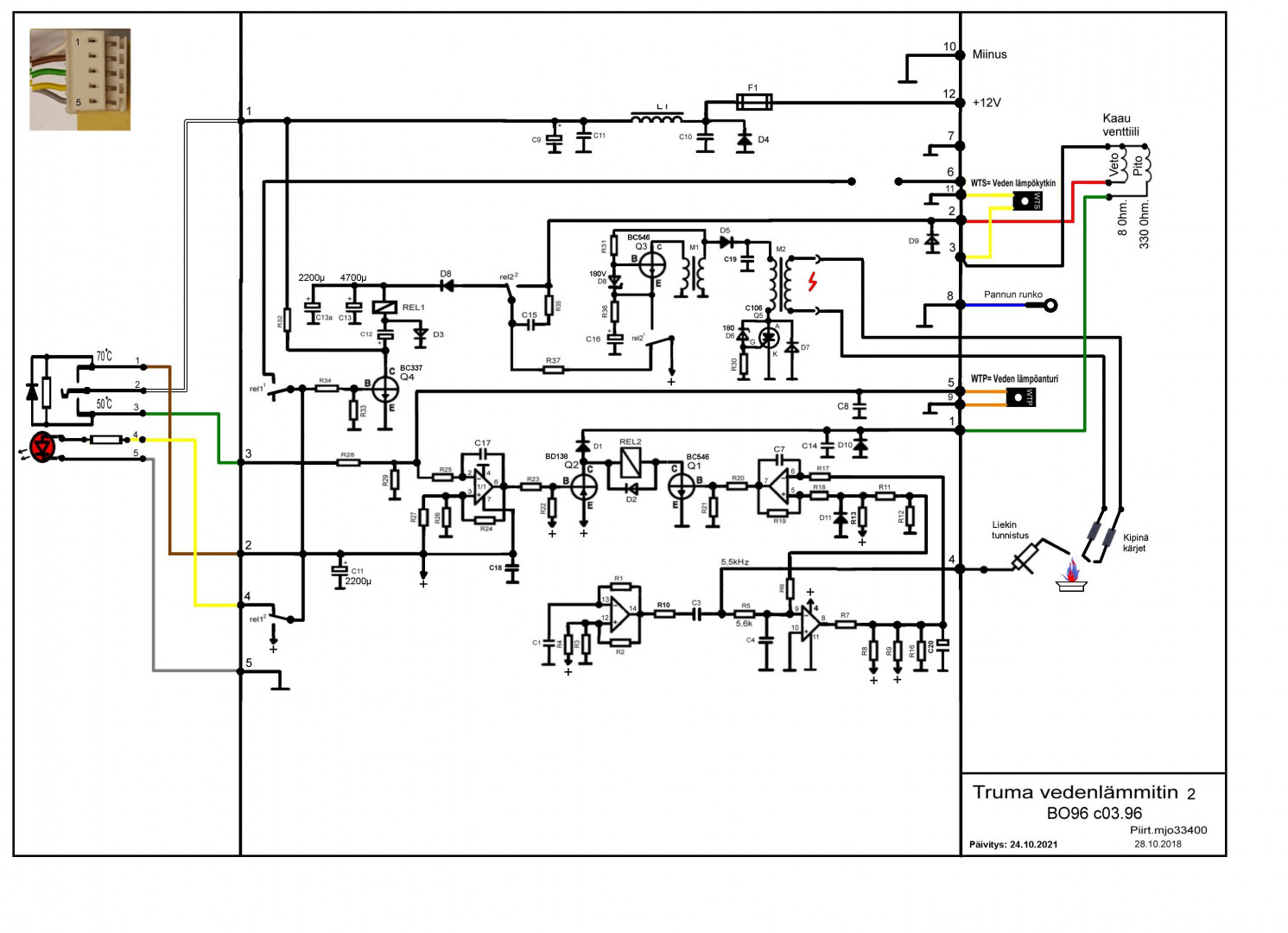
Tassä on 192c-malli. Kytkentä voi olla sama ainakin kun layauttia katsoo. Toinen kytkentäkuva on eri mallista jossa kipinämuuntaja on piirilevylla, mutta kytkennässä samankaltaisuutta. Mittaa se veden lämpökytkin, ne nastat voi oikosulkea testin ajaksi jos on poikki.








« Viimeksi muokattu: 29.04.2024 kello on 22:31 »

 

anything