rekisteriseloste

Tiedote rekisteröitymisestä

Jos et ole saanut vahvistusviestiä rekisteröitymisestä si, tarkista roskapostikansiosi. Tämä erityisesti hotmail ja gmail sähköpostin käyttäjille.

Kirjoittaja Aihe: Primus 714821 Sähköpatruuna  (Luettu 27922 kertaa)

*****
  • LämmitinGuru
  • Aluevalvoja
  • Kalustoon kuuluva
  • Viimeksi paikalla:eilen kello 09:35

*****
  • Matkailija
  • Viimeksi paikalla: 1.07.2025 kello on 17:22
Vs: Primus 714821 Sähköpatruuna
« Vastaus #76 : 23.10.2022 kello on 15:24 »
Se voi kyllä olla tosi että on tarkoitettu. Vortexin pumppua kyllä käytetään putkiliitäntöihin kiinnitettynä myös. Se voi olla että ei saa nestettä kiertämään oikein. Sitten yksi huomion arvoinen seikka on että kestääkö glykolia. No kunhan ajan kuluksi tutkailen eri vaihtoehtoja.

*****
  • Karavaanari
  • Aiheen aloittaja
  • Viimeksi paikalla:31.12.2025 kello on 16:28
Vs: Primus 714821 Sähköpatruuna
« Vastaus #77 : 23.10.2022 kello on 15:27 »
Olisi viellä senverran kysymystä piirilevyn juotoksista, onko väliä minkälaisella tinalla juottaa jalat kiinni yms piirilevyyn? Kelpaako perus lyijytön? Juotostina jota löytyy rautakaupoista? Ja ilmeisesti vanhan tinan poisto onnistuu ihan tinaimurilla? Aivan uusia juttuja mulle :) ja riittääkö kolviksi esim 30-60w perusmallia sekin?

*****
  • Karavaanari
  • Aiheen aloittaja
  • Viimeksi paikalla:31.12.2025 kello on 16:28
Vs: Primus 714821 Sähköpatruuna
« Vastaus #78 : 23.10.2022 kello on 19:04 »
Noh, kaitpa tämä tästä, sulakkeen jalka tinattu kiinni ensitöikseen, hyvin näky tarttuvan, seuraavaksi pitää huomenna kysellä löytyisikö tuo rele paikanpäältä myymälästä vai täytyykö tilata aiemmin mainitusta linkistä :)






*****
  • Kalustoon kuuluva
  • Viimeksi paikalla:tänään kello 07:36
  • Autossa on pyörät
Vs: Primus 714821 Sähköpatruuna
« Vastaus #79 : 23.10.2022 kello on 19:11 »
Näytti hän noita partcossa olevan. Voit ostaa ne jo netin kautta ja hakea tuulikaapin automaatista. Laittavat lokeroon ja sulle koodin millä aukeaa.

*****
  • Kaikkien Kaveri
  • Viimeksi paikalla:31.01.2026 kello on 23:54
Vs: Primus 714821 Sähköpatruuna
« Vastaus #80 : 23.10.2022 kello on 22:35 »
Vara patruunassa taisi olla joku uudempi muovi kuorinen Vortex, täytyy tarkastaa mikä malli kyseessä.
Vortex BW 152 oT 6920111 näkyy olevan.



*****
  • Karavaanari
  • Aiheen aloittaja
  • Viimeksi paikalla:31.12.2025 kello on 16:28
Vs: Primus 714821 Sähköpatruuna
« Vastaus #81 : 26.10.2022 kello on 10:15 »
Onkohan nuissa vortexin BW-152 pumppuissa eroa,  kun tuo alempi tyyppinumero vaihtelee vaikka itse pumpun malli sama 152. :) tilasin partcolta releitä ohjaustauluun Thumb , täytyy nyt  koittaa selvittää että miksi alunperin sulasi,  voisiko irtiollut sulakkeen jalka olla osasyyllinen ja loppusyyllinen relekytkennässä, täytyy tutkia. Mietin relettä jonka laitoin että voisiko se olla oikosulussa jo valmiiksi? Vai onko se edes mahdollista,  rele on aivan uusi paketista otettu. Laitan myös suojatut abikot johtoihin jotka releelle laitettu, voihan sekin olla kuten aiemmin mainittu että osui pannun kylkeen boksin alla. :laugh:

*****
  • LämmitinGuru
  • Aluevalvoja
  • Kalustoon kuuluva
  • Viimeksi paikalla:eilen kello 09:35
Vs: Primus 714821 Sähköpatruuna
« Vastaus #82 : 26.10.2022 kello on 11:09 »
Onkohan nuissa vortexin BW-152 pumppuissa eroa,  kun tuo alempi tyyppinumero vaihtelee vaikka itse pumpun malli sama 152. :)

Toinen malli on 12V ohjauksella ja toinen suoraan verkkoon kytketty.

*****
  • Kaikkien Kaveri
  • Viimeksi paikalla:31.01.2026 kello on 23:54
Vs: Primus 714821 Sähköpatruuna
« Vastaus #83 : 26.10.2022 kello on 11:15 »
Mietin relettä jonka laitoin että voisiko se olla oikosulussa jo valmiiksi? Vai onko se edes mahdollista,  rele on aivan uusi paketista otettu. Laitan myös suojatut abikot johtoihin jotka releelle laitettu, voihan sekin olla kuten aiemmin mainittu että osui pannun kylkeen boksin alla. :laugh:
Noin 80 ohmia on irrallisen 12v autoreleen vetokäämin resistanssi, yleismittarilla näkee onko se kunnossa.

*****
  • Karavaanari
  • Aiheen aloittaja
  • Viimeksi paikalla:31.12.2025 kello on 16:28
Vs: Primus 714821 Sähköpatruuna
« Vastaus #84 : 31.10.2022 kello on 21:19 »
Jeps, noh nyt on uusia releitä tullut postissa ja yksi vaihdettuna, laitoin ihan huvikseen pari kuvaa liitteeksi :laugh: pieni kolvi on kyllä todellakin tarpeen tuossa touhussa.






*****
  • LämmitinGuru
  • Aluevalvoja
  • Kalustoon kuuluva
  • Viimeksi paikalla:eilen kello 09:35
Vs: Primus 714821 Sähköpatruuna
« Vastaus #85 : 1.11.2022 kello on 09:36 »
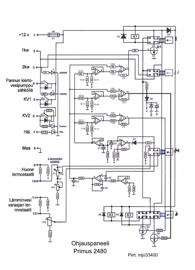
Tässä kytkentäkuvat paneelista.






*****
  • Karavaanari
  • Aiheen aloittaja
  • Viimeksi paikalla:31.12.2025 kello on 16:28
Vs: Primus 714821 Sähköpatruuna
« Vastaus #86 : 4.11.2022 kello on 17:23 »
Paneeli paikallaan, kiertovesipumppu pyörii kun kaasun painaa päälle, muuta ei tapahdu, hehkulle tulee virtaa sytytyskäsky päällä 0.33v, kaasuventtiili ei vedä. Mistäköhän jatkais tutkintaa?
« Viimeksi muokattu: 4.11.2022 kello on 17:43 »

*****
  • LämmitinGuru
  • Aluevalvoja
  • Kalustoon kuuluva
  • Viimeksi paikalla:eilen kello 09:35
Vs: Primus 714821 Sähköpatruuna
« Vastaus #87 : 4.11.2022 kello on 17:46 »
Tuleeko pyrostaatin keltaiseen johtoon 12 volttia? Mittaa tuon ohjeen mukaisesti. https://karavaanari.org/index.php/topic,11.msg55.html#msg55

Meneekö lämmitin häiriöön?

*****
  • Karavaanari
  • Aiheen aloittaja
  • Viimeksi paikalla:31.12.2025 kello on 16:28
Vs: Primus 714821 Sähköpatruuna
« Vastaus #88 : 4.11.2022 kello on 17:54 »
Juuri mittasin ketjussa, kyseisen kuvan mukaan, pyrostaatille tulee 12,18v vesitermostaatilta, pyrostaatin toinen nasta 0v, lämmitin ei mene häiriölle.

*****
  • LämmitinGuru
  • Aluevalvoja
  • Kalustoon kuuluva
  • Viimeksi paikalla:eilen kello 09:35
Vs: Primus 714821 Sähköpatruuna
« Vastaus #89 : 4.11.2022 kello on 18:06 »
Juuri mittasin ketjussa, kyseisen kuvan mukaan, pyrostaatille tulee 12,18v vesitermostaatilta, pyrostaatin toinen nasta 0v, lämmitin ei mene häiriölle.

Keltaiseen ei siis tule jännitettä? Oikosulje ruuvarilla keltainen ja sininen johto, vetääkö kaasuventtiili?

 

anything