rekisteriseloste

Tiedote rekisteröitymisestä

Jos et ole saanut vahvistusviestiä rekisteröitymisestä si, tarkista roskapostikansiosi. Tämä erityisesti hotmail ja gmail sähköpostin käyttäjille.

Kirjoittaja Aihe: Toimiiko näin ?  (Luettu 6231 kertaa)

  • Vieras
  • Toimiiko näin ?
    « : 26.05.2021 kello on 16:40 »
    Mietinnässä laittaa invertteriltä johto maasähköön jolloin vaunussa olisi verkkovirtaa käytettävissä kaikissa pistorasioissa. Tämä olisi manuaalisesti toteutettavissa ilman mitään releitä, kunhan syöttää siniaaltoa... Toimiiko ?

    *****
    • Saittisähläri
    • Kalustoon kuuluva
    • Viimeksi paikalla: 1.04.2026 kello on 22:38
    • Epsoo
    Vs: Toimiiko näin ?
    « Vastaus #1 : 26.05.2021 kello on 16:41 »
    Ei toimi noin.

    Pitäisi ainakin vaunun akkulaturi, lämmitin ja muut mahdolliset 230V vermeet poistaa virtapiiristä siksi aikaa.

    *****
    • Saittisähläri
    • Kalustoon kuuluva
    • Viimeksi paikalla: 1.04.2026 kello on 22:38
    • Epsoo
    Vs: Toimiiko näin ?
    « Vastaus #2 : 26.05.2021 kello on 16:43 »
    Tarvitset tämmöisen ja sähkärin asentamaan sen.

    https://www.amperewinkel.nl/fi/product/xenteq-pts-230-25-omschakel-relais-omvormer-walstroom-230vac-12-volt-24v-omvormers/

    *****
    • Kaikkien Kaveri
    • Viimeksi paikalla:tänään kello 20:40
    • RAV 4
    Vs: Toimiiko näin ?
    « Vastaus #3 : 26.05.2021 kello on 16:52 »
    Ei toimi noin.

    Pitäisi ainakin vaunun akkulaturi, lämmitin ja muut mahdolliset 230V vermeet poistaa virtapiiristä siksi aikaa.

    Tokihan se toimii! Pitää vaan huomioida että kaikki laitteet mitkä on pistorasiassa ja päällä kuluttaa virtaa! Eikä laittaa verkkojohtoa kiinni maasähköön!

    *****
    • Kaikkien kaveri Sr.
    • Viimeksi paikalla:31.07.2025 kello on 19:14
    Vs: Toimiiko näin ?
    « Vastaus #4 : 26.05.2021 kello on 16:54 »
    Jos laittaa johdon ilvertterin lähdöstä maasähkön syöttöön, miksei toimisi. Tällöin kaikki laitteet jotka ovat käytössä maasähköllä ovat päällä. Akut eivät taida riittää.
    Jos tällaisia asioita pitää täältä kysellä, unohda koko juttu.
    Mike ehti ensin.

    *****
    • Kaikkien Kaveri
    • Viimeksi paikalla: 1.04.2026 kello on 22:38
    Vs: Toimiiko näin ?
    « Vastaus #5 : 26.05.2021 kello on 17:00 »
    Helpoin ratkaisu on kytketyttää tämmöinen
    https://www.mg-engineering.fi/productGallery/products.php?t=2&i=99&lp=6&l=fi






    Edit: 99 linkissä olikin vastaava tuote

    *****
    • Kalustoon kuuluva
    • Viimeksi paikalla:tänään kello 21:47
    • Autossa on pyörät
    Vs: Toimiiko näin ?
    « Vastaus #6 : 26.05.2021 kello on 17:18 »
    Mitenkäs eroitatte jääkaapin/lämmittimen ja EBL:n sähkönsyötön pois invertterin syöttämästä verkosta?
    Ettei tule looppia eli EBL lataa akkua syötöllä mikä tulee akusta invertterin kautta ? ;)

    *****
    • Saittisähläri
    • Kalustoon kuuluva
    • Viimeksi paikalla: 1.04.2026 kello on 22:38
    • Epsoo
    Vs: Toimiiko näin ?
    « Vastaus #7 : 26.05.2021 kello on 17:22 »
    Ettei tule looppia eli EBL lataa akkua syötöllä mikä tulee akusta invertterin kautta ? ;)

    Nämä eräät luulevat keksineensä ikiliikkujan, kun ei tartte akkulaturia irroittaa virtapiiristä :laugh:

    *****
    • Kaikkien kaveri Sr.
    • Viimeksi paikalla:tänään kello 22:16
    • Lempäälä
    Vs: Toimiiko näin ?
    « Vastaus #8 : 26.05.2021 kello on 17:37 »
      Meillä Arvo teki niin, että jääkaapin ja akkulaturin jälkeen maasähkö päättyy pistorasiaan. Siitä jatkuu jakorasialle  pistotulpan ja taipuisan kaapelin kautta. Tämä pistotulppa voidaan vaihtaa invertterin ja maasähkön välillä tarpeen mukaan manuaalisesti. Kerran on ollut maasähköllä kokeilumielessä, kait 10 v. pärjätty invertteri sähköllä.
      Jokainen tietenkin tarpeidensa ja mieltymystensä mukaan. Me kun ollaan vain kotipihassa maasähkössä. Viime reissulla en edes Onnelassa vetänyt ilmaista sähköä.

    *****
    • LämmitinGuru
    • Aluevalvoja
    • Kalustoon kuuluva
    • Viimeksi paikalla:eilen kello 08:56
    Vs: Toimiiko näin ?
    « Vastaus #9 : 26.05.2021 kello on 18:57 »
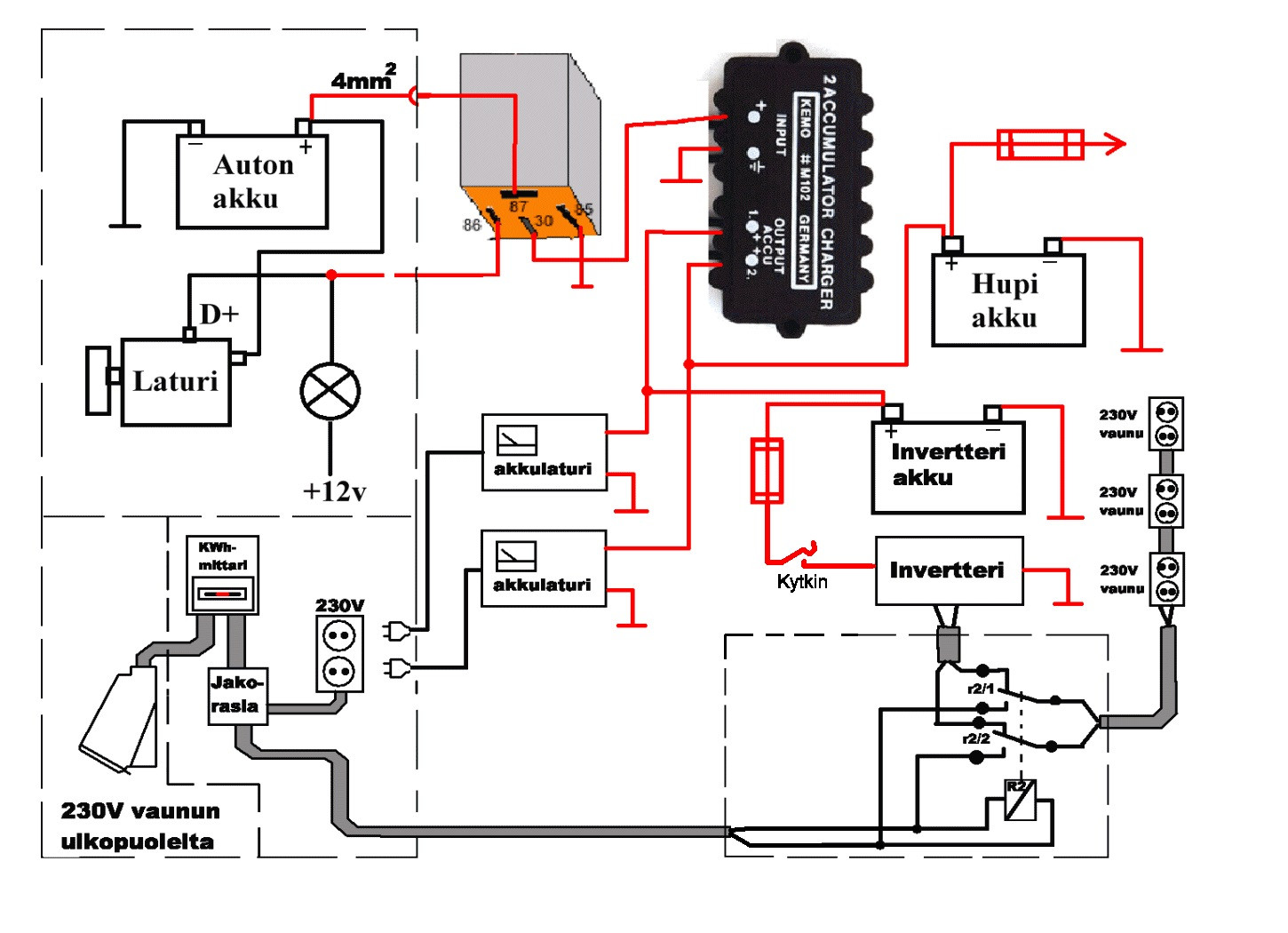
    Tämmöisen kytkennän piirsin joskus 20 vuotta sitte. Periaate on kuvan mukainen, käyttää sitten välireleitä tai aiemmin kerrottuja pokseja.



    *****
    • Matkailija
    • Viimeksi paikalla:29.04.2022 kello on 19:24
    Vs: Toimiiko näin ?
    « Vastaus #10 : 26.05.2021 kello on 20:11 »
    Empä tiijä miten hitekki tuommonen ametisti on mutta, ysäri vehkeessä oon auton invertterillä käyttänyt vaunun laitteistoo, vaunu syötön kautta, ja joskus tehny akkuun tilaa laittamalla vaunun invertteristä ,ikkunan raosta johdon vaunun sähkösyöttöön ja ajanu 1kw lämmitintä.

    *****
    • Karavaanari
    • Viimeksi paikalla:31.03.2026 kello on 09:43
    Vs: Toimiiko näin ?
    « Vastaus #11 : 26.05.2021 kello on 20:35 »
    Itsehän vedin invertterin kahdelta lähdöltä johdot omiin asennettuihin pistorasioihin. Helppoa ja yksinkertaista.

    *****
    • Kalustoon kuuluva
    • Viimeksi paikalla:tänään kello 21:47
    • Autossa on pyörät
    Vs: Toimiiko näin ?
    « Vastaus #12 : 26.05.2021 kello on 20:41 »
    No nämä kaksi edellistä ei liity mitenkään aiheeseen. Eli miten saamme automaattivaihdon tai kaukosäätimellä toteutetun , missä auton/ vaunun kaikki pistorasiat tunkee verkkosähköä. Ja akkulaturi jne poistuu käytöstä invertterin syöttäessä.
    Edit MJO on kyllä piirtänyt sen.
    « Viimeksi muokattu: 26.05.2021 kello on 21:04 »

    *****
    • Kaikkien kaveri Sr.
    • Viimeksi paikalla:31.07.2025 kello on 19:14
    Vs: Toimiiko näin ?
    « Vastaus #13 : 26.05.2021 kello on 20:49 »
    Jos tällaista toimintaa tarvitsisin, laittaisin autoon kontaktorin jolla valitaan autoon tuleva sähkösyöttö Siihen tarvittava määrä apukärkiä joilla ohjataan tarvittavia laitteita.

    *****
    • Karavaanari
    • Viimeksi paikalla: 1.04.2026 kello on 19:28
    Vs: Toimiiko näin ?
    « Vastaus #14 : 26.05.2021 kello on 21:49 »
    Sattumalta juuri tänään sähkäri asensi tuon Humoristin linkittämän relerasian.
    Adriassa on tuossa sulakkeiden alla tuplat kytkentärimat, ne erotettiin poistamalla liuskat ja toiseen rimaan jäi syöttö maasähköstä ja lähdöt laturille, jääkaapille ja releboksin liitäntään AC2. Toiselle puolelle tulo releboksilta ja lähdöt pistorasioille.
    Releboksin liitäntään AC1 tulee johto invertteriltä.

    Melko yksinkertainen asentaa ja täysin automaattinen käytössä.








     

    anything