rekisteriseloste

Tiedote rekisteröitymisestä

Jos et ole saanut vahvistusviestiä rekisteröitymisestä si, tarkista roskapostikansiosi. Tämä erityisesti hotmail ja gmail sähköpostin käyttäjille.

Kirjoittaja Aihe: Dometic b2200 Dethleffs asuntoauto  (Luettu 19365 kertaa)

*****
  • Matkailija
  • Aiheen aloittaja
  • Viimeksi paikalla:16.03.2023 kello on 16:55
Dometic b2200 Dethleffs asuntoauto
« : 12.04.2021 kello on 11:29 »
Tervehdys,

Minulla on Dethleffsin täysintegroitu asuntoauto vuosimalli 2008. Siinä on Dometic:in b2200 ilmastointilaite joka ei puhalla kunnolla kylmää. Eilen puhdistin ko. laitetta mutta ei auttanut. Näyttää siltä että kaikki toiminnot toimii paitsi ei tulee kylmää  :) Yritin katsoa että meneekö kompressori käyntiin, oli hiljainen käynti, just ja just pystyi kulemaan jotain ääntä ja ensin se vaan käynnistyi alle 10 sekuntia kerrallaan joka toinen minuutti, itse kompressori kyllä sitten lämpeni kunnolla....

Kannattaako tällaista 13 vanhaa laitetta kunnostaa/huoltaa vai ostaa uuden (jos on vara), minne kannattaisi viedän huoltoon Helsinki-Lohja-Turku akselilla?

/Frank





*****
  • Kaikkien Kaveri
  • Viimeksi paikalla:29.03.2026 kello on 17:08
Vs: Dometic b2200 Dethleffs asuntoauto
« Vastaus #1 : 12.04.2021 kello on 12:49 »
Oliko auton lämpötila yli 18 astetta kun kokeilit?

*****
  • Matkailija
  • Aiheen aloittaja
  • Viimeksi paikalla:16.03.2023 kello on 16:55
Vs: Dometic b2200 Dethleffs asuntoauto
« Vastaus #2 : 12.04.2021 kello on 12:53 »
Kyllä, sisälämpötila +19.5 astetta!

Frank

*****
  • Kaikkien Kaveri
  • Viimeksi paikalla:tänään kello 15:17
  • RAV 4
Vs: Dometic b2200 Dethleffs asuntoauto
« Vastaus #3 : 12.04.2021 kello on 12:57 »
Kyllähän se kompura mielestäni pitää kyllä aika kovan pärinän käydessään. Jospa se vaan yrittää lähteä käyntiin muttei jaksa. Kannattaa käydä edes näyttämässä huollossa!

*****
  • Kaikkien Kaveri
  • Viimeksi paikalla:29.03.2026 kello on 17:08
Vs: Dometic b2200 Dethleffs asuntoauto
« Vastaus #4 : 12.04.2021 kello on 13:13 »
Lähtikö ulko flektit pyörimään?

Tuossa ei taida olla kylmäaineen paineelle kytkinta, joten yrittää tehdä kylmää vaikka aineet on vähissä ja kompura lämpenee kuten huomasit.
Tuossa tapauksessa saattaa pelata muutaman kympin täytöllä seuraavat 10 vuotta.


*****
  • Matkailija
  • Aiheen aloittaja
  • Viimeksi paikalla:16.03.2023 kello on 16:55
Vs: Dometic b2200 Dethleffs asuntoauto
« Vastaus #5 : 12.04.2021 kello on 14:24 »
Joo, kyllä ulkoflekti lähti pyörimään. Kopmpressori ei pitänyt ääntä kun vain hiljaista suhinaa, onko niin että yrittää lähteä käyntiin mutta ei lähde? Kpompura kuitenkin erittäin lämmin...

/Frank
 

*****
  • LämmitinGuru
  • Aluevalvoja
  • Kalustoon kuuluva
  • Viimeksi paikalla:tänään kello 08:12
Vs: Dometic b2200 Dethleffs asuntoauto
« Vastaus #6 : 12.04.2021 kello on 15:42 »
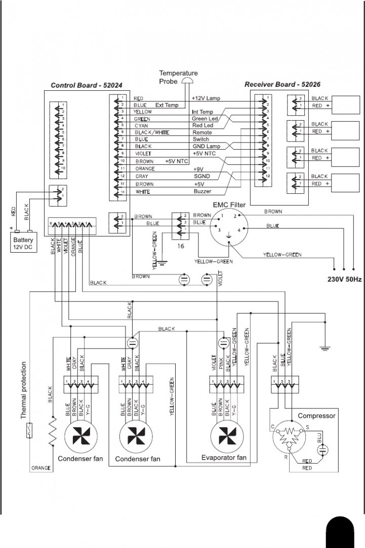
Kompuran moottorista on voinut konkka heikentyä. Tämä kytkentäkuva on Elektrolux 1901 mallista eli Dometic. En usko, että hirveästi eroaa 2200:sta.


« Viimeksi muokattu: 12.04.2021 kello on 21:44 »

*****
  • Kaikkien Kaveri
  • Viimeksi paikalla: 7.05.2026 kello on 17:14
    • Matkailuvinkkejä
Vs: Dometic b2200 Dethleffs asuntoauto
« Vastaus #7 : 12.04.2021 kello on 17:26 »
Kyllä, sisälämpötila +19.5 astetta!

Frank

Mitä lämpötilaa pyysit?
Voi olla vielä liian viileää.

*****
  • Matkailija
  • Aiheen aloittaja
  • Viimeksi paikalla:16.03.2023 kello on 16:55
Vs: Dometic b2200 Dethleffs asuntoauto
« Vastaus #8 : 12.04.2021 kello on 18:17 »
Pyysin +16 astetta, mutta sisälämpötila pysyi +19.5 asteessa.

*****
  • Kaikkien Kaveri
  • Viimeksi paikalla: 7.05.2026 kello on 17:14
    • Matkailuvinkkejä
Vs: Dometic b2200 Dethleffs asuntoauto
« Vastaus #9 : 12.04.2021 kello on 19:20 »
Mistähän tuo mittaa lämpötilan?
Kun se kuitenkin on laitteena ulkoilman lämpötilassa.
Odotteleisin lämpimämpää säätä ja testaisin kesemmällä uudelleen.

*****
  • Kalustoon kuuluva
  • Viimeksi paikalla:tänään kello 12:44
Vs: Dometic b2200 Dethleffs asuntoauto
« Vastaus #10 : 12.04.2021 kello on 20:07 »
Kompuran moottorista on voinut konkka heikentyä.

Saattaa pitää paikkansa.
Se konkka taitaa olla siellä katolla, kompuran vieressä.
(tai sitten muistan väärin)

*****
  • Kalustoon kuuluva
  • Viimeksi paikalla:tänään kello 11:16
Vs: Dometic b2200 Dethleffs asuntoauto
« Vastaus #11 : 12.04.2021 kello on 21:20 »
Saattaa pitää paikkansa.
Se konkka taitaa olla siellä katolla, kompuran vieressä.
(tai sitten muistan väärin)
Sisäyksikön kun laskee alas, niin konkka löytyy sen takaa, ei siis ulkoilmassa.
Mistähän tuo mittaa lämpötilan?
Kun se kuitenkin on laitteena ulkoilman lämpötilassa.
Odotteleisin lämpimämpää säätä ja testaisin kesemmällä uudelleen.
Sehän sisäilman kierrätyskone. Eli mittaa sisältä ottamastaan tuloilmasta. Äly on sen sisäkaton laitteen takana heti. Termarikin kaiketi siinä (eikä esim kaukosäätimesssä). On siinä koneen sisäpuolisessa osassa jonkinlainen eristys, ettei ulkoilmaa ihan vastaa. Kylmäkenno ja lämmitysvastus siis lämpöisässä, kompura katon kylmällä puolella.


https://www.hesta.pl/en/spare-parts-to-air-conditioners-dometic/935-spare-parts-for-the-dometic-b1600-b2200-parking-air-conditioner.html
Konkkia onkin aika monta..

*****
  • Kaikkien Kaveri
  • Viimeksi paikalla:29.03.2026 kello on 17:08
Vs: Dometic b2200 Dethleffs asuntoauto
« Vastaus #12 : 12.04.2021 kello on 21:35 »
Täällä on räjäytyskuva ja kytkis.
https://manualzz.com/doc/fi/50879838/dometic-b2200-user-manual
Kyllä se konkalta vaikuttaa, jos kompura jurisee ja kuumenee mutta ei pyöri.

 

anything