rekisteriseloste

Tiedote rekisteröitymisestä

Jos et ole saanut vahvistusviestiä rekisteröitymisestä si, tarkista roskapostikansiosi. Tämä erityisesti hotmail ja gmail sähköpostin käyttäjille.

Kirjoittaja Aihe: Ebl aurinkolataus  (Luettu 20966 kertaa)

*****
  • Matkailija
  • Aiheen aloittaja
  • Viimeksi paikalla:16.02.2020 kello on 16:04
Ebl aurinkolataus
« : 29.01.2020 kello on 09:22 »
Moi,

Osaako joku kertoo paljonko ebl pystyy syöttää virtaa akuille?
Jos kytkee solarregler liittimeen.
Vissiin vain 10A, pitääkö paikkansa?
Ebl on mallia 251

230V:llä ilmeisesti lataa hupi akkua 16A ja käynnistys akkua 2A

Ja lataako solarregler liittimeen kytketty paneeli vain hupi akkua?

Mietiskelen et minkä kokoiset paneelit laittas ja miten kytkis.

*****
  • LämmitinGuru
  • Kalustoon kuuluva
  • Viimeksi paikalla:30.01.2026 kello on 22:09
Vs: Ebl aurinkolataus
« Vastaus #1 : 29.01.2020 kello on 11:08 »




*****
  • Matkailija
  • Aiheen aloittaja
  • Viimeksi paikalla:16.02.2020 kello on 16:04
Vs: Ebl aurinkolataus
« Vastaus #2 : 29.01.2020 kello on 14:16 »
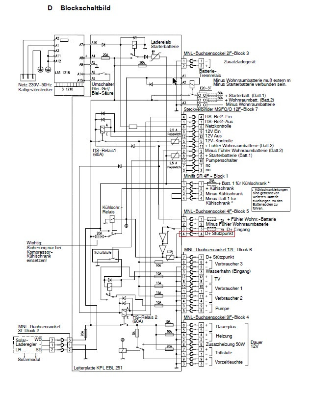
Ei selväntänyt piirikaavio tarpeeks
Jumppi tuohon Block 5 ja 2 välille vai?

Ja voiko ebl antaa maksimissaan vain 10A ulos?
Solar liittimen kautta.

Eli optimi oloissa jos paneeli lataa täysillä kaikki yli 120w paneelit on turhaa?

*****
  • Kalustoon kuuluva
  • Viimeksi paikalla:eilen kello 22:03
Vs: Ebl aurinkolataus
« Vastaus #3 : 29.01.2020 kello on 15:08 »
Miksi se pitää kytkeä sinne EBL:ään?

*****
  • Matkailija
  • Aiheen aloittaja
  • Viimeksi paikalla:16.02.2020 kello on 16:04
Vs: Ebl aurinkolataus
« Vastaus #4 : 29.01.2020 kello on 15:10 »
Ois ollu helpoin kaapeloinnin puolesta

*****
  • Kaikkien kaveri Sr.
  • Viimeksi paikalla:19.11.2025 kello on 07:59
  • Kellos Chevyjä , Matkaaja 460 ja TEVE-CHEVY
Vs: Ebl aurinkolataus
« Vastaus #5 : 29.01.2020 kello on 20:34 »
Ois ollu helpoin kaapeloinnin puolesta
ebllälle tulee myös akulta suora kaapeeli mihin voi kytkeä aurinko säätimeltä tulevan piuhan jos ei ebl kestä niit virtoja

*****
  • Matkailija
  • Aiheen aloittaja
  • Viimeksi paikalla:16.02.2020 kello on 16:04
Vs: Ebl aurinkolataus
« Vastaus #6 : 30.01.2020 kello on 19:12 »
Totta, ehkä käyttää sitä

*****
  • LämmitinGuru
  • Kalustoon kuuluva
  • Viimeksi paikalla:30.01.2026 kello on 22:09
Vs: Ebl aurinkolataus
« Vastaus #7 : 30.01.2020 kello on 19:22 »
Taitaa olla mahdotonta työntää lisäjohtoa siihen ruuviliitinrimaan. Laita vaan siihen Block:2seen, kyllä EBL sen kestää, liittimet  ( Mate-in- lok ) voi sitä rajoittaa virran keston suhteen.

*****
  • Kaikkien kaveri Sr.
  • Viimeksi paikalla:19.11.2025 kello on 07:59
  • Kellos Chevyjä , Matkaaja 460 ja TEVE-CHEVY
Vs: Ebl aurinkolataus
« Vastaus #8 : 30.01.2020 kello on 21:00 »
näin mielenkiinnosta , minkä tehoista paneelia aattelit?

*****
  • Matkailija
  • Aiheen aloittaja
  • Viimeksi paikalla:16.02.2020 kello on 16:04
Vs: Ebl aurinkolataus
« Vastaus #9 : 5.02.2020 kello on 19:40 »
En oo viel hommannut mut 300w, 30v jännitteellä toimivan panelin sais n100€

*****
  • Kaikkien kaveri Sr.
  • Viimeksi paikalla:19.11.2025 kello on 07:59
  • Kellos Chevyjä , Matkaaja 460 ja TEVE-CHEVY
Vs: Ebl aurinkolataus
« Vastaus #10 : 7.02.2020 kello on 05:16 »
katolle asennettuna tommosen paneelin maksimi tuotto on noin 20 amppeeria joten ebl kyll sen nielee kivutta--

*****
  • Kalustoon kuuluva
  • Viimeksi paikalla:30.01.2026 kello on 11:11
Vs: Ebl aurinkolataus
« Vastaus #11 : 7.02.2020 kello on 10:00 »
Itekin tuota a-panelia alustavasti jo suunnitellut.. ilmeisesti saa olla tarkkana, että oikea Ebl-skemat käytössä, esim. 269-2 vaikuttaa erilaiselta (helpommalta?)

Enempiä en tätä kejtua sotke, mutta ajatus sama; säätimeltä suoraan ebl:ään, niin muistaa ajoakkuakin ruokkia..

*****
  • Kalustoon kuuluva
  • Viimeksi paikalla:eilen kello 19:25
  • Autossa on pyörät
Vs: Ebl aurinkolataus
« Vastaus #12 : 7.02.2020 kello on 10:08 »
Itekin tuota a-panelia alustavasti jo suunnitellut.. ilmeisesti saa olla tarkkana, että oikea Ebl-skemat käytössä, esim. 269-2 vaikuttaa erilaiselta (helpommalta?)
(Kuva piiloitettu, klikkaa tätä niin näet kuvan.)
Enempiä en tätä kejtua sotke, mutta ajatus sama; säätimeltä suoraan ebl:ään, niin muistaa ajoakkuakin ruokkia..
Kerran kysäisin MJO:lta. Mainitsi ettei lataa muuta kuin hupiakkua.
Itsellä kytketty hupiakkuihin, toimii ok. Mulla on MT50 seinällä, siitä näkyy tuotto.

*****
  • Kalustoon kuuluva
  • Viimeksi paikalla:30.01.2026 kello on 11:11
Vs: Ebl aurinkolataus
« Vastaus #13 : 7.02.2020 kello on 10:57 »
^
Joo, siltä muuten näyttää..

Pikkasen hämää starttiakun latausreleen piirrosmerkissä nuoli (katkoviivassa) - sakemanni ei taida ymmärtää/anna merkitystä. Muissa vaihtoreleissä se sojottaa nc-kärkien sunntaan, tuossa (latausreleessä) se on kelan suuntaa  :-X Pelkissä sulkeutuvissa releissä se sojottaa no-kärjistä pois eli kelan suuntaan  :o

*****
  • Karavaanari
  • Viimeksi paikalla:20.01.2026 kello on 09:24
Vs: Ebl aurinkolataus
« Vastaus #14 : 7.02.2020 kello on 11:14 »
Periaatetta selkeyttänee kuva Schaudtin, eli EBL:ään suoraan liitettävän säätimen johtimista. Virta ajoakun latausta varten ryöstetään kuvassa näkyvällä liittimellä.

 

anything