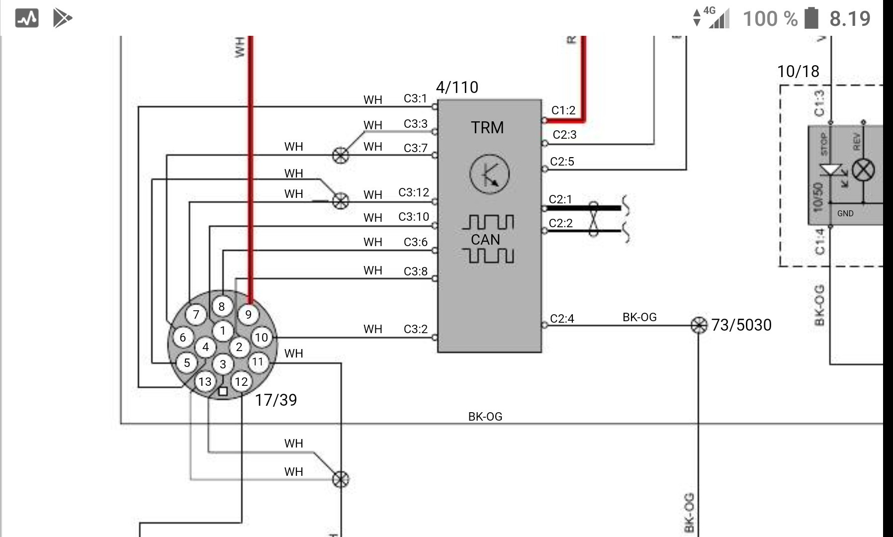
Tässä on kuvankaappaus tuosta sinun TRM boksista.

Eihän tuo mekaaninen kytkentä tuosta muutu, vaikka sitä miten ohjelmoi.
Uudessa boksissa parkit on erotettu, mutta sinulla ne menee yhteen. Eli ruskea ja musta pitää yhdistää samaan liittimeen kuten nykyisessä tehdään johto nipun sisällä.
Punaisen voi laittaa toiseen niistä nykyisistä paikoista
Ja valkoinen maajohto pitää varmistaa että menee maahan.

Eihän tuo mekaaninen kytkentä tuosta muutu, vaikka sitä miten ohjelmoi.
Uudessa boksissa parkit on erotettu, mutta sinulla ne menee yhteen. Eli ruskea ja musta pitää yhdistää samaan liittimeen kuten nykyisessä tehdään johto nipun sisällä.
Punaisen voi laittaa toiseen niistä nykyisistä paikoista
Ja valkoinen maajohto pitää varmistaa että menee maahan.







Ne oli kalliita, kyllä niihin meni 2.5 hyvin holkin kanssa, ja kaikissa oli ruuvin kierteet ja ruuvit paikoillaan.