rekisteriseloste

Tiedote rekisteröitymisestä

Jos et ole saanut vahvistusviestiä rekisteröitymisestä si, tarkista roskapostikansiosi. Tämä erityisesti hotmail ja gmail sähköpostin käyttäjille.

Kirjoittaja Aihe: Solifer S 5 akun lataus  (Luettu 7341 kertaa)

  • Vieras
  • Solifer S 5 akun lataus
    « : 25.06.2019 kello on 12:30 »
    Morjens   Solifer  oli  tiltannut  akun latauksen seisonnassa.

    Solifer  S  5  2000 vm kyseessä  ohjauskeskuksessa  kiinteästi  akun lataus keväällä valot välkky nostettiin hieman lataus jännitettä 0.5 v.

    kaikki toimi silloin  hyvin nyt kun olis pitänyt lähtee baanalle  akku tyhjä ilmeisesti  laturi  ei toimi kunnolla.Mistä löytyis uusi  laturi +  säädin osa  .

    Olis vähän kiire .

    *****
    • Kalustoon kuuluva
    • Viimeksi paikalla:tänään kello 12:03
    • Autossa on pyörät
    Vs: Solifer S 5 akun lataus
    « Vastaus #1 : 25.06.2019 kello on 13:42 »
    Varmaankin vaan akku tyhjä ja laturi ei lähde lataamaan ennenkuin saa vähän jännitettä. Riittää vaikka 9v neppari patterista tarjoaa hetkeksi. Katsot vain että plus ja miinus oikeinpäin. Itse joskus tarjosin tupakansytytin liitännästä. Hyvin starttaa lataus. Tosin voi sun akkukin olla sökö myös.

    *****
    • Kalustoon kuuluva
    • Viimeksi paikalla:11.01.2026 kello on 12:36
    Vs: Solifer S 5 akun lataus
    « Vastaus #2 : 25.06.2019 kello on 14:11 »
    Älylaturit ei monesti halua ladata tyhjää akkua. Itse olen käyttänyt vanhaa älytöntä laturia alkuun ja kun hiukan on jännitettä niin älylaturi tilalle. Vaunussa ilmeisesti älylaturi kiinni. Ja kyllä se akku voi olla tiensä päässä

    *****
    • LämmitinGuru
    • Aluevalvoja
    • Kalustoon kuuluva
    • Viimeksi paikalla:tänään kello 14:28
    Vs: Solifer S 5 akun lataus
    « Vastaus #3 : 25.06.2019 kello on 16:21 »
    Mikähän laturi solikassa on?

    *****
    • Matkailija
    • Viimeksi paikalla:20.07.2022 kello on 16:22
    Vs: Solifer S 5 akun lataus
    « Vastaus #4 : 25.06.2019 kello on 17:44 »
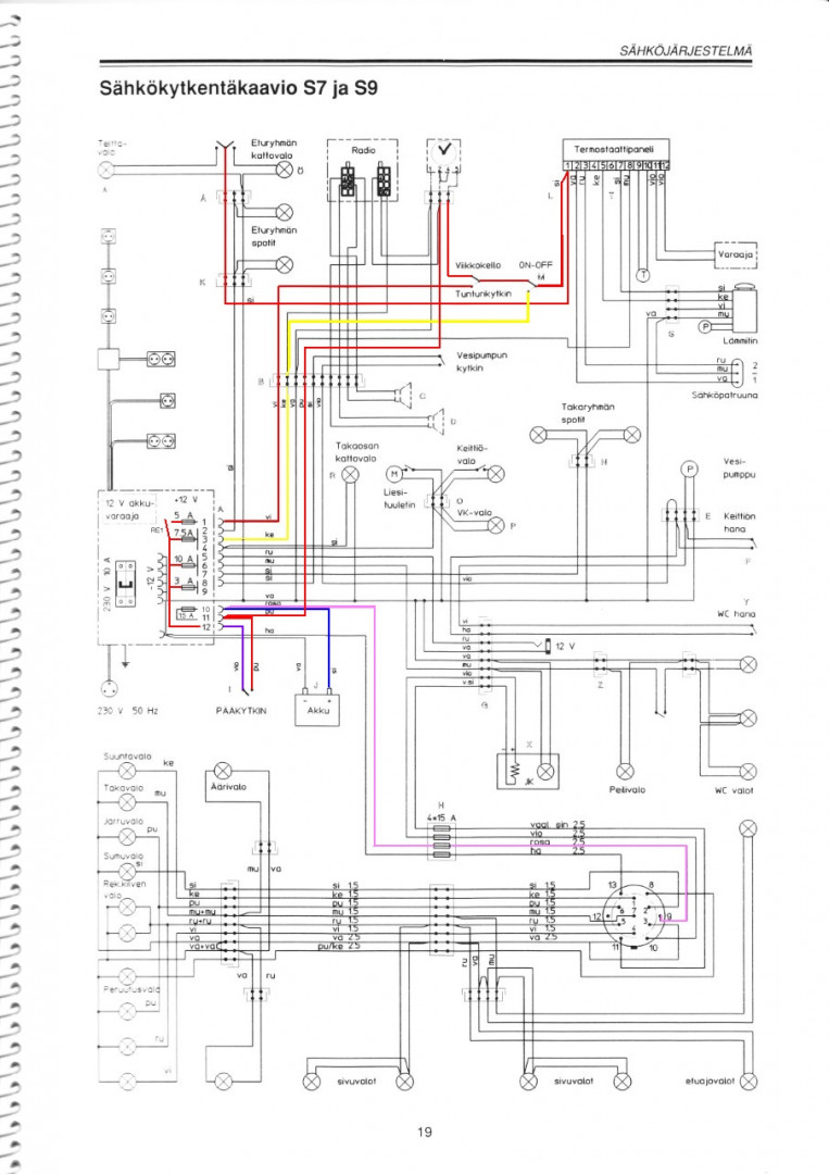
    tuossa  valaistuksessa  osiossa oleva   Välot välkkyy  S 5  juttu. siinä näkyy mikä laturi  sähkökeskuksessa oleva laturi..

    Mites onnistuu ulkopuolinen laturi suoraan akulle.mitä pitää kytkeä pois päältä verkkovirta muuntaja .periaatteessa  akulta tuleva virta  toimii ulkopuolisella laturilla .

    *****
    • Kalustoon kuuluva
    • Viimeksi paikalla:tänään kello 12:03
    • Autossa on pyörät
    Vs: Solifer S 5 akun lataus
    « Vastaus #5 : 25.06.2019 kello on 18:37 »
    Haluat ilmeisesti välttämättä muuttaa kytkennät ja ostaa laturin? Omassani aikoinaan riitti tuo laturin käyntiin lähtöön vaadittu apujännite. Onnea ja menestystä.

    *****
    • Matkailija
    • Viimeksi paikalla:20.07.2022 kello on 16:22
    Vs: Solifer S 5 akun lataus
    « Vastaus #6 : 25.06.2019 kello on 19:09 »
    kiitos vastauksista  vaihdettu akku  ei vaikutusta  lataukseen  lataa  noin 7.5 --8.5  volttia jännite.

    Pitäis saada tielle vaunu mahdollisimman  kivuttomasti  jos kellä sattuu olemaan kyseiseen vaunuun omaa toimivaa laturia ja piiri levyä joka ilmeisesti ei toimi kunnolla.

    Jos löytyy  piiri levy niin voi ottaa yhteyttä.

    *****
    • Kalustoon kuuluva
    • Viimeksi paikalla:tänään kello 12:03
    • Autossa on pyörät
    Vs: Solifer S 5 akun lataus
    « Vastaus #7 : 25.06.2019 kello on 20:03 »
    Aina on hyvä että kertoo senhetkisen tilanteen, selvännäkijät on eri osoitteessa. ;)
    Kokemäellä on Pelkonen joka on purkanut eri vaunuja, hänellä voisi olla.

    *****
    • Karavaanari
    • Viimeksi paikalla: 5.04.2026 kello on 12:45
    • Fiat ducato 2.3 JTD 130 Alkov vm.2010
    Vs: Solifer S 5 akun lataus
    « Vastaus #8 : 25.06.2019 kello on 20:08 »
    Onko ton näköinen?

    Jos kiire reissuun niin hakisin älylaturin kaupasta ja laittaisin suoraan akkuun kiinni. Tommosesta laturis ei oo mitään tietoo. Voihan sitä sitten myöhemmin korjailla.

    *****
    • Kalustoon kuuluva
    • Viimeksi paikalla:tänään kello 13:22
    Vs: Solifer S 5 akun lataus
    « Vastaus #9 : 25.06.2019 kello on 21:47 »
    kiitos vastauksista  vaihdettu akku  ei vaikutusta  lataukseen  lataa  noin 7.5 --8.5  volttia jännite.

    Pitäis saada tielle vaunu mahdollisimman  kivuttomasti  jos kellä sattuu olemaan kyseiseen vaunuun omaa toimivaa laturia ja piiri levyä joka ilmeisesti ei toimi kunnolla.

    Jos löytyy  piiri levy niin voi ottaa yhteyttä.

    Oliko uusikin akku tyhjä, vai miten latausjänniteen voi olla alle 12V?
    Kuten jo todettua, tyhjän akun tapauksessa pitää se jännite nostaa ylemmäs, ennenkuin laturi alkaa lataamaan.

    *****
    • LämmitinGuru
    • Aluevalvoja
    • Kalustoon kuuluva
    • Viimeksi paikalla:tänään kello 14:28
    Vs: Solifer S 5 akun lataus
    « Vastaus #10 : 25.06.2019 kello on 22:49 »
    tuossa  valaistuksessa  osiossa oleva   Välot välkkyy  S 5  juttu. siinä näkyy mikä laturi  sähkökeskuksessa oleva laturi..

    Mites onnistuu ulkopuolinen laturi suoraan akulle.mitä pitää kytkeä pois päältä verkkovirta muuntaja .periaatteessa  akulta tuleva virta  toimii ulkopuolisella laturilla .

    Laita nyt se linkki, että missä se laturin kuva on.

    *****
    • Kaikkien Kaveri
    • Viimeksi paikalla:10.11.2025 kello on 09:31
    Vs: Solifer S 5 akun lataus
    « Vastaus #11 : 26.06.2019 kello on 08:58 »
    Tais tarkottaa tätä tuo aloittaja.....

    "Siellä on ainakin kuva.tuossa  valaistuksessa  osiossa oleva  Välot välkkyy  S 5  juttu. siinä näkyy mikä laturi  sähkökeskuksessa oleva laturi."



    https://karavaanari.org/index.php/topic,22607.0.html

    *****
    • Kalustoon kuuluva
    • Viimeksi paikalla:tänään kello 12:03
    • Autossa on pyörät
    Vs: Solifer S 5 akun lataus
    « Vastaus #12 : 26.06.2019 kello on 09:39 »

    *****
    • LämmitinGuru
    • Aluevalvoja
    • Kalustoon kuuluva
    • Viimeksi paikalla:tänään kello 14:28
    Vs: Solifer S 5 akun lataus
    « Vastaus #13 : 26.06.2019 kello on 10:03 »








    *****
    • Matkailija
    • Viimeksi paikalla:20.07.2022 kello on 16:22
    Vs: Solifer S 5 akun lataus
    « Vastaus #14 : 26.06.2019 kello on 10:06 »
    Moi joku ystävällinen sielu laittanut kuvan kiitos. vaunun laturissa ei eloa 12 v   verkkovirta muuntaja lämpiää aika reilusti.

     

    anything