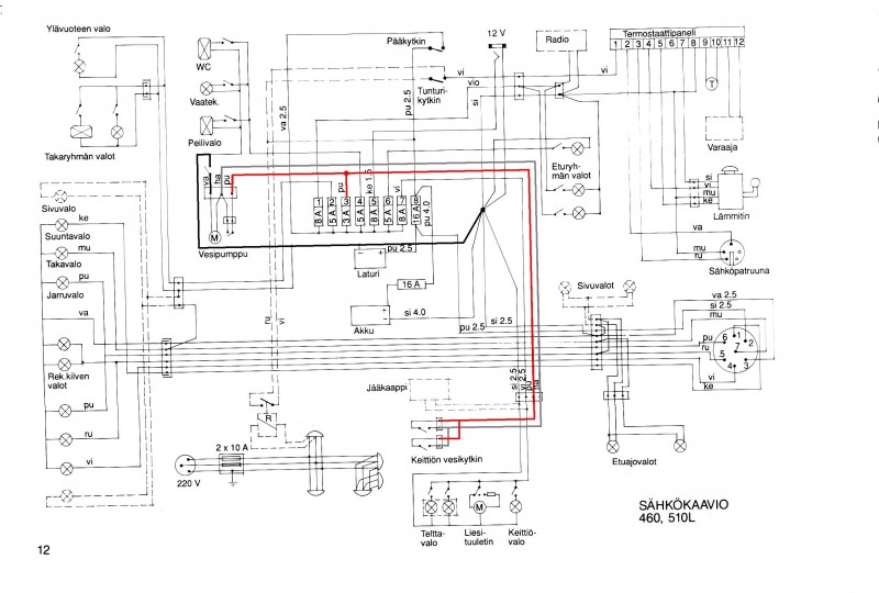
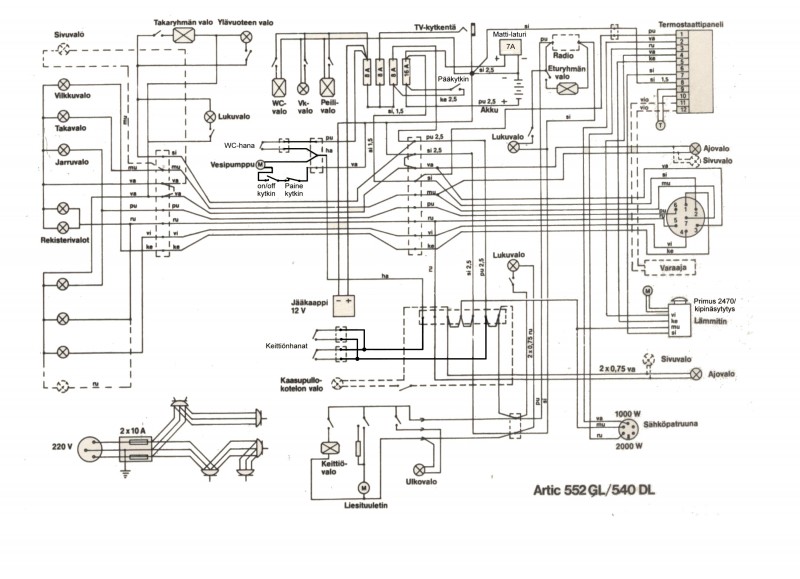
Sokeripalaan tulee vaunusta 2 johtoa ja sinä laitat toiselle puolen hanasta tulevat 2 johtoa 
Siihen sokeripalaan tulee vain nk toinen potentiaali, minkä sinä hanaa avatessa yhdistät. Tällöin pumppu pyörii.

Siihen sokeripalaan tulee vain nk toinen potentiaali, minkä sinä hanaa avatessa yhdistät. Tällöin pumppu pyörii.




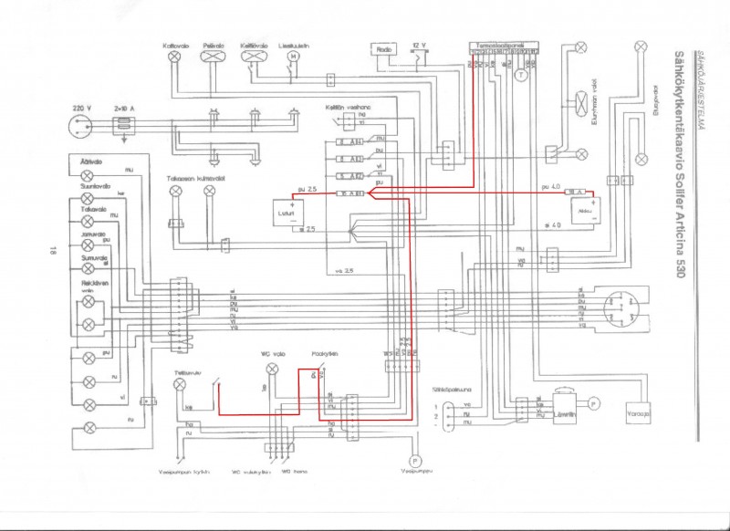
. Tuo iso kytkis on ohjekirjassa. Mutta ilmeisesti hävinnyt ?