rekisteriseloste

Tiedote rekisteröitymisestä

Jos et ole saanut vahvistusviestiä rekisteröitymisestä si, tarkista roskapostikansiosi. Tämä erityisesti hotmail ja gmail sähköpostin käyttäjille.

Kirjoittaja Aihe: Trumatic e 2800 korjaus  (Luettu 25862 kertaa)

*****
  • Karavaanari
  • Aiheen aloittaja
  • Viimeksi paikalla: 4.02.2020 kello on 23:02
Vs: Trumatic e 2800 korjaus
« Vastaus #15 : 26.07.2017 kello on 21:13 »
Eli haen huomenna 200g lisää. Kauanko osia pitää hapossa pitää? Noi osat on aika karussa kunnossa.

*****
  • LämmitinGuru
  • Aluevalvoja
  • Kalustoon kuuluva
  • Viimeksi paikalla:12.03.2026 kello on 08:32
Vs: Trumatic e 2800 korjaus
« Vastaus #16 : 26.07.2017 kello on 21:36 »
Pidät vaikka 4-5 tuntia ja sitten harjaat teräshärjalla välillä, sitten taas ehkä saman verran. Lopuksi huuhtelu kuumalla vedellä ja hahdollisesti samalla vielä harjaus. Hyvä siitä tulee.

*****
  • Karavaanari
  • Aiheen aloittaja
  • Viimeksi paikalla: 4.02.2020 kello on 23:02
Vs: Trumatic e 2800 korjaus
« Vastaus #17 : 26.07.2017 kello on 21:45 »
Ok. Näin täytyy tehdä. Kiitoksia neuvoista. Kärsiikö noi sytyttimen kärjet upottaa happoon kanssa mitkä tossa kuvassa näkyy? Ovat niin kovin kiinni, että pelkään että hajoavat jos yritän irroittaa.

*****
  • LämmitinGuru
  • Aluevalvoja
  • Kalustoon kuuluva
  • Viimeksi paikalla:12.03.2026 kello on 08:32
Vs: Trumatic e 2800 korjaus
« Vastaus #18 : 27.07.2017 kello on 08:32 »
Kyllä kärsii, muista vaan kuivata vaikka kuumailmapuhaltimel la.

*****
  • Karavaanari
  • Aiheen aloittaja
  • Viimeksi paikalla: 4.02.2020 kello on 23:02
Vs: Trumatic e 2800 korjaus
« Vastaus #19 : 27.07.2017 kello on 09:59 »
Äkkiseltään katottuna tossa nelitonnisen ohjainkeskuksessa näyttäisi olevan sytytinmuuntaja integroituna(vasemmalla ylhäällä). Eli siitä sitä ei saa. Varmaan paras tilata toi aiemmin linkattu muuntaja?!

Tota on muutenkin yritetty näköjään korjata. Täyttyy joskus paneutua tohon ajan kanssa, et onko siitä vielä peliksi vai pelkäksi osien luovuttajaksi.

*****
  • LämmitinGuru
  • Aluevalvoja
  • Kalustoon kuuluva
  • Viimeksi paikalla:12.03.2026 kello on 08:32
Vs: Trumatic e 2800 korjaus
« Vastaus #20 : 27.07.2017 kello on 19:16 »
Kyllä toi on sytytysmuuntaja, mutta kortti näyttää aivan vedenlämmittimen piirikortilta. Täytyypä tarkistaa asia. Truma käyttää usein saman tyyppistä layauttia piirilevyissä. vedenlämmityskkortt iin on vain lisätty isomman tehon ( kaasuventtiili ) ohjaus. Toi tosi vanha 4000:nen, kun uudemmissa on muistaakseni hyvin saman lainen piirilevy kuin 2800:ssa.

*****
  • Karavaanari
  • Aiheen aloittaja
  • Viimeksi paikalla: 4.02.2020 kello on 23:02
Vs: Trumatic e 2800 korjaus
« Vastaus #21 : 27.07.2017 kello on 19:38 »
Vuoden -88 laitteita pitäisi molempien olla, mut niin kuin kuvasta näkyy, niin 1983 päälle on stanssattu 88. Odotin kanssa, että näissä olisi sama elektroniikka kun pitäisi olla saman ikäisiä. Ton 2800:sen ohjainboksi on uudemman näköinen.

Ton 2800: sen pellit ovat puhkiruostuneet ja 4000:sessa näyttää olevan samat pellit, joten saan ainakin ne hyötykäyttöön.

*****
  • Karavaanari
  • Aiheen aloittaja
  • Viimeksi paikalla: 4.02.2020 kello on 23:02
Vs: Trumatic e 2800 korjaus
« Vastaus #22 : 28.07.2017 kello on 20:39 »
Kysytään nyt vielä, ettei tuu sählättyä. Mihin kaikkialle tota teflonrasvaa pitäisi saada levitettyä. Eli mihin tööttään sitä?

Yritin saada tota moottoria irroitettua noista lavoista pesua varten, mut kuusiokoloavain taipuu vaan ympäri. Kovin on kiinni.

*****
  • Karavaanari
  • Aiheen aloittaja
  • Viimeksi paikalla: 4.02.2020 kello on 23:02
Vs: Trumatic e 2800 korjaus
« Vastaus #23 : 4.08.2017 kello on 20:48 »
Kokeilin, että lähteekö 2800 päälle. No ei lähtenyt kipinää antamaan. Eli tuuletin lähtee pyörimään kun laittaa tuuletustoiminnon päälle, mutta kun laittaa valitsimen lämmitysasentoon, niin punainen led syttyy välittömästi. Tuuletin ei käynnisty, eikä sytytysmuuntajalle tule virtaa. Termarin lämpötilasäätimen asento ei muuta asiaa. Eikä tehovalitsin.

Mikä on kuvan mitattava komponentti? Joku lämpöä mittaava komponentti? Katoin ensin, et on joku diodi. Mut ainakaan diodi mittaus ei näytä mitään kumminkaan päin.

Ohjeiden mukaan punainen kokoajan palava led tarkoittaa vikatilaa.

Ekalla testikerralla oli kaasupullokin kiinni laitteessa, mut toi laite tokkopa ymmärtää tuleeko sieltä kaasua vai ei, kun menee vikatilaan välittömästi, eikä edes yritä sytyttää.

Aloitin purkamalla termarin liittimen ja puhdistin kontaktipinnat. Mittausten mukaan liitokset pelittää. Seuraavaksi käyn ton keskuksen ja itse lämmityslaitteen liitoksen läpi.

Onko jotain mikä tulisi mieleen, että mikä tässä mättää?

*****
  • Karavaanari
  • Viimeksi paikalla:22.09.2019 kello on 14:41
Vs: Trumatic e 2800 korjaus
« Vastaus #24 : 5.08.2017 kello on 13:46 »
Mikä on kuvan mitattava komponentti? Joku lämpöä mittaava komponentti? Katoin ensin, et on joku diodi. Mut ainakaan diodi mittaus ei näytä mitään kumminkaan päin.

10 kilon ntc vastus, mittaa puhallettavan ilman lämpötilaa.

Lainaus
Onko jotain mikä tulisi mieleen, että mikä tässä mättää?

Lyytit voisi olla huonossa hapessa...

*****
  • Karavaanari
  • Aiheen aloittaja
  • Viimeksi paikalla: 4.02.2020 kello on 23:02
Vs: Trumatic e 2800 korjaus
« Vastaus #25 : 5.08.2017 kello on 15:49 »
Harrastuneisuus elektroniikan parissa on mulla on jäänyt vähän vajaaksi, joten kaikkia termejä en ymmärtä. Tarkoittaako lyytit konkkia?

Sähköasentajan paperit kyllä taskusta löytyy.

Ulkoisesti konkat eivät ole ainakaan pullistununeet. Kannattaako ne vaan vaihtaa suoraan?

*****
  • Kaikkien kaveri Sr.
  • Viimeksi paikalla:31.07.2025 kello on 19:14
Vs: Trumatic e 2800 korjaus
« Vastaus #26 : 5.08.2017 kello on 16:27 »
Elektrolyyttikonden saattorit kuivuvat vanhetessaan. Vaihda pois, ei maksa paljoa. Muista napaisuus.

*****
  • Karavaanari
  • Aiheen aloittaja
  • Viimeksi paikalla: 4.02.2020 kello on 23:02
Vs: Trumatic e 2800 korjaus
« Vastaus #27 : 5.08.2017 kello on 16:53 »
Pesin termarin ja keskuksen piirilevyt elektroniikan pesuaineella ja purkasin myös ton suuremman liittimen ja hioin kontaktipinnat. Nyt laite yrittää lähteä lämmittämään, eikä heti vika tilaan.  Sytytys muuntajan toisesta liittimestä menee kärjelle n.430v maatavasten mitattuna ja toisesta n.35v. Kipinää ei näy. Tekeekö toi kipinän noiden kärkien välille vai maataa/ritilää vasten?

Tossa nelitonnisessa näyttäisi menevän maatavasten, mutta siinä 1 kärki vähemmän. Se on tossa kuvassa yksinään. Alin kuva.

*****
  • LämmitinGuru
  • Aluevalvoja
  • Kalustoon kuuluva
  • Viimeksi paikalla:12.03.2026 kello on 08:32
Vs: Trumatic e 2800 korjaus
« Vastaus #28 : 5.08.2017 kello on 17:34 »
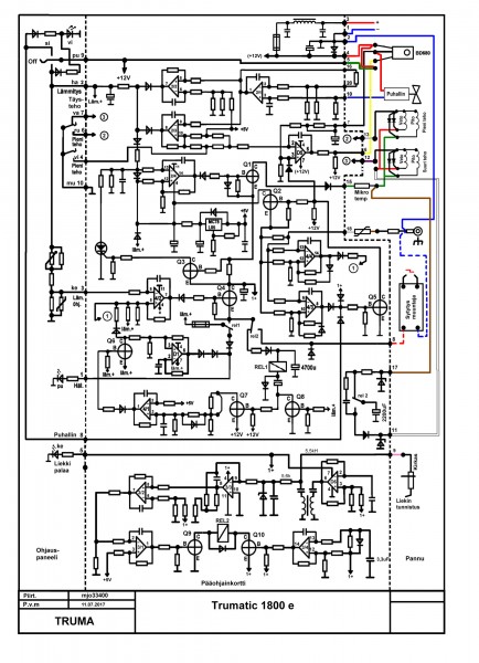
Tässä Truma 1800 kytkentäkuva, ei pahemmin eroa 2800:sta, joten varmasti pystyt paremmin mittailemaan. ;) YV:nä kun lähetät sähköpostiosoittees i niin saat paremmat kuvat.






*****
  • Karavaanari
  • Aiheen aloittaja
  • Viimeksi paikalla: 4.02.2020 kello on 23:02
Vs: Trumatic e 2800 korjaus
« Vastaus #29 : 5.08.2017 kello on 17:45 »
Kiitoksia kuvista! :) Ainakin nopeasti katsottuna näyttää samalta.

Osaatko vielä sanoa, että pitäisikö ton kipinän tulla kärkien väliin vai kärkien ja rungon/ritilän väliin?

Hienot kuvat olet tehnyt! Kiitos!

 

anything