rekisteriseloste

Tiedote rekisteröitymisestä

Jos et ole saanut vahvistusviestiä rekisteröitymisestä si, tarkista roskapostikansiosi. Tämä erityisesti hotmail ja gmail sähköpostin käyttäjille.

Kirjoittaja Aihe: Alde 3000 kiertovesipumput ei toimi  (Luettu 11856 kertaa)

*****
  • Päivämatkailija
  • Aiheen aloittaja
  • Viimeksi paikalla: 6.12.2016 kello on 10:02
Alde 3000 kiertovesipumput ei toimi
« : 1.12.2016 kello on 10:49 »
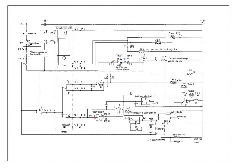
Missä voisi olla vika kun pannu lämpiää sekä kaasulla että sähköllä,mutta jonkun ajan kuluttua pannu sammuu kun vesi on kuumentunut?kummallekaan pumpulle ei tule virtaa.mistä jatkan vian etsimistä?

*****
  • Kalustoon kuuluva
  • Viimeksi paikalla:eilen kello 20:53
  • Autossa on pyörät
Vs: Alde 3000 kiertovesipumput ei toimi
« Vastaus #1 : 1.12.2016 kello on 11:03 »
Onko ohjauspaneelista pumppu päällä vai ei
http://www.alde.co.uk/downloads/alde_3000_user.pdf

*****
  • LämmitinGuru
  • Aluevalvoja
  • Kalustoon kuuluva
  • Viimeksi paikalla: 9.01.2026 kello on 09:05
Vs: Alde 3000 kiertovesipumput ei toimi
« Vastaus #2 : 1.12.2016 kello on 11:09 »
Missä voisi olla vika kun pannu lämpiää sekä kaasulla että sähköllä,mutta jonkun ajan kuluttua pannu sammuu kun vesi on kuumentunut?kummallekaan pumpulle ei tule virtaa.mistä jatkan vian etsimistä?

Onko ohjauspaneelin oikean puoleinen liukukytkin yläasennossa?




*****
  • Karavaanari
  • Viimeksi paikalla:eilen kello 17:20
  • Häme
Vs: Alde 3000 kiertovesipumput ei toimi
« Vastaus #3 : 1.12.2016 kello on 13:40 »
Tuossa linkissä on käyttöohjeet alde 3000 ohjauspaneelille. https://www.manualslib.com/manual/450135/Alde-Compact-3000-92x.html?page=24#manual

Oikealla puolella oleva liukukytkin alasennossa (nolla ja vesihana) kiertovesipummppu ei toimi. Lämmittää vain veden. Keskiasennossa (lämmitys ja vesihana) kiertovesipummppu toimii termostaatin ohjaamana, vain lämmittimen toimiessa. Yläasennossa kiertovesipummppu toimii jatkuvasti (myös lämmittimen taukojen aikana).

« Viimeksi muokattu: 1.12.2016 kello on 14:31 »

*****
  • Kalustoon kuuluva
  • Viimeksi paikalla:eilen kello 23:18
Vs: Alde 3000 kiertovesipumput ei toimi
« Vastaus #4 : 1.12.2016 kello on 13:54 »
Kumpi pumppu on valittuna 230V/12V valintakytkimellä?
Onko kytkintä käännetty ongelman tutkinnan aikana, jos vain toinen pumppu olisi rikki.

*****
  • Päivämatkailija
  • Aiheen aloittaja
  • Viimeksi paikalla: 6.12.2016 kello on 10:02
Vs: Alde 3000 kiertovesipumput ei toimi
« Vastaus #5 : 4.12.2016 kello on 09:59 »
Kiitos vastauksista?ei näköjään aloitteleva karavaanari osannut kytkeä tuota liukukytkintä ylä asentoon ;D 12v pumppulla kyllä nyt lämmitys toimii mutta kun laittaa keinu kytkimen 230v asentoon pannu näköjään sammuu(ylikuumenee).mitähän nyt pitäisi tarkistaa?

*****
  • Kaikkien Kaveri
  • Viimeksi paikalla:19.08.2023 kello on 19:00
  • ---
Vs: Alde 3000 kiertovesipumput ei toimi
« Vastaus #6 : 4.12.2016 kello on 10:02 »
Onko 230 pumppua, jos on, niin pannun luona on keinukytkin jolla valitaan kumpi pumppu on käytössä.. mikähän vaunu kyseessä..?

*****
  • LämmitinGuru
  • Aluevalvoja
  • Kalustoon kuuluva
  • Viimeksi paikalla: 9.01.2026 kello on 09:05
Vs: Alde 3000 kiertovesipumput ei toimi
« Vastaus #7 : 4.12.2016 kello on 10:03 »
Kiitos vastauksista?ei näköjään aloitteleva karavaanari osannut kytkeä tuota liukukytkintä ylä asentoon ;D 12v pumppulla kyllä nyt lämmitys toimii mutta kun laittaa keinu kytkimen 230v asentoon pannu näköjään sammuu(ylikuumenee).mitähän nyt pitäisi tarkistaa?

Otitko huomioon, että verkkopumppu on tehottomampi kuin 12 voltin pumppu jolloin pannu sammuu aiemmin kun se pitää huolen itsestä ja ohjauspaneeli pumpuista. https://karavaanari.org/liite/Alde_huoltokirja.pdf

*****
  • Kalustoon kuuluva
  • Viimeksi paikalla:eilen kello 20:53
  • Autossa on pyörät
Vs: Alde 3000 kiertovesipumput ei toimi
« Vastaus #8 : 4.12.2016 kello on 11:40 »
Eihän siinä välttämättä edes 230v pumppua !
Kaikissa merkeissä ei vakiona.

*****
  • LämmitinGuru
  • Aluevalvoja
  • Kalustoon kuuluva
  • Viimeksi paikalla: 9.01.2026 kello on 09:05
Vs: Alde 3000 kiertovesipumput ei toimi
« Vastaus #9 : 4.12.2016 kello on 12:11 »
^ Silloinhan joku on pöllinyt pumpun kun kytkin kuitenkin on. Voihan se olla konkkavikakin.

*****
  • Kalustoon kuuluva
  • Viimeksi paikalla:eilen kello 20:53
  • Autossa on pyörät
Vs: Alde 3000 kiertovesipumput ei toimi
« Vastaus #10 : 4.12.2016 kello on 12:17 »
Samanlainenhan tuo ALDEN paneeli on 230v pumpulla tai ilman ?

*****
  • LämmitinGuru
  • Aluevalvoja
  • Kalustoon kuuluva
  • Viimeksi paikalla: 9.01.2026 kello on 09:05
Vs: Alde 3000 kiertovesipumput ei toimi
« Vastaus #11 : 4.12.2016 kello on 12:51 »
Paneeli on sama, mutta pumpun valintakytkin on kaapissa.

*****
  • Karavaanari
  • Viimeksi paikalla: 6.01.2026 kello on 00:08
Vs: Alde 3000 kiertovesipumput ei toimi
« Vastaus #12 : 6.12.2016 kello on 15:18 »
Jos 12v pumppu on tehokkaampi kuin 230v, onko järkevämpää käyttää pakkasilla paisarissa olevaa 12v pumppua? Tuleeko sillä nopeammin haluttu lämpötila ja pitääkö lämmön tasaisempana? Vai onko mitään väliä

*****
  • LämmitinGuru
  • Aluevalvoja
  • Kalustoon kuuluva
  • Viimeksi paikalla: 9.01.2026 kello on 09:05
Vs: Alde 3000 kiertovesipumput ei toimi
« Vastaus #13 : 6.12.2016 kello on 16:07 »
Verkkopumppu tykkää käydä koko ajan ja on siten kestävämpi. Tuskin toi lämmitykseen kummemmin vaikuttaa vaikka onkin tehottomampi.