rekisteriseloste
Tervetuloa,
Vieras
. Ole hyvä ja
kirjaudu
tai
rekisteröidy
.
Jäikö
aktivointi sähköposti
saamatta?
1 tunti
1 päivä
1 viikko
1 kuukausi
Ikuisesti
Tämä on julkinen tietokone :
Kirjautuaksesi anna tunnus, salasana ja istuntosi pituus
Etusivu
Ohjeet
Haku
Kalenteri
Viesti ylläpidolle
Linkkikirjasto
Chatti
Kirjaudu
Rekisteröidy
KaravaanariWiki
Portaali
Karavaanarin keskustelufoorumi
»
Tekniikkakeskustelut
»
Sähkölaitteet
»
230 voltin järjestelmä
(Valvoja: *****) »
Aihe:
Solifer 550 GLS 1991 sähkökuva
Tiedote rekisteröitymisestä
Jos et ole saanut vahvistusviestiä rekisteröitymisestä
si, tarkista roskapostikansiosi. Tämä erityisesti hotmail ja gmail sähköpostin käyttäjille.
« edellinen
seuraava »
Etusivulle
Vastaa
Tulostusversio
Sivuja: [
1
]
Siirry alas
Kirjoittaja
Aihe: Solifer 550 GLS 1991 sähkökuva (Luettu 4942 kertaa)
*****
Matkailija
Aiheen aloittaja
Viimeksi paikalla:16.06.2020 kello on 08:45
Solifer 550 GLS 1991 sähkökuva
«
:
9.10.2016 kello on 16:08 »
Lainaus
oisko kellään ko. vaunun sähkökuvia. ois helpompi asentaa uusia led valoja yms. kun ois kuva. 240 rele sähkökaapissa myös ihmetyttää
kiitos etukäteen
*****
LämmitinGuru
Aluevalvoja
Kalustoon kuuluva
Viimeksi paikalla:30.01.2026 kello on 22:09
Vs: Solifer 550 GLS 1991 sähkökuva
«
Vastaus #1 :
9.10.2016 kello on 19:05 »
Lainaus
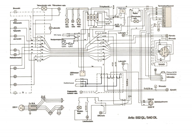
Oletan, että nämä kuvat ovat aika lähellä tuota tyyppiä kun solikka ei hirveitä muutoksia noihin yleensä tehnyt.
*****
Matkailija
Aiheen aloittaja
Viimeksi paikalla:16.06.2020 kello on 08:45
Vs: Solifer 550 GLS 1991 sähkökuva
«
Vastaus #2 :
11.10.2016 kello on 07:52 »
Lainaus
sulakkeita on enemmän ja se 240v releputtuu.
kiitos kumminkin
*****
LämmitinGuru
Aluevalvoja
Kalustoon kuuluva
Viimeksi paikalla:30.01.2026 kello on 22:09
Vs: Solifer 550 GLS 1991 sähkökuva
«
Vastaus #3 :
11.10.2016 kello on 09:14 »
Lainaus
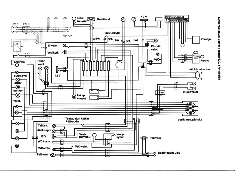
Miten tämä istuu.
Etusivulle
Vastaa
Tulostusversio
Sivuja: [
1
]
Siirry ylös
« edellinen
seuraava »
Karavaanarin keskustelufoorumi
»
Tekniikkakeskustelut
»
Sähkölaitteet
»
230 voltin järjestelmä
(Valvoja: *****) »
Aihe:
Solifer 550 GLS 1991 sähkökuva
anything