rekisteriseloste

Tiedote rekisteröitymisestä

Jos et ole saanut vahvistusviestiä rekisteröitymisestä si, tarkista roskapostikansiosi. Tämä erityisesti hotmail ja gmail sähköpostin käyttäjille.

Kirjoittaja Aihe: Electrolux lämpenee ajon aikana (kaasulla)  (Luettu 18324 kertaa)

*****
  • Matkailija
  • Aiheen aloittaja
  • Viimeksi paikalla:28.11.2021 kello on 01:15
Electrolux lämpenee ajon aikana (kaasulla)
« : 30.06.2016 kello on 02:10 »
Vaunu on Solifer S4 ja siinä alkuperäinen Electrolux-jääkaappi (mallinumeroa en muista), suljettu versio kuitenkin (ritilä sekä ylhäällä että alhaalla).

Paikallaan seisten kylmenee ja pysyy kylmänä kaasulla yhtä hyvin kuin sähkölläkin. Mutta heti kun lähtee liikkeelle (kaappi kaasukäytöllä), alkaa kaappi lämmetä. Reilun parin tunnin ajon jälkeen jääkaapin lämpö on noussut +3,5 -> + 9,5 ja pakastinlokeron peräti -15 -> -1 (!!). Kun matkanteko päättyy, alkaa kylmeneminen uudelleen välittömästi. Korostetaan vielä, että
 a) matkan aikana liekki ei sammu ja
 b) akkukäyttö matkan aikana ei ole etsimäni ratkaisu.

Onko kenelläkään muulla samoja kokemuksia? Millä mahtaisi korjaantua?

PS. Kerrotaan vielä, että isäukolla oli taannoin Goldie 580:ssä sama Electrolux ja täsmälleen sama tauti. Suutin putsattiin, asennettiin puhallin ja kaikenmoista muutakin hän sillä temppuili, kunnes vasta uusi Dometic poisti ongelman. Vaan löytyisikö muuta ratkaisua?

*****
  • Karavaanari
  • Viimeksi paikalla: 8.01.2026 kello on 11:46
  • I P E
Vs: Electrolux lämpenee ajon aikana (kaasulla)
« Vastaus #1 : 30.06.2016 kello on 06:36 »
Villi veikkaus

´tee suoja tulipesän ympärille´ jos liekki ei mene rööriin niin kaappi lämpiää ajon aikana. esim tölki systeemi

*****
  • Kalustoon kuuluva
  • Viimeksi paikalla:tänään kello 23:16
Vs: Electrolux lämpenee ajon aikana (kaasulla)
« Vastaus #2 : 30.06.2016 kello on 07:15 »
´tee suoja tulipesän ympärille´ jos liekki ei mene rööriin niin kaappi lämpiää ajon aikana. esim tölki systeemi

Pitäisihän siinä olla peltiä ympärillä, hyvinkin piukassa mutta on mahdollista, että johonkin tulee pyörre, joka sotkee ilman kiertoa. Joko kaapilla tai polttimella.
Pakokaasujen poistuminenkin voi  häiriintyä.
Eikun kokeilemaan.

*****
  • Karavaanari
  • Viimeksi paikalla: 8.01.2026 kello on 11:46
  • I P E
Vs: Electrolux lämpenee ajon aikana (kaasulla)
« Vastaus #3 : 30.06.2016 kello on 07:21 »
Joo totta minä aloittaisin kokeilun tolla "piipun" nuohouksella...ja sen jälkeen putsii sen palopesän jos ei tokene sen jälkeen kehittelisin sitä viima suojausta Thumb

*****
  • Kalustoon kuuluva
  • Viimeksi paikalla:tänään kello 23:26
Vs: Electrolux lämpenee ajon aikana (kaasulla)
« Vastaus #4 : 30.06.2016 kello on 09:45 »
Onkohan tuo S4:n kaappi autom. sytkällä?
Ajon aikana liekki ei siten välttämättä edes pala, jos sammuu liikaan happee tai sen puutteeseen..
Eniten huolissani olisin, jos liekki menee ohi hormin (aiheuttaa tuota kaapin ei-kylmenemistä) - voi palaa koko laitos..

Ykkösenä katsoisin myös tuo hormin puhtauden.. mihin se läpivienti (onko edes) menee? Katolle, kylkeen (vas?), jää ylemmän ritilän taakse tms..

*****
  • Karavaanari
  • Viimeksi paikalla: 9.10.2018 kello on 12:26
Vs: Electrolux lämpenee ajon aikana (kaasulla)
« Vastaus #5 : 30.06.2016 kello on 10:46 »
Äkkiä kuulostas siltä, että liekki karkaa..
Eli tuuli puhaltaa pakoputkesta sisään.

*****
  • Kaikkien Kaveri
  • Viimeksi paikalla:10.11.2025 kello on 09:31
Vs: Electrolux lämpenee ajon aikana (kaasulla)
« Vastaus #6 : 30.06.2016 kello on 12:45 »
Voisko olla "termostaattivika".Meinaan luulin aiemmin itsekin ettei siellä ole mitään termareita, ennenkuin aloin perehtyyn tohon omaan kaappiin. Termostaatin säätölaite"luulee" että kaappi on kylmä ja säätää kaasun liekkiä pienemmälle. Kait siellä jonkunlainen sähkötön säädin on? Kuristin tms. Koska eihän kaasulla käytetä sähköä kuin piezoon ja kumminkin on paneelissa numeraalinen säädinnuppi.
Jos ois esim. mekaanis-kemiallinen laite vähän kuin BI-metallijousi ennen autojen automaattirikastime ssa. Joka sitten liikuttaa jotain vartta mikä säätää venttiiliä. Jostain syystä esim. jos siihen anturisydeemiin pääsee viileää ilmaa niin valheellisesti säätäisi sitten kaappia pienemmälle. Tai joku nesteputki-mäntä systeemi. Neste laajenee ja mäntä päästää lisää kaasua, neste kutistuu ja kaasua vähemmän.... näin aattelisin..

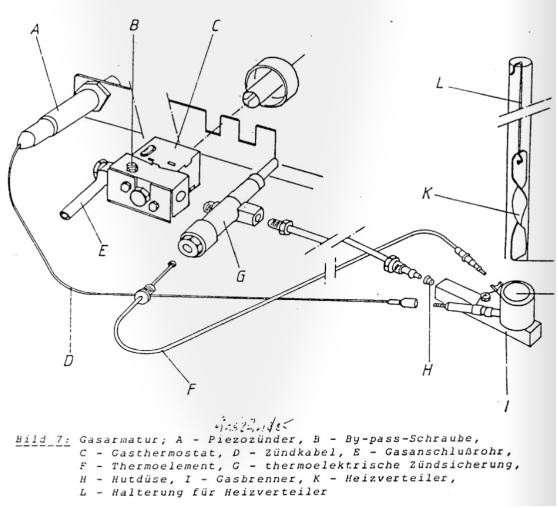
Löysin tuommosen kuvan kuvahaulla , kun pähkäilin ja kahlasin nettiä. Joskon siitä ois jotakin apua. Nää on uusia juttuja mullekin. Tossa kuvassa on joku "thermoelechtrishe Lundschliihenlaahhe n ... :-\.. no joo ...eli termoelektrinen värkki   ^-^ mikä tosiaan säätelee sitä kaasunvirtausta.
Jos se auton tärinästä falskaa vaikka jääkaapin ovi tai esim joku läpivienti kylmää niin huijaisko se tota värkkiä  G niin että kaappi lämpenis ajaessa sitten varkain. tai kun ovi avataan... ::)






« Viimeksi muokattu: 30.06.2016 kello on 13:32 »

*****
  • Kalustoon kuuluva
  • Viimeksi paikalla:tänään kello 23:26
Vs: Electrolux lämpenee ajon aikana (kaasulla)
« Vastaus #7 : 30.06.2016 kello on 15:15 »
^
Tossa G kaasuventtiilissä on 2 anturia; F liekkivahti (on/off) ja C termarisäätimessä..

Ilmeisesti F:ään viittaat. Se on niin kiinni liekissä, että liekin pitää oikeasti sammua, että katkasee..

*****
  • Kaikkien Kaveri
  • Viimeksi paikalla:10.11.2025 kello on 09:31
Vs: Electrolux lämpenee ajon aikana (kaasulla)
« Vastaus #8 : 30.06.2016 kello on 17:21 »
^
Tossa G kaasuventtiilissä on 2 anturia; F liekkivahti (on/off) ja C termarisäätimessä..

Ilmeisesti F:ään viittaat. Se on niin kiinni liekissä, että liekin pitää oikeasti sammua, että katkasee..

Jep.F eikä tuo Gee.  Elikkä tuo G on se minkä potikkaa painamalla ja kiertämällä annetaan sytytyksessä reippaampi kaasu, eli ohitetaan se vahti..Sitten kun potikkaa höllentää alkaa tuo F säätelemään..Käsiti nköhän oikein  vai menikö paljonnii mettään ::) :)


*****
  • Karavaanari
  • Viimeksi paikalla:13.01.2025 kello on 20:58
Vs: Electrolux lämpenee ajon aikana (kaasulla)
« Vastaus #9 : 30.06.2016 kello on 18:01 »
Voisko olla "termostaattivika".Meinaan luulin aiemmin itsekin ettei siellä ole mitään termareita, ennenkuin aloin perehtyyn tohon omaan kaappiin. Termostaatin säätölaite"luulee" että kaappi on kylmä ja säätää kaasun liekkiä pienemmälle. Kait siellä jonkunlainen sähkötön säädin on? Kuristin tms. Koska eihän kaasulla käytetä sähköä kuin piezoon ja kumminkin on paneelissa numeraalinen säädinnuppi.
Jos ois esim. mekaanis-kemiallinen laite vähän kuin BI-metallijousi ennen autojen automaattirikastime ssa. Joka sitten liikuttaa jotain vartta mikä säätää venttiiliä. Jostain syystä esim. jos siihen anturisydeemiin pääsee viileää ilmaa niin valheellisesti säätäisi sitten kaappia pienemmälle. Tai joku nesteputki-mäntä systeemi. Neste laajenee ja mäntä päästää lisää kaasua, neste kutistuu ja kaasua vähemmän.... näin aattelisin..

Löysin tuommosen kuvan kuvahaulla , kun pähkäilin ja kahlasin nettiä. Joskon siitä ois jotakin apua. Nää on uusia juttuja mullekin. Tossa kuvassa on joku "thermoelechtrishe Lundschliihenlaahhe n ... :-\.. no joo ...eli termoelektrinen värkki   ^-^ mikä tosiaan säätelee sitä kaasunvirtausta.
Jos se auton tärinästä falskaa vaikka jääkaapin ovi tai esim joku läpivienti kylmää niin huijaisko se tota värkkiä  G niin että kaappi lämpenis ajaessa sitten varkain. tai kun ovi avataan... ::)

Kuvan kaasu systeemissä ei ole lämpötilaa (kylmyyttä ) säätävää termostaatti toimintoa ainoastaan manuaalinen.
 Olisikohan mahdollista ,että ketjun aloittajalla olisi yhtä aikaa sekä kaasu ,että sähkövastus päällä.
 ::)



(Kuva piiloitettu, klikkaa tätä niin näet kuvan.)

*****
  • Matkailija
  • Aiheen aloittaja
  • Viimeksi paikalla:28.11.2021 kello on 01:15
Vs: Electrolux lämpenee ajon aikana (kaasulla)
« Vastaus #10 : 30.06.2016 kello on 23:43 »
Kiitoksia vastauksista jo tässä vaiheessa. Tässä vähän vastauksia ja tarkennuksia.

- Kaappi on mallia RM 4401, siis sähkösytkällä. Pidin tuolla ekalla vedolla sytkän ajon aikana sammuksissa (että tiedän, jos liekki sammuu ajon aikana). Ei ollut sammunut.
- Pakoputken yläpää on ylimmäisen ritilän takana. Poltin on heti alimmaisen ritilän takana.
- Pakoputki on ihan puhtaan näköinen - ainakaan paksulti ei näyttäisi olevan nokea tms. Jos pakoputki vetäisi huonosti, luulisi, että se haittaisi toimintaa myös paikallaan ollessa.
- Ei, ei ollut sähköllä ja kaasulla yhtä aikaa. Vaunussa ei jääkaappia voi edes käyttää 12V jännitteellä (7-napainen pistoke - vielä - ja 12V vastukselle syöttö tulee koukun pistokkeelta).
- Tuota termostaatin sielunelämää olen minäkin ihmetellyt. Mutta sitä en oikein ymmärrä, mikä saisi sen ymmärtämään lämpötilan väärin ajon aikana, seisoessa oikein.

Todennäköisimmältä kuulostaa minullekin tuo muutaman nostama epäilys ajoviiman aiheuttamasta pyörteestä tai lepatuksesta, joka aiheuttaa lämmön menemään "ohi" pakoputken. Nyt lämpeneminen on ajon aikana niin rajua, että voisi olettaa, että kaappi pysyisi paremmin kylmänä, jos siinä olisi kaikki offissa, kunhan ovi pysyy kiinni. Eli liekki ei lämmitä ammoniakki-vesi-seosta vaan päinvastoin se pääsee lämmittämään itse kaapin takaseinää, joten liekki lämmittää jäähdyttämisen sijaan.

Jonkinlaista suojakoteloa sille polttimelle on varmaan alettava näpräämään, ainakin kokeeksi. Ja voihan sen pakoputken tietysti nuohota, vaikka vain varmuuden vuoksi.

Ja kenelläkään muulla S4:n omistajalla tai muiden samalla kaapilla varustettujen vaunujen omistajilla ei samanlaisia kokemuksia ole?
« Viimeksi muokattu: 1.07.2016 kello on 00:02 »

*****
  • Karavaanari
  • Viimeksi paikalla:13.01.2025 kello on 20:58
Vs: Electrolux lämpenee ajon aikana (kaasulla)
« Vastaus #11 : 1.07.2016 kello on 08:26 »
 90 luvulla sattui "urallani "  useita lähes vastaavia tapauksia.
 Syy oli seuraava. Jääkaapin takaseinä oli" alumiini"paperilla päällystettyä styroksia,pakoputkesta
 tuleva kuuma ilma oli sulattanut styroksiin reiän ja ajon aikana kuumat pako kaasut menivät pakastelokeroon.
 Paikkasin styroksin ja laitoin peltilevyn suojaksi.
 En muista onko kattoluukun asettelulla syy tuohon vaunun alipaineiseen.
 Vähän vanhemmissa jääkaapin pakoputken T-kappaleissa oli pieni kumiläppä ,joka esti pakokaasujen pääsyn väärinpäin.

  • Vieras
  • Vs: Electrolux lämpenee ajon aikana (kaasulla)
    « Vastaus #12 : 1.07.2016 kello on 08:39 »
    90 luvulla sattui "urallani "  useita lähes vastaavia tapauksia.
     Syy oli seuraava. Jääkaapin takaseinä oli" alumiini"paperilla päällystettyä styroksia,pakoputkesta
     tuleva kuuma ilma oli sulattanut styroksiin reiän ja ajon aikana kuumat pako kaasut menivät pakastelokeroon.
     Paikkasin styroksin ja laitoin peltilevyn suojaksi.
     En muista onko kattoluukun asettelulla syy tuohon vaunun alipaineiseen.
     Vähän vanhemmissa jääkaapin pakoputken T-kappaleissa oli pieni kumiläppä ,joka esti pakokaasujen pääsyn väärinpäin.

    Muistan kanssa vastaavia tapauksia aikoinaan sattuneen.


    Sent from my iPad using Tapatalk

    *****
    • Kaikkien kaveri Sr.
    • Viimeksi paikalla:15.04.2026 kello on 10:35
    • seniori
    Vs: Electrolux lämpenee ajon aikana (kaasulla)
    « Vastaus #13 : 1.07.2016 kello on 15:08 »
    Olisiko lisätty lattiareiälle pölysuoja = ilmaohjain lattian alle, jolloin ilmankierto heikkenee ajaessa?

    *****
    • Kalustoon kuuluva
    • Viimeksi paikalla:tänään kello 23:16
    Vs: Electrolux lämpenee ajon aikana (kaasulla)
    « Vastaus #14 : 1.07.2016 kello on 22:03 »
    Jonkinlaista suojakoteloa sille polttimelle on varmaan alettava näpräämään, ainakin kokeeksi. Ja voihan sen pakoputken tietysti nuohota, vaikka vain varmuuden vuoksi.

    Uudelleen: Eikö se poltin ole peltikotelon sisällä?

     

    anything