rekisteriseloste

Tiedote rekisteröitymisestä

Jos et ole saanut vahvistusviestiä rekisteröitymisestä si, tarkista roskapostikansiosi. Tämä erityisesti hotmail ja gmail sähköpostin käyttäjille.

Kirjoittaja Aihe: Yet another toimimaton 2470  (Luettu 5536 kertaa)

*****
  • Matkailija
  • Aiheen aloittaja
  • Viimeksi paikalla: 8.10.2016 kello on 13:48
Yet another toimimaton 2470
« : 14.04.2016 kello on 19:42 »
Jahas. Tehdääs nyt oma topikki omasta lämppäristä. Paljon foorumia selattu ja gurujen tekstejä luettu. Hemmetisti auttanut ymmärtämään tän toimintaa. Kiitoksia teille kaikille jotka ootte täällä jeesannut ihmisiä!
Tarkotus olis tosiaan laittaa lämppärisysteemi nyt iskukuntoon.  Yritän vähän laittaa itsellekkin tänne muistiin jos tästä tulee pitkäkin korjaus-saaga ?

Vikakuvaus on hieman heikko kun vika ilmaantu viime vuonna ja nyt aloin vasta korjaamaan  :D (tuhoamaan lisää) En nyt muista enään kaikkia. Tarvii varmaan mennä asenteellaa, että mitä korjataan seuraavaksi.

Paneeli siis meni kokonaan mykäksi -> 4A Sulake palanut -> vaihdoin> Ei toimi edelleenkään kumpikaan puoli. Tämä siis on tapahtunut viime kesänä joten ei välttämättä pidä paikkaansa. Mutta tosiaan tän takia aloin tarkastamaan sähköpatruunaa ekana ja kun se nyt olis tärkein saada ekana toimimaan. Kaasupoltinta ei meidän käytössä juuri tarvi.


Sähköpatruunan huolto.

Noh tällä viikolla otin sähköpatruunan pöydälle ja purin sen. Tarkistin releiden kärkien vastukset, vastuksien vastukset, 230v moottorin ja konkan. Lämpösuojan kärkien vastukset. Kaikki OK.  230v kiinni ja käskytin 12vdc:llä. Toimii. Moottorikin pyöri nätisti.  Patruuna paikalleen ja testausta että toimiiko. Toimiii. Paneeli käskyttää nätisti 12 voltilla molempia puolia.

Ilmeisesti kortti ei ollut käskyttänyt tätä patruunaa viime vuonna, nyt toimi ? Noh tarkistetaan kortti sitten jossain vaiheessa.


Vaunun puolella oleva Ohjauspaneeli - Pannu välissä oleva sokeripala

Sähköpatruunan kanssa temutessa kiristelin samalla sokeripalan liitokset. Oli löysällä.


Kaasupuoli:


Mikään ei sano mitään. Vaikka kaasu nappia painelee. Kaasun magneettiventtiili ei vedä. Rämpläystä siellä ja täällä. Taas leikkien sotaan ja purkamaan.


Pannun safety timer
En päässyt ajastinkoppaa pidemmälle kun haistoin toimintasavua. Levy irti ja sisältä löytyi ainaskin kolme diodia paskana. Releen vieressä, ilmeisesti liittyy kiertovesipumppuun. Kyllä olen rämplännyt liitintä, kun ohjauspaneeli on pyytänyt lämpöä, onko syynä tämä kohnotus vai joku muu.   Mitä piirilevylle kannattaa tehdä ? Mittasin releen ylivastuksen kontakteista ja ok:ta näytti.  Kannattaako silti vaihtaa konkat, releen, yms ?
Voiko tuon toiminnan testata ? Olikos mjoo piirtänyt kuvan tuosta komponenttejen kanssa. Mitähän noi diodit on tarkalleen.



Laitetaan kortti sivuun jos jollain olisi ideaa tähän asiaan.

Pannun irroitus ja huolto

Seuraavaksi pannu irti. Yritin hieman mittailla vesitermostaattia yms. Abikot olivat todella hapettuneita ja sain ihme lukemia esim vesitermostaatista (200 ohm) Noh otetaan pannu kokonaan irti....


JATKUU............. ................... .........

« Viimeksi muokattu: 14.04.2016 kello on 20:08 »

*****
  • LämmitinGuru
  • Aluevalvoja
  • Kalustoon kuuluva
  • Viimeksi paikalla:12.03.2026 kello on 08:32
Vs: Yet another toimimaton 2470
« Vastaus #1 : 14.04.2016 kello on 19:53 »
Yhdessä kohtaa sanoit, että paneeli täysin mykkä, mutta kuitenkin sähkölämmitys toimi? Pannun kiertovesipumppu täydellisessä oikosulussa kun diodit paukkuu. Onko pannun pumppu käytössä myös sähkölämmityksessä kun siinäkin diodi palaunut?



*****
  • Matkailija
  • Aiheen aloittaja
  • Viimeksi paikalla: 8.10.2016 kello on 13:48
Vs: Yet another toimimaton 2470
« Vastaus #2 : 14.04.2016 kello on 20:05 »
 Tuo alku vikakuvaus on vuoden takaa ja tosiaan voi olla väärin. Tarvii muuttaa ja katsoa vikakuvausta uudelleen kun katson pannun ekana lävitse.

Viimesessä testissä kyllä paneeli toimi sähkön osilta. Kaasupuolella paneeli toimi hieman erikoisesti kokoajan. Ekana kaasun vikavalo syttyi heti ja vähän ajan päästä ei tapahtunut mitää.  En muista pyörikö sähköpuolella myös 12v pumppu.

*****
  • LämmitinGuru
  • Aluevalvoja
  • Kalustoon kuuluva
  • Viimeksi paikalla:12.03.2026 kello on 08:32
Vs: Yet another toimimaton 2470
« Vastaus #3 : 14.04.2016 kello on 20:20 »
Kun kaasupuolella ei tapahtunut mitään niin paloiko ohjauspaneelissa kuitenkin vihreä ledi?






*****
  • Matkailija
  • Aiheen aloittaja
  • Viimeksi paikalla: 8.10.2016 kello on 13:48
Vs: Yet another toimimaton 2470
« Vastaus #4 : 14.04.2016 kello on 21:37 »
En muista. Katson tarkemmin kun meen käymään seuraavan kerran.

*****
  • Matkailija
  • Aiheen aloittaja
  • Viimeksi paikalla: 8.10.2016 kello on 13:48
Vs: Yet another toimimaton 2470
« Vastaus #5 : 20.04.2016 kello on 21:48 »
Pannun safety timer

Uusin kortille diodit. 1N4007 meni paikalleen.

Muuta

Pannuun tuli Mjo:lta kipinäsytkä, kiitoksia sinnepäin! Tarvii riipasta pannu irti varmaan tulevana viikonloppuna ja alkaa katsomaan sitä lävitse.

*****
  • LämmitinGuru
  • Aluevalvoja
  • Kalustoon kuuluva
  • Viimeksi paikalla:12.03.2026 kello on 08:32
Vs: Yet another toimimaton 2470
« Vastaus #6 : 21.04.2016 kello on 09:06 »
Pannun safety timer

Uusin kortille diodit. 1N4007 meni paikalleen.

Muuta

Pannuun tuli Mjo:lta kipinäsytkä, kiitoksia sinnepäin! Tarvii riipasta pannu irti varmaan tulevana viikonloppuna ja alkaa katsomaan sitä lävitse.

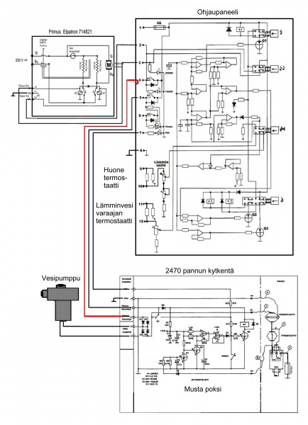
Onko sinulle nyt selvää, miten pannun jännitteet mitataan? Ylempänä oleva lohkokaaviokuva selventää periaatetta.

*****
  • Matkailija
  • Aiheen aloittaja
  • Viimeksi paikalla: 8.10.2016 kello on 13:48
Vs: Yet another toimimaton 2470
« Vastaus #7 : 12.05.2016 kello on 17:20 »
Tosiaan tän korjauksen kesto voidaan kohta mitata vuosissa, mutta kun kesälomareissu olis tulossa ja lämmitys tarvis kai olla kunnossa niin pitää jatkaa...

Pannu

Pannu otettiin irti, rassattiin,testattiin, maalattiin ja kipinätettiin(kiitos MJO).
Kaikki liittimet oli todella hapettunut ja antoi korkeita ohmeja. Hieman liittimiä putsattu ja kaikki anturit testattu toimiviksi. Josko sen kohta vaunuun sais.


12v Kiertovesipumppu testattiin ja on "oikosulussa" Katotaan jaksaako vanhaa enään uudelleen motittaa. Hätävaroiks ostin motonetistä aidon boshilaisen. Käynnistyessään ottaa 1.3A ja käydessä 0.3A ilman kuormaa. Toivottavasti diodit kestää.


*****
  • Kaikkien Kaveri
  • Viimeksi paikalla: 3.04.2023 kello on 16:44
  • Nurmijärvi
Vs: Yet another toimimaton 2470
« Vastaus #8 : 12.05.2016 kello on 17:29 »
Kipinäkärki pitäis olla niin että se kipinöi siihen liekkiraudan reunaan, ei päälle.
Syttyy paremmin kun on arinan päällä.

*****
  • Matkailija
  • Aiheen aloittaja
  • Viimeksi paikalla: 8.10.2016 kello on 13:48
Vs: Yet another toimimaton 2470
« Vastaus #9 : 12.05.2016 kello on 17:46 »
OK. Jäin kanssa miettimään asiaa kun tuossa tuli mukana se poraus mitoitus. Olenkohan sen sitten tulkinnut väärin. Mutta kiitoksia korjataan asia. Pannu on vielä irti! Tais tuo kärki olla tuossa kuvassa muutenkin vielä korkealla, 5mm päähän muistaakseni laitoin.

*****
  • Kaikkien Kaveri
  • Viimeksi paikalla: 3.04.2023 kello on 16:44
  • Nurmijärvi
Vs: Yet another toimimaton 2470
« Vastaus #10 : 12.05.2016 kello on 17:58 »
Tossa vielä kuva.



*****
  • LämmitinGuru
  • Aluevalvoja
  • Kalustoon kuuluva
  • Viimeksi paikalla:12.03.2026 kello on 08:32
Vs: Yet another toimimaton 2470
« Vastaus #11 : 12.05.2016 kello on 19:27 »
Noita asennuskuvia kannattaa uskoa, niin hommat toimii. :D