Kirjoittaja
Aihe: Truma 6002 lämpösäädön laiskistaminen (Luettu 36392 kertaa)
« Vastaus #31 : 17.10.2015 kello on 18:04 »
« Vastaus #32 : 18.10.2015 kello on 11:34 »
Kun rupesin tutkimaan tarkemmin tuota haperon kuvaa https://goo.gl/Br51uTotesin homman aika vaikeaksi, koska kyseessä taitaa olla lämmittimen ominaisuus. Kun säätöä hieman muuttaa lämpimämpään päin mene se täydelle teholle ja samoin sammuu jopa täydeltä teholta todella pienestä asetuksen muutoksesta. Jännite komparaattoreille on jaettu kahdella 2 k vastuksella joiden välissä on säätöportaat eli ketjussa olevat kaksi 49,9 ohm vastusta. Kun lämmitin on käynnissä. niin jo 2,43% muutos jännitteenjaossa saa aikaan täyden tehon. (99,8/4099,8*100) Eli lämpöä ei voi nostaa kuin hiukan säätimestä vain pientä tehoa käyttäen. Tuota tilannetta ei voi muuttaa edes suunnittelemallani säädöllä. Kun katsoin oman asetuksen paikan niin se oli 4 joka laskennallisesti vastaa 7 kohm vastusta sarjavastuksen kanssa, siitä 2,43% on 170 ohm eli 3,6% eli ei ole ihme jos säätö on herkkä. Kyseessä lienee tasoittumisilmiö, eli auto käy kuumana ennekuin lämpö tasoittuu säädettyyn arvoon, sitä ei voine muuttaa toisellakaan säädöllä. Suunnittelijat lienevät ajatelleet nopeaa vastetta lämpötilan säätöön, mutta kun lämpö muuttuu termostaatissa (NTC-vastus) kuitenkin hitaasti vaikka pannu muuttaa tehoa nopeasti on lopputulemana vaikea olotila, kunnes lämpö on tasoittunut ja pannu saavuttanut tasapainotilan. Lopputulemana luovun projektista ja tyydyn kohtalooni  Jos joku saa tästä kimmokkeen testata hommaa ja saa sen toimimaan olen mielenkiinnolla mukana.
« Vastaus #33 : 18.10.2015 kello on 19:29 »
Kiitos kaikille keskusteluun osallistuneille, erityisesti haperolle jonka ansiosta selvisi tuon säädön problematiikka.
« Vastaus #34 : 18.10.2015 kello on 23:44 »
Jännite komparaattoreille on jaettu kahdella 2 k vastuksella joiden välissä on säätöportaat eli ketjussa olevat kaksi 49,9 ohm vastusta. Kun lämmitin on käynnissä. niin jo 2,43% muutos jännitteenjaossa saa aikaan täyden tehon. (99,8/4099,8*100) Eli lämpöä ei voi nostaa kuin hiukan säätimestä vain pientä tehoa käyttäen. Tuota tilannetta ei voi muuttaa edes suunnittelemallani säädöllä.
Case closed? Tehoportaiden väli on noin pari astetta. Tuossa on liitteenä käyrät säätimen eri asennoille ja niitä vastaavat tehonvaihtopisteet 12V käyttöjännitteellä.
« Vastaus #35 : 19.10.2015 kello on 06:07 »
Eihän nyt näin helposti mene sisu kaulaan. Valmiit kytkentäkaaviot ja koko joukko toteuttamiskelpoisi a neuvoja?
Esim. vastaukset: #8. Rinnakkaisvastuksel la tulee se piirre että säätö "kasautuu" toiseen päähän trimmerin liu'un liikettä. Eli siis oikosuljetussa päässä säätö on erittäin "laiska", toista päätä kohden reagointi voimistuu. Tuota voisi käyttää hyväksikin, sarjavastuksella pelaamalla voi ottaa käyttöön sopivan kohdan potentiometrin liikevarasta. Käytännössä siis kokeilemalla siten että korvaa R10:n monikierrostrimmeri llä ja kun saa tuntuman siihen mikä vaste ("herkkyys/laiskuus") tuntuu hyvältä niin sitten R10:ksi lähelle sattuva kiinteä vastus. Tietysti pitäen mielessä että jos joudutaan lähelle säädon ääripäitä niin säätöalue voi rajoittua liiallisesti. Joka tapauksessa on varauduttava siihen että säädön "kuumempi" pää on lähes yhtä äkkinäinen kuin ennenkin.(eikä se siis juurikaan riipu siitä mihin lämpötilaan saakka kuuma pää modifikaation jälkeen ulottuu)
ja #10. Potentiometrin pienentäminen (+R10:n suurentaminen) pitää tietysti säätöalueen lineaarisena mutta käsitin että se ei miellytä koska mekaaninen yhteensopivuus tulisi ongelmaksi. (kuusiokolo säätöakselille). Mutta eikös vain ole ELFA:lla Piherin 1kohm trimmeri 64-351-35 ?? eli PT10MV10102A2020IPM S. Siinä on ainakin osittain kuusiokolo, aivan kuin ei menisi läpi asti, mutta askarteluporakoneel la voinee silpaista "tukoksen" pois jos tarve vaatii?. Nuo kun ei juuri mitään maksa niin tuollaisen voinee kai yrittää avata ja katsoa saisiko näppärä harrastaja pelkän vastusradan vaihdetuksi. (siis tietenkin silloin jos alkuperäisellä mekaniikalla ei osaa ole saatavissa) Tuo on siis 10mm:n malli ja muitakin vastusarvoja löytyy, mutta pitääkö se ollakin 15mm:n? Ottamatta kantaa mekaanisiin vaikeuksiin niin itse vastaavassa tilanteessa luulisin kehittäväni keplotteluita niin että saisin säätövastuksen tilalle Cermet-mallin. En silti halua yllyttää muita täydellisyyden tavoitteluihin, sellaisella kun on joskus hintansa, muodossa eli toisessa.
"Totesin homman aika vaikeaksi, koska kyseessä taitaa olla lämmittimen ominaisuus." - Äkkinäinen säätövipu??. Siis säätimen, oikeastaan vain säätöpaneelin ominaisuushan tuo on. Suuri (asetus)säätöalue ei hyödytä säätöjärjestelmää mitenkään, ehkei tosin haittakaan sitten kun säätö on vaan kohdalleen saatu. Kuten Hapero toteaa niin tehoportaitten väli on pari astetta mikä kuulostaa järkevältä.
"Suunnittelijat lienevät ajatelleet nopeaa vastetta lämpötilan säätöön, mutta kun lämpö muuttuu termostaatissa (NTC-vastus) kuitenkin hitaasti vaikka pannu muuttaa tehoa nopeasti on lopputulemana vaikea olotila, kunnes lämpö on tasoittunut ja pannu saavuttanut tasapainotilan." - Ehken oikein ymmärrä käsitettä "vaikea olotila" mutta säätöteknisesti asia on niinpäin että jos säädettävä suure (auton sisälämpötila ja siitä viestivä NTC:n vastusarvo) muuttuu hitaasti ja (säätö)järjestelma kykenee reagoimaan nopeasti niin järjestelmä on helppo tehdä stabiiliksi. Eikös se tarkoita helppoa olotilaa...?. "Nopea vaste lämpötilan säätöön" todella on, elektroniikka on käytännössä viiveetön ja pannun tehomuutoksenkin viive lienee merkityksetön sisälämpötilan muuttumis- nopeuteen verrattuna. Äkkinäinen, siis "kulmikkaasti" käyttäytyvä säätövipu on kuitenkin aivan eri asia. Sillä ei ole tekemistä minkään lämmön tasoittumisten sen enempää kuin pannun tasapainotilojenkaa n kanssa. (eihän portaittaisessa säädössä edes ole tasapainotilaa?)
@mjh48: Totesit jo ihan alussa että lämpötilan säätö järjestelmän puolesta toimii oikein hyvin, vain (ohjearvon)asetus on hankalaa. Aivan oikein... pidä tämä mielessä edelleenkin, älä anna ajatuksen harhautua. Selvästikin osaat muuttaa mitä tarvitaan. Mutta tarkista kuitenkin että potentiometri toimii kohtuullisen tasaisesti koko aluellaan, eli jännite navassa X1-5 muuttuu juohevasti.
Mitä tulee suunnittelijoiden mietteisiin niin heille on painoarvoa sillä että asetusalue on riittävä kattamaan myös komponenttien toleranssien vaikutukset. Siis jos vaikka anturi vaihdetaan varaosana niin ylimääräisiä trimmauksia ei tarvita. Käyttäjälle se voi näkyä liiallisena säätövarana.
« Vastaus #36 : 19.10.2015 kello on 10:55 »
Mutta eikös vain ole ELFA:lla Piherin 1kohm trimmeri 64-351-35 ?? eli PT10MV10102A2020IPM S. Siinä on ainakin osittain kuusiokolo, aivan kuin ei menisi läpi asti, mutta askarteluporakoneel la voinee silpaista "tukoksen" pois jos tarve vaatii?. Nuo kun ei juuri mitään maksa niin tuollaisen voinee kai yrittää avata ja katsoa saisiko näppärä harrastaja pelkän vastusradan vaihdetuksi. (siis tietenkin silloin jos alkuperäisellä mekaniikalla ei osaa ole saatavissa) Tuo on siis 10mm:n malli ja muitakin vastusarvoja löytyy, mutta pitääkö se ollakin 15mm:n?
Alkuperäinen on pt10, piirilevyssä on reijät myös pt6:lle 
« Vastaus #37 : 19.10.2015 kello on 12:14 »
Hiuka ohi aiheen. Missä sinulla on tuon termostaatti? Auttaisiko sen paikan vaihto Edes hiukan. Meillä on tuo vanhempi malli asEnnEttu pitkittäissängyn jalkopään seinään ja esim. lyhyt oven avaus ei lyö lämmitintä päälle. Muutenkin oiva paikka ja yöllä helppo säätää nousematta
« Vastaus #38 : 19.10.2015 kello on 16:18 »
Hiuka ohi aiheen. Missä sinulla on tuon termostaatti? Auttaisiko sen paikan vaihto Edes hiukan. Meillä on tuo vanhempi malli asEnnEttu pitkittäissängyn jalkopään seinään ja esim. lyhyt oven avaus ei lyö lämmitintä päälle. Muutenkin oiva paikka ja yöllä helppo säätää nousematta
Se on ohjauspaneelin valintakiekon alla.
« Vastaus #39 : 19.10.2015 kello on 23:58 »
Kuten mainitsin ongelma on säädön herkkyys. Termostaatti, eli NTC vastus on oven yläpuolella. Ei tuossa uudemmassa ole sisäistä termostaattia.
(Kuva piiloitettu, klikkaa tätä niin näet kuvan.)
Se on ohjauspaneelin valintakiekon alla.
Tuosta mjhn vastauksesta oletin ettei ole. Oven yläpuolella oleva termostaatti ei mielestäni ole oikealla paikalla kun lämpövaihtelu on iso heti kun avaa oven hetkeksikin
« Vastaus #40 : 20.10.2015 kello on 09:42 »
^ Uudemman mallin ohjauspaneelissa on erillinen lämpötunnistin ( NTC-vastus ) ja vanhanmallisessa se on ohjauspaneelissa, mutta on myös mahdollista laittaa erillinen etätunnistin, jolloin ohjauspaneelin tunnistin irtoaa kytkennästä.
« Vastaus #41 : 20.10.2015 kello on 13:41 »
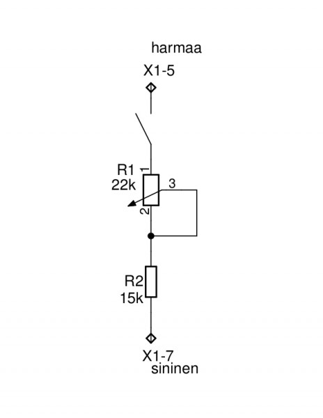
Mittailin mitä vastusarvoja nastojen 5 ja 7 väliltä löytyy, alla arvot kilo-ohmeina 1 9,45 2 8,90 3 8,35 4 7,85 5 7,35 6 6,85 7 6,35 8 5,80 9 5,25 Meillä säädin näkyy olevan nelosasennossa (7,85 k) jolloin lämmitin pitää lämmön katkomalla lämmitystä, eli NTC rinnan 10 kohm vastuksen kanssa on n.7,47 ohm. Jos haluaa lämmön nousevan pienellä teholla säädin + sarjavastus eivät saa alittaa arvoa 7,47 eli säätö saa muuttua maks 380 ohm. Edit: Laskelmat jatkuu Jos säätimen rinnalle nastojen 5 ja 7 väliin asentaa 80k vastuksen ja sille sarjaan 120k potikan, voisi päästä tyydyttävään tulokseen, täytynee testailla keväällä kun alkaa taas autossa asustelemaan ja saa hankittua potikan. Lämmittimen asennossa 3, jossa vastusarvo on 8,35 tulee potikalla vaihteluväliksi 7,56k - 8,02k tällöin tehon pitäisi pysyä pienellä kuitenkin nostaen lämpötilaa tuo säätöalue olisi haperon käyrän mukaan n. 4 ast Lämmittimen asennossa 5 jossa vastusarvo on 7,35 tulee potikalla vaihteluväliksi 6,73k - 7,09k eli säätöalue potikalla olisi n. 3 ast. Potikan ollessa alkuaan keskiasennossa pitäisi lämpöä pystyä säätämään ilman tehon nousua pieneltä tehoalueelta. Kuitenkin säädin on käytettävissä jos haluaa tehdä suurempia säätöjä. Tässä tämä lopputulos sitten on ei kun innokkaimmat kokeilemaan 
« Viimeksi muokattu: 20.10.2015 kello on 15:21 »
« Vastaus #42 : 20.10.2015 kello on 14:55 »
Miksi ei säätöä voi tehdä kuvan mukaan. RX1 ja RX2 arvoja virittelemällä saadaan säätöalue haluttuun kohtaan vai oliko tarkoitus hallita koko säätöaluetta. Tarkkaa säätöaluetta tolla kytkennällä ainakin saa koko trimmerin säätöalueella. 
« Vastaus #43 : 20.10.2015 kello on 15:19 »
Miksi ei säätöä voi tehdä kuvan mukaan. RX1 ja RX2 arvoja virittelemällä saadaan säätöalue haluttuun kohtaan vai oliko tarkoitus hallita koko säätöaluetta. Tarkkaa säätöaluetta tolla kytkennällä ainakin saa koko trimmerin säätöalueella.
(Kuva piiloitettu, klikkaa tätä niin näet kuvan.)
Meinaatko lämmittimessä vaiko säätimessä? Lähdin siitä liikkeelle ettei laitetta tarvitsisi puukottaa lainkaan.
« Vastaus #44 : 20.10.2015 kello on 15:50 »
Tässä tämä lopputulos sitten on ei kun innokkaimmat kokeilemaan 
Riittäkö jos simuloi?
|