rekisteriseloste

Tiedote rekisteröitymisestä

Jos et ole saanut vahvistusviestiä rekisteröitymisestä si, tarkista roskapostikansiosi. Tämä erityisesti hotmail ja gmail sähköpostin käyttäjille.

Kirjoittaja Aihe: Primus Elpatron 714821 toinen vastus pimeenä  (Luettu 9303 kertaa)

*****
  • Karavaanari
  • Aiheen aloittaja
  • Viimeksi paikalla: 1.11.2018 kello on 13:14
Primus Elpatron 714821 toinen vastus pimeenä
« : 8.05.2014 kello on 10:53 »
Moro,

Olen ihmetellyt primuksen sähköpatruunan ponnettomuutta ja tänään päätin asian tutkia. Täältä saikin hyviä kuvia ja tietoja kun purin laitteen, kiitos kaikille siitä!

Seuraavat tiedot sain mittailusta:
Vastus 1: 49.4ohm
Vastus 2: 48.8ohm
Shukosta: 1kW = 49ohm ja 2kW 49ohm eli toinen vastus ei tule rinnalle eli ei kytkeydy.

Jännite tulee liittimestä aina releelle asti (mittasin joka pisteen) mutta en millään keksinyt miten "piipata" releen kärkiä NO ja NC asenoista, nastat oli hukassa piirilevyltä eli K1 ja K2 nastojen 4 ja 5 sijainnit. Tuntuu kun ne olis molemmat aina kiinni oli paneelin ohje sitten 1kW tai 2kW. Voiko välissä oleva diodi olla viallinen ja täten johtaa molempiin suuntiin jolloin molemmat releet vetää aina?

Myös termarin kytkimet on mitattu ja 1kW antaa jännitteen punaiseen piuhaan ja 2kW valkoiseen piuhaan ihan kuten kuuluukin.

Kiitokset etukäteen avusta!

-Luna

*****
  • LämmitinGuru
  • Aluevalvoja
  • Kalustoon kuuluva
  • Viimeksi paikalla:12.03.2026 kello on 08:32
Vs: Primus Elpatron 714821 toinen vastus pimeenä
« Vastaus #1 : 8.05.2014 kello on 11:30 »
Vaihda molemmat releet niin rupeaa toimimaan. Vastukset on OK.

*****
  • Karavaanari
  • Aiheen aloittaja
  • Viimeksi paikalla: 1.11.2018 kello on 13:14
Vs: Primus Elpatron 714821 toinen vastus pimeenä
« Vastaus #2 : 14.05.2014 kello on 06:36 »
Jesh vika korjattu! Thumb

Vaihdoin releet (Goodsun merkkiset) tilalle ja nehän sopi suoraan samoihin reikiin ilman porailua. Vika ei kuitenkaan sillä korjaantunut vaan vieläkin toinen vastus oli mykkä joten pakon sanelemana kytkin 230V kiinni ja varovasti mittaamaan jännitteitä. Yllättäen molempian vastusten nolla napojen välissä olikin 230V jännite, joten tajusin että kontaktihan on poikki. No niinhän se oli, Yhteen apikoliittimeen on puristettu kaksi johdin ja toinen oli poikki. Tein uuden johtimen ja testasin, pelaa!

Ainut mysteeri on vielä se että oli päällä 1kW tai 2kW on aina päällä 2kW, taitaa olla ohjauskytkennässä vika ei primuksessa. Toisaalta tällä ei ole mitään merkitystä sillä isompi teho on päällä vähemmän aikaa tuottaakseen saman määrän lämpöä kuin pienempi ja itseasiassa reakoi nopeammin. Minulla kun on systeemi jossa on vain 12V pumppu (toinen lämmitin toimii naftalla) niin se pumppu pitää myös ääntä. Tarvitsen pumppua koska autossa on lämmönvaihdin jolla moottorilämpö ohjataan asuntotilaan ajon aikana ja 12V pumppu kierrättää nesteen.

-Luna

*****
  • LämmitinGuru
  • Aluevalvoja
  • Kalustoon kuuluva
  • Viimeksi paikalla:12.03.2026 kello on 08:32
Vs: Primus Elpatron 714821 toinen vastus pimeenä
« Vastaus #3 : 14.05.2014 kello on 09:12 »
Jesh vika korjattu! Thumb

Vaihdoin releet (Goodsun merkkiset) tilalle ja nehän sopi suoraan samoihin reikiin ilman porailua. Vika ei kuitenkaan sillä korjaantunut vaan vieläkin toinen vastus oli mykkä joten pakon sanelemana kytkin 230V kiinni ja varovasti mittaamaan jännitteitä. Yllättäen molempian vastusten nolla napojen välissä olikin 230V jännite, joten tajusin että kontaktihan on poikki. No niinhän se oli, Yhteen apikoliittimeen on puristettu kaksi johdin ja toinen oli poikki. Tein uuden johtimen ja testasin, pelaa!

Ainut mysteeri on vielä se että oli päällä 1kW tai 2kW on aina päällä 2kW, taitaa olla ohjauskytkennässä vika ei primuksessa. Toisaalta tällä ei ole mitään merkitystä sillä isompi teho on päällä vähemmän aikaa tuottaakseen saman määrän lämpöä kuin pienempi ja itseasiassa reakoi nopeammin. Minulla kun on systeemi jossa on vain 12V pumppu (toinen lämmitin toimii naftalla) niin se pumppu pitää myös ääntä. Tarvitsen pumppua koska autossa on lämmönvaihdin jolla moottorilämpö ohjataan asuntotilaan ajon aikana ja 12V pumppu kierrättää nesteen.

-Luna

Tarkoitatko, että kun vain 1kw on päällä niin 2kw valo palaa myös paneelissa? Tarkista, ettei diodi ole oikosulussa.



*****
  • Karavaanari
  • Aiheen aloittaja
  • Viimeksi paikalla: 1.11.2018 kello on 13:14
Vs: Primus Elpatron 714821 toinen vastus pimeenä
« Vastaus #4 : 14.05.2014 kello on 17:19 »
Epäilen samaa, pitää tutkia lisää :) Tämä on tosi hyvää opiskelua aiheesta!

Sent from my Lumia 800 using Tapatalk

*****
  • Karavaanari
  • Aiheen aloittaja
  • Viimeksi paikalla: 1.11.2018 kello on 13:14
Vs: Primus Elpatron 714821 toinen vastus pimeenä
« Vastaus #5 : 16.05.2014 kello on 09:20 »
No niin. Diodi on ehjä ja vika tarkennettu ohjauspaneelin suuntaan eli molemmat lämmitystehot antaa 12v jännitteen sekä punaiselle että valkoiselle johtimelle. Seuraavaksi siis tutkittava ko. Johdotus ja napit. Kyllä tämä tästä selviää ja auto on taas lämmin sisältä :D

Sent from my Lumia 800 using Tapatalk

*****
  • LämmitinGuru
  • Aluevalvoja
  • Kalustoon kuuluva
  • Viimeksi paikalla:12.03.2026 kello on 08:32
Vs: Primus Elpatron 714821 toinen vastus pimeenä
« Vastaus #6 : 16.05.2014 kello on 10:12 »
No niin. Diodi on ehjä ja vika tarkennettu ohjauspaneelin suuntaan eli molemmat lämmitystehot antaa 12v jännitteen sekä punaiselle että valkoiselle johtimelle. Seuraavaksi siis tutkittava ko. Johdotus ja napit. Kyllä tämä tästä selviää ja auto on taas lämmin sisältä :D

Sent from my Lumia 800 using Tapatalk

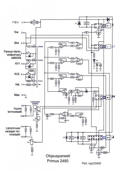
Tästä varmaan on apua. Tutki 2kw-kytkintä.





*****
  • Karavaanari
  • Aiheen aloittaja
  • Viimeksi paikalla: 1.11.2018 kello on 13:14
Vs: Primus Elpatron 714821 toinen vastus pimeenä
« Vastaus #7 : 16.05.2014 kello on 18:21 »
On apuja, kiitos!

Sent from my Lumia 800 using Tapatalk

*****
  • LämmitinGuru
  • Aluevalvoja
  • Kalustoon kuuluva
  • Viimeksi paikalla:12.03.2026 kello on 08:32
Vs: Primus Elpatron 714821 toinen vastus pimeenä
« Vastaus #8 : 5.01.2016 kello on 12:53 »
On apuja, kiitos!

Sent from my Lumia 800 using Tapatalk

Miten tämä aihe selvisi? Löytykö vika?

*****
  • Karavaanari
  • Aiheen aloittaja
  • Viimeksi paikalla: 1.11.2018 kello on 13:14
Vs: Primus Elpatron 714821 toinen vastus pimeenä
« Vastaus #9 : 9.01.2016 kello on 12:01 »
Laiskuus iski ja asia on vielä selvittämättä. Laite toimii ihan hyvin 2kw asennossa joten en panostanut asiaan kun muut systeemit vaati huomiota ????
-Luna