rekisteriseloste

Tiedote rekisteröitymisestä

Jos et ole saanut vahvistusviestiä rekisteröitymisestä si, tarkista roskapostikansiosi. Tämä erityisesti hotmail ja gmail sähköpostin käyttäjille.

Kirjoittaja Aihe: Fiat Ducato vm.1991 TD 2.5:n 12 V:n sähkölaitteet.  (Luettu 26151 kertaa)

*****
  • Karavaanari
  • Viimeksi paikalla:20.06.2023 kello on 16:57
  • Vaunussa On Pyörät ja vetoaisakin
Vs: Fiat Ducato vm.1991 TD 2.5:n 12 V:n sähkölaitteet.
« Vastaus #15 : 26.08.2015 kello on 19:55 »
Mutta apumiehen jalkatilassa, yläpuolella on peltinen musta, epämääräisen muotoinen boxi.
( osittain näkyvissä)
Boxin päässä on lukemia 220 V=1.2 A , jotain tuollaista... On myös punainen, automaattisulakkeen tyylinen nappi...Mikä tällainen boxi ?   :-\ :-\

Toi lienee puhtaasti asunto-osan juttuja. Olisko akkulaturi? Jos ei hupiakun niin sitten voi olla lisävaruste, alustan akun laturi. Tuleeko tuohon johto vaikka lohkolämmittimen (mikäli on) pistorasiasta tai mökin sähkösyötöstä?

*****
  • Karavaanari
  • Viimeksi paikalla:tänään kello 08:58
Vs: Fiat Ducato vm.1991 TD 2.5:n 12 V:n sähkölaitteet.
« Vastaus #16 : 26.08.2015 kello on 21:34 »
Terve Harri , semusta möukky on laturi kun kytket verkkovirtaan se lataa asuntopuolen akun ja yllä pitää starttiakkua (niin sehän on apukuskin puolella hanskakotelon alla ) on tärkeä verme älä heitä pois ja kun ajat autolla tai auto on käynnissä se myös lataa asunto osan akkua,muuten minulla on kunnostettuna kyseinen verme
T.Rauno

  • Vieras
  • Vs: Fiat Ducato vm.1991 TD 2.5:n 12 V:n sähkölaitteet.
    « Vastaus #17 : 28.08.2015 kello on 19:35 »
    Terve Harri , semusta möukky on laturi kun kytket verkkovirtaan se lataa asuntopuolen akun ja yllä pitää starttiakkua (niin sehän on apukuskin puolella hanskakotelon alla ) on tärkeä verme älä heitä pois ja kun ajat autolla tai auto on käynnissä se myös lataa asunto osan akkua,muuten minulla on kunnostettuna kyseinen verme
    T.Rauno

    Kiitoksia Raunolle ja kaikille vastauksista. Thumb  Thumb

    En heitä / pura vermettä pois, toimii.  Tsekkailin ohjaamossa olevia mittareita. Yhdestä mittarista voi tarkistaa molempien akkujen virtamäärän, näin ymmärrän? Auton akku lienee numero 1 ja asunto-osan numero 2.
    Kyseinen laturi, onko vakiovaruste vai jälkiasennus? Oletan laturin olevan tarkoitettu merkkikohtaiseksi, juuri epämuotoisuuden takia?   :-\ :-\

    Koska en ole autosähköalan asiantuntija, näiden asioiden sisäitäminen on hankalaa. Mutta sanotaan,"työ neuvoo tekijää."  :D :D

  • Vieras
  • Vs: Fiat Ducato vm.1991 TD 2.5:n 12 V:n sähkölaitteet.
    « Vastaus #18 : 18.09.2015 kello on 15:54 »

     Toistui aloituksen ongelma, nyt koskien koko asunto-osaa.  :o :o

    Nyt ei tule virtaa koko asunto-osalle ollenkaan. Kun kojelaudasta painaa nappia asentoon 1 (toinen asento 0) syttyy varoituskolmion (mittaritaulun vasen alanurkka) punainen merkkivalo heikosti palamaan.  :o :o Samoin vilkut ovat poissa "pelistä," ei siis toimi.  >:( Kun napin palauttaa 0 asentoon, vilkut toimivat.  :D

    Kun nappia painelee edestakaisin 1-0, moottoritilan (asunto-osan akun yläpuolella )
     "rasiassa" olevat kärjet kytkeytyy päälle / pois. ( avasin rasian kannen, vaimo paineli nappia )

    Elokuun viimeisenä viikonloppuna auto edellisen kerran liikenteessä, ei ollut mitään sähköongelmia.

    Reissun jälkeen poistin minulle tarpeettomana LA-puhelimen, sekä sisältä 2 kpl:tta sisäliike-
    tunnistimia.  ( ent.omistaja)
    Ovien hälytysjärjestelmät / kaukolukitus systeemit toimi ja toimii edelleen.
    Noiden poistoilla ei liene merkitystä asunto-osan virrattomuuteen.   :-\ :-\
    Tosin en noiden poistojen jälkeen kokeillut tuleeko virta asunto-osaan. >:( >:(

    Viime viikonloppuna latasin akkuja verkkovirralla noin 2-3 tunninajan, kun puhdis-
    tettiin / fiksailtiin "ulkoasua." (Auto kytketty verkkovirtaan)
    Kyseisen ajan kojelaudan nappi oli asennossa 1. (olettamus)
    Voiko olla 0 asennossa myös?
    Minulla ei ole ohjekirjaa mistä voisin opiskella käyttöä. :-[ :-[

    Yksi sulakerasia on hansikaslokerossa, tarkoitettu auton toimintaan, ei asunto-osalle, näin oletan? Mistä löytyisi asunto-osan sulakkeet?

    Olisiko mahdollista olla jossain huono maadoituskontakti?

    Tällaiseen ongelmaan kaipailen asiantuntijoiden apua.






    *****
    • Karavaanari
    • Viimeksi paikalla:26.07.2018 kello on 06:56
    Vs: Fiat Ducato vm.1991 TD 2.5:n 12 V:n sähkölaitteet.
    « Vastaus #19 : 18.09.2015 kello on 17:50 »
    En tunne kyseisen kulkimen akkujen kytkentää, mutta oletan että asunto-osaan tulee sähköt olipa  kojetaulun nappi missä asennossa tahansa. Siispä irroittaisin siitä asunto akusta molemmat kaapelit ja sitten taas kiinnittäisin uudelleen.

    *****
    • LämmitinGuru
    • Aluevalvoja
    • Kalustoon kuuluva
    • Viimeksi paikalla:tänään kello 08:56
    Vs: Fiat Ducato vm.1991 TD 2.5:n 12 V:n sähkölaitteet.
    « Vastaus #20 : 18.09.2015 kello on 18:37 »
    Kiitos tiedosta. Thumb

    Jep, tiedän sen hanskalokeron kautta mentävän sulakerasian, eilen silmäilin sen olemusta.

    Mutta apumiehen jalkatilassa, yläpuolella on peltinen musta, epämääräisen muotoinen boxi.
    ( osittain näkyvissä)
    Boxin päässä on lukemia 220 V=1.2 A , jotain tuollaista... On myös punainen, automaattisulakkeen tyylinen nappi...Mikä tällainen boxi ?   :-\ :-\

    Eikös puhelimessa ole kameraa, kuva kertoo paljon. ;)

  • Vieras
  • Vs: Fiat Ducato vm.1991 TD 2.5:n 12 V:n sähkölaitteet.
    « Vastaus #21 : 18.09.2015 kello on 20:04 »
    Eikös puhelimessa ole kameraa, kuva kertoo paljon. ;)

    Rauno alla kirjoittaa mistä on laitteesta on kyse.

     
    Vs: Fiat Ducato vm.1991 TD 2.5:n 12 V:n sähkölaitteet.
    « Vastaus #16 : 26.08.2015 kello 21:34 »

        Lainaus

    Terve Harri , semusta möukky on laturi kun kytket verkkovirtaan se lataa asuntopuolen akun ja yllä pitää starttiakkua (niin sehän on apukuskin puolella hanskakotelon alla ) on tärkeä verme älä heitä pois ja kun ajat autolla tai auto on käynnissä se myös lataa asunto osan akkua,muuten minulla on kunnostettuna kyseinen verme
    T.Rauno

  • Vieras
  • Vs: Fiat Ducato vm.1991 TD 2.5:n 12 V:n sähkölaitteet.
    « Vastaus #22 : 18.09.2015 kello on 20:08 »
    En tunne kyseisen kulkimen akkujen kytkentää, mutta oletan että asunto-osaan tulee sähköt olipa  kojetaulun nappi missä asennossa tahansa. Siispä irroittaisin siitä asunto akusta molemmat kaapelit ja sitten taas kiinnittäisin uudelleen.


     Terve, Thumb

     Huomenna / sunnuntaina tsekkaan, ellei vesisateet muuta suunnitelmaa. :D

    *****
    • LämmitinGuru
    • Aluevalvoja
    • Kalustoon kuuluva
    • Viimeksi paikalla:tänään kello 08:56
    Vs: Fiat Ducato vm.1991 TD 2.5:n 12 V:n sähkölaitteet.
    « Vastaus #23 : 19.09.2015 kello on 14:34 »
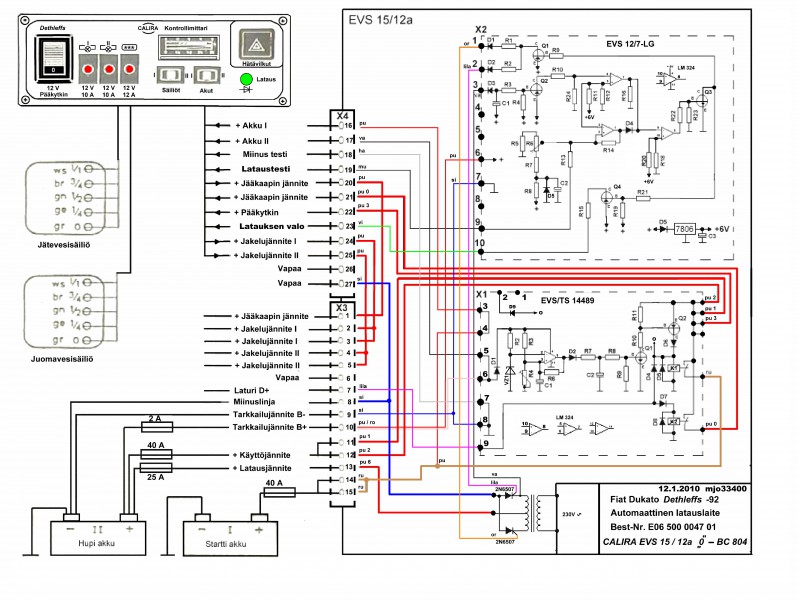
    Kysymys on Calira 15/12 - laturista. Näin oletan ja kuuluu kyseisen auton vakiovarustukseen.



  • Vieras
  • Vs: Fiat Ducato vm.1991 TD 2.5:n 12 V:n sähkölaitteet.
    « Vastaus #24 : 19.09.2015 kello on 18:46 »
    Kysymys on Calira 15/12 - laturista. Näin oletan ja kuuluu kyseisen auton vakiovarustukseen.

    (Kuva piiloitettu, klikkaa tätä niin näet kuvan.)

    Suuret kiitokset kaaviosta.  Thumb  Voi olla tulevaisuudessa tarvetta. En tosin itse ymmärrä, mutta löytyy varmaan alan asiantuntijoita. :D :D

  • Vieras
  • Vs: Fiat Ducato vm.1991 TD 2.5:n 12 V:n sähkölaitteet.
    « Vastaus #25 : 21.09.2015 kello on 18:24 »
    Toistui aloituksen ongelma, nyt koskien koko asunto-osaa.  :o :o

    Nyt ei tule virtaa koko asunto-osalle ollenkaan. Kun kojelaudasta painaa nappia asentoon 1 (toinen asento 0) syttyy varoituskolmion (mittaritaulun vasen alanurkka) punainen merkkivalo heikosti palamaan.  :o :o Samoin vilkut ovat poissa "pelistä," ei siis toimi.  >:( Kun napin palauttaa 0 asentoon, vilkut toimivat.  :D

    Kun nappia painelee edestakaisin 1-0, moottoritilan (asunto-osan akun yläpuolella )
     "rasiassa" olevat kärjet kytkeytyy päälle / pois. ( avasin rasian kannen, vaimo paineli nappia )

    Elokuun viimeisenä viikonloppuna auto edellisen kerran liikenteessä, ei ollut mitään sähköongelmia.

    Reissun jälkeen poistin minulle tarpeettomana LA-puhelimen, sekä sisältä 2 kpl:tta sisäliike-
    tunnistimia.  ( ent.omistaja)
    Ovien hälytysjärjestelmät / kaukolukitus systeemit toimi ja toimii edelleen.
    Noiden poistoilla ei liene merkitystä asunto-osan virrattomuuteen.   :-\ :-\
    Tosin en noiden poistojen jälkeen kokeillut tuleeko virta asunto-osaan. >:( >:(

    Viime viikonloppuna latasin akkuja verkkovirralla noin 2-3 tunninajan, kun puhdis-
    tettiin / fiksailtiin "ulkoasua." (Auto kytketty verkkovirtaan)
    Kyseisen ajan kojelaudan nappi oli asennossa 1. (olettamus)
    Voiko olla 0 asennossa myös?
    Minulla ei ole ohjekirjaa mistä voisin opiskella käyttöä. :-[ :-[

    Yksi sulakerasia on hansikaslokerossa, tarkoitettu auton toimintaan, ei asunto-osalle, näin oletan? Mistä löytyisi asunto-osan sulakkeet?

    Olisiko mahdollista olla jossain huono maadoituskontakti?

    Tällaiseen ongelmaan kaipailen asiantuntijoiden apua.

     Terve vaan, päivitän ko. tapausta.

    Tänään aamulla starttasin Ducaton "tulille" tarkoituksena viedä auto halliin talvisäilöön.
    Tämän vuoden ajot siis ovat finaalissa.
    Painoin kojelaudassa olevaa nappia asentoon 1 kokeillakseni  tuleeko asunto-osaan virtaa? Virtaa tuli jostain syystä, led-valot ja  WC:n valo toimi. (oli jäänyt katkaisimet päälle asentoon edellisella kerralla) Olin iloinen tämän johdosta.  ;D ;D

    Palasin kuljettajan paikalle. Huomasin kolmesta punaisesta napista keskimmäisen olevan ylhäällä, ( sama asia kuin aloituksessa) painoin napin alas. Asunto-osassa päällä olevat valot pimeni. Samalla syttyi mittaritaulun vasemmassa alanurkassa oleva varoitusvalo himmeästi palamaan. :( :( Olin jälleen lähtöpisteessä.

    En tressaa enempää tällä ongelmalla itseäni ennen ensivuotta. Lokakuussa käyn tankkaamassa talvidieseliä tankkiin koska on tarkoitus ajella tankkauksen jälkeen maaliskuussa vuonna 2016.

    Oli tarkoitus ottaa molemmat akut seisonta-ajaksi pois. Mistä päin saa starttiakun helpoimmin  pois, ylä-,vai alakautta?
    Vai jätänkö molemmat akut / toisen ( startti)  autoon odottamaan maaliskuuta?  :-\ :-\
    Hallipaikka ei ole lämmintila.




    *****
    • Kalustoon kuuluva
    • Viimeksi paikalla:11.01.2026 kello on 12:36
    Vs: Fiat Ducato vm.1991 TD 2.5:n 12 V:n sähkölaitteet.
    « Vastaus #26 : 21.09.2015 kello on 18:46 »
    Irrota akkukengät ja käy lataamassa akut pari kertaa seisonta-ajan aikana.

  • Vieras
  • Vs: Fiat Ducato vm.1991 TD 2.5:n 12 V:n sähkölaitteet.
    « Vastaus #27 : 22.09.2015 kello on 19:57 »
    Irrota akkukengät ja käy lataamassa akut pari kertaa seisonta-ajan aikana.


     Kiitos vinkistä. Thumb Varmasti aiheellista ladata, onhan maaliskuuhun vähän yli 5 kuukautta.

  • Vieras
  • Vs: Fiat Ducato vm.1991 TD 2.5:n 12 V:n sähkölaitteet.
    « Vastaus #28 : 6.04.2016 kello on 15:10 »

     Päivitetään viime vuonna aloittamaani ketjua. :)

     Tänään akut paikoilleen ja laakista käyntiin.

    Sitten jo kuuluisaksi tulleeseen ongelmaani eli kaikki sähköt "hukassa" asunto-osan puolelta.( viime vuonna toimi aika-ajoin)

    Ensimmäinen  havainto. Painoin asunto-osan keinukytkimen (kojetaulu) nolla-asennosta asentoon yksi  kytkeäkseni asunto-osan sähköt päälle.
    Valot ei syttyneet, mutta punainen varoituskolmion valo alkoi himmeästi palamaan.
    Keinukytkin asentoon nolla, varoituskolmion himmeästi palava valo sammui.
    Peruusvaihteen kytkentä aiheutti saman ilmiön, varoituskolmion punainen valo alkoi palamaan himmeästi. Peruutusvaihde vapaalle, valo sammui. Kuljin on varustettu äänisignaaliperuutu stutkalla.

    Ajoin kulkimen omalle tallille. Etsiskelin vikaa keinukytkimestä. ( irroitin etupanelin) Irroitin keinukytkimen ainoan johdon ja laitoin takaisin. Moottoritilassa hupiakun yläpuolella olevasta harmaasta rasiasta kuului releen naksahdus.(?)Nolla asennosta ykkösasentoon "rumpatessa" sama toistui aina. Vaimo oli äänitarkkailijana. Thumb

    Kaikki hansikaslokeron pohjakannen alla olevat  sulakkeet tarkastin, ei ainoatakaan merkkiä kontaktihäiriöistä tai palaneista sulakkeista.
    Virtakynällä mitatessa edellä mainittu harmaa rasia, siellä  olevaan releeseen  vaikuttanee.... kuudessulake oikealta vasemmalle laskettaessa.

    Tutkailin moottoritilan kaapeleita, harmaan laatikon ja hupiakun ympäristössä. ( ajosuunnassa oikea puoli)
    Huomasin että parkkivalo oli irronut ajovalosta, varmaan akkua asentaessa.(?)
    Kyseinen parkkivalo hehkui himmeästi, samoin ajosuuntaan katsottaessa oikea vilkku.
    Menin katsomaan mikä tilanne auton takana?
    Kaikki parkkivalot paloi "täydellä teholla" kuten myös oikean puoleinen vikku.
    Edellä kuvatussa tilanteessa asunto-osan keinukytkin oli asennossa yksi. Nolla asennossa ei palanut yksikään valo ja kulkimen valot ja vilkut toimi normaalisti.

    Olisiko teillä ajatuksia missä on vika. Itse ajattelen maadoitusta.....

    *****
    • LämmitinGuru
    • Aluevalvoja
    • Kalustoon kuuluva
    • Viimeksi paikalla:tänään kello 08:56
    Vs: Fiat Ducato vm.1991 TD 2.5:n 12 V:n sähkölaitteet.
    « Vastaus #29 : 6.04.2016 kello on 20:15 »
    Jotenkin haiskahtaa maapuolen vialta, etenkin tarkistaisin takapyörän takana olevan maapisteen.

     

    anything