rekisteriseloste

Tiedote rekisteröitymisestä

Jos et ole saanut vahvistusviestiä rekisteröitymisestä si, tarkista roskapostikansiosi. Tämä erityisesti hotmail ja gmail sähköpostin käyttäjille.

Kirjoittaja Aihe: Truma Combi 6E boilerissa ei pysy vesi  (Luettu 6626 kertaa)

*****
  • Päivämatkailija
  • Aiheen aloittaja
  • Viimeksi paikalla:22.06.2016 kello on 13:32
Truma Combi 6E boilerissa ei pysy vesi
« : 10.05.2016 kello on 14:01 »
Heip!
Ongelma siis seuraavanlainen:
Kun haluan kuumaa vettä, täytän boilerin avaamalla hanan kuumavesipuolelle siihen asti, kunnes vettä alkaa tulemaan hanasta.
Lämmitin päälle(sähkö) ja odotusta...
Kun tarvitsen kuumaa vettä huomaan, että kuumavesihanasta ei tule kuin lämpimiä roiskeita - boileri on tyhjä!
Uudelleentäyttö ja sama kuvio toistuu, boileri tyhjenee jonnekin, mitään vuotoa ei missään havaittavissa.
Oletan, että tyhjenee takaisin kylmävesisäiliöön - olisiko mahdollista?

Missä vika ja kuinka ongelma olisi korjattavissa?

t: Juuso
 

*****
  • Saittisähläri
  • Kalustoon kuuluva
  • Viimeksi paikalla: 1.04.2026 kello on 22:38
  • Epsoo
Vs: Truma Combi 6E boilerissa ei pysy vesi
« Vastaus #1 : 10.05.2016 kello on 14:47 »
Takaiskuventtiili rikki?

*****
  • LämmitinGuru
  • Aluevalvoja
  • Kalustoon kuuluva
  • Viimeksi paikalla:tänään kello 08:56
Vs: Truma Combi 6E boilerissa ei pysy vesi
« Vastaus #2 : 10.05.2016 kello on 15:09 »
Entäs tämä.



*****
  • Kalustoon kuuluva
  • Viimeksi paikalla:tänään kello 14:14
  • viva la France
Vs: Truma Combi 6E boilerissa ei pysy vesi
« Vastaus #3 : 10.05.2016 kello on 15:12 »
Tai tämä.



Tai vesipumpun takaiskuventtiili

*****
  • Päivämatkailija
  • Aiheen aloittaja
  • Viimeksi paikalla:22.06.2016 kello on 13:32
Vs: Truma Combi 6E boilerissa ei pysy vesi
« Vastaus #4 : 11.05.2016 kello on 16:27 »
Kiitokset tähänastisista vastauksista!
Tuo FrostControl on minulla oikeassa asennossa eli vipu veden kulkusuunnan mukaisesti ja nappi alhaalla.
Vuoto ei tapahdu tyhjennysputkesta vaan jonnekin muualle.
Ehkä takaiskuventtiili olisi loogisin vikapaikka...
Muutama kysymys:
Ymmärsinkö oikein että venttiilin sijainnille olisi kaksi mahdollisuutta: vesipumpussa ja/tai lämmittimessä?
Missä venttiili sijaitsee?
Voiko itse helposti vaihtaa?
En ole mestarikorjaaja mutta omistan työkalut  :) 

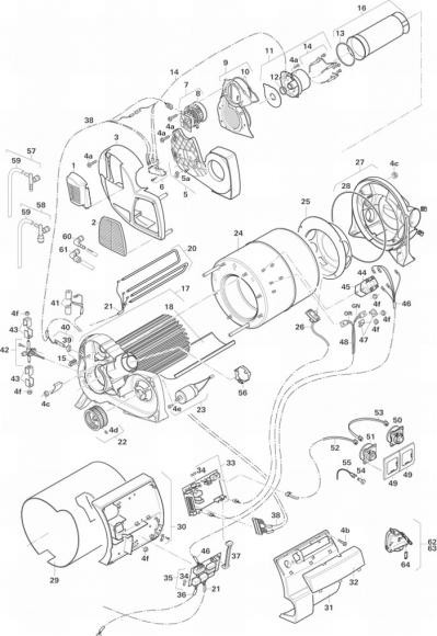
Räjäytyskuva liitteenä.




*****
  • Kalustoon kuuluva
  • Viimeksi paikalla:tänään kello 14:14
  • viva la France
Vs: Truma Combi 6E boilerissa ei pysy vesi
« Vastaus #5 : 11.05.2016 kello on 16:40 »
Kiitokset tähänastisista vastauksista!
Tuo FrostControl on minulla oikeassa asennossa eli vipu veden kulkusuunnan mukaisesti ja nappi alhaalla.
Vuoto ei tapahdu tyhjennysputkesta vaan jonnekin muualle.
Ehkä takaiskuventtiili olisi loogisin vikapaikka...
Muutama kysymys:
Ymmärsinkö oikein että venttiilin sijainnille olisi kaksi mahdollisuutta: vesipumpussa ja/tai lämmittimessä?
Missä venttiili sijaitsee?
Voiko itse helposti vaihtaa?
En ole mestarikorjaaja mutta omistan työkalut  :) 
Äkkiä kuvasta katsottuna osa 42 on lämmittimen ja pumpussa riippuen pumpusta on tai ei.

Räjäytyskuva liitteenä.

(Kuva piiloitettu, klikkaa tätä niin näet kuvan.)

*****
  • Kalustoon kuuluva
  • Viimeksi paikalla:11.01.2026 kello on 12:36
Vs: Truma Combi 6E boilerissa ei pysy vesi
« Vastaus #6 : 11.05.2016 kello on 16:45 »
Ilmeisesti sinulla ei ole painevesijärjestelm ää vaan pumppu on ohjattu mikrokytkimillä?

Silloin joko pumpussa itsessään tai letkussa vesisäiliön vieressä tai sen sisällä on takaiskuventtiili joka saattaa vuotaa vedet takaisin säiliöön.

*****
  • Karavaanari
  • Viimeksi paikalla: 1.04.2026 kello on 13:30
  • Ukki
Vs: Truma Combi 6E boilerissa ei pysy vesi
« Vastaus #7 : 4.06.2016 kello on 08:53 »
Takaiskuventtiili maksaa alla kympin ja helppo asentaa vaikka ihan tankin takastusluukun kautta tai sen sen ulkopuolelle.

 

anything