rekisteriseloste

Tiedote rekisteröitymisestä

Jos et ole saanut vahvistusviestiä rekisteröitymisestä si, tarkista roskapostikansiosi. Tämä erityisesti hotmail ja gmail sähköpostin käyttäjille.

Kirjoittaja Aihe: Alden etäkäyttökytkentä  (Luettu 5538 kertaa)

*****
  • Karavaanari
  • Aiheen aloittaja
  • Viimeksi paikalla:30.08.2023 kello on 09:32
  • Parakkina Hymer FREE 600
Alden etäkäyttökytkentä
« : 9.03.2014 kello on 08:51 »
Onkos experteillä parempaa tietoa miten voisin kytkeä alden pannun alla olevaan laitteeseen,
että voisin ohjata lämmitystä on/off gms välityksellä.

1PRO GPS/GMS TRACKING PAGER

Minkä johdon laitan kiinni siihen pagerilta tulevaan ohjauspiuhaan?

Pagerilla on kolme erilaista relettä
1 Yleis (COM),
2 avaus (NO),
3 sulkeminen (NC)
" Laitteen oma sisäinen kytkentärele kestää enintään 12V DC/5A. Jos käytät laitteita, joiden anto/käyttö
jännite on tätä suurempi, käytä erillistä relettä."

laitteen olen jo asentanut pannun ja pääsulakerasian läheisyyteen.

Hobby 540 kmfe 2009

*****
  • Kalustoon kuuluva
  • Viimeksi paikalla:tänään kello 16:09
  • Autossa on pyörät
Vs: Alden etäkäyttökytkentä
« Vastaus #1 : 9.03.2014 kello on 09:04 »
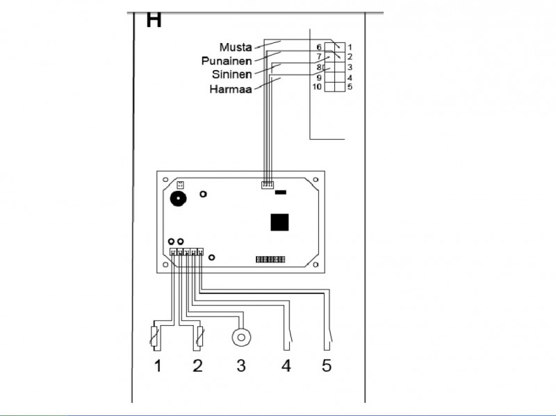
Tuon piuhat pitää saada Alden paneelille, ei pannulle.
Yritän löytää kuvan missä ne oikeat pinnit näkyy ohjauspanelin takana. 
Se kytketään releähtöihin NC , eli kun haluaa pannun päälle kosketinpari sulkee virtapiirin ja pannu käynnistyy ja taas lähetettäessä pyyntö sammuta tuo kosketinpari avautuu.

  • Vieras
  • Vs: Alden etäkäyttökytkentä
    « Vastaus #2 : 9.03.2014 kello on 09:33 »
    Mikäs paneeli sulla on.
    Jos 3010 niin tuossa jonkunlainen kuva:
    http://s16.postimg.org/r1k7hjbh1/Kytkent_paneeliin.jpg


    *****
    • Karavaanari
    • Aiheen aloittaja
    • Viimeksi paikalla:30.08.2023 kello on 09:32
    • Parakkina Hymer FREE 600
    Vs: Alden etäkäyttökytkentä
    « Vastaus #3 : 10.03.2014 kello on 08:48 »
    3010 on pannu
    kiitoksia ohjeesta  Thumb

    *****
    • LämmitinGuru
    • Aluevalvoja
    • Kalustoon kuuluva
    • Viimeksi paikalla:tänään kello 11:58
    Vs: Alden etäkäyttökytkentä
    « Vastaus #4 : 10.03.2014 kello on 08:53 »
    Tässä vielä toinen kuva.



     

    anything